一、基本原理
DC-DC 变换器是一种运用开关电源技术,将输入直流电压转换为不同数值直流输出电压的电子装置。其核心在于通过开关器件的周期性通断操作,精准控制能量的存储与释放过程,实现直流电压的转换功能。
二、工作原理
(一)储能阶段
当开关器件(如 MOSFET 或 IGBT)处于导通状态时,输入电源向电感或电容输送能量。电感通过电流建立磁场储存磁能,这一过程遵循电磁感应定律,能量以磁场形式暂存在电感中;而电容则利用其特性存储电荷,将能量以电场形式进行暂存。
(二)释能阶段
开关器件关断后,电感通过续流二极管向负载释放能量,电容则开始放电,以此维持输出电压的稳定。此时,电感产生的反电动势可能会出现两种情况:一是与输入电压叠加,从而实现升压功能;二是独立供电,以达到降压效果。
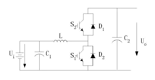
三、双向 DC-DC 拓扑
(一)半桥结构的双向 DC/DC 拓扑及工作模式
半桥结构的双向 DC/DC 拓扑通常具有特定的结构形式,在一般应用中,低压侧可连接储能电池或超级电容等,高压侧则可与 DC/AC 换流器或直流负载(如电机)相连。


当电池放电时,从输入端 Ui 往输出端 Uo 方向看,变换器工作在 boost(升压)模式;反之,当给电池充电时,从输出端 Uo 往输入端 Ui 看,变换器则处于 buck(降压)模式。
(二)双向 DC-DC 电路
双向 DC-DC 电路的本质是在保持输入、输出电压极性不变的前提下,依据实际需求改变电流的方向,从而实现双象限运行的双向直流变换器功能。
通过调节 MOS 管的开断动作,可以改变输出电流的方向。巧妙运用输入输出端口,该电路既能实现降压功能,也能实现升压功能。其基本电路结构由两个 MOS 管和两个二极管组成,具体的电路结构图如下图所示

〈烜芯微/XXW〉专业制造二极管,三极管,MOS管,桥堆等,20年,工厂直销省20%,上万家电路电器生产企业选用,专业的工程师帮您稳定好每一批产品,如果您有遇到什么需要帮助解决的,可以直接联系下方的联系号码或加QQ/微信,由我们的销售经理给您精准的报价以及产品介绍

〈烜芯微/XXW〉专业制造二极管,三极管,MOS管,桥堆等,20年,工厂直销省20%,上万家电路电器生产企业选用,专业的工程师帮您稳定好每一批产品,如果您有遇到什么需要帮助解决的,可以直接联系下方的联系号码或加QQ/微信,由我们的销售经理给您精准的报价以及产品介绍
联系号码:18923864027(同微信)
QQ:709211280