一、整流器:交流到直流的转换器
(一)整流器的功能与应用
整流器是一种将交流电(AC)转换为直流电(DC)的设备。其核心功能在于利用半导体器件的单向导电特性,使电流仅能沿一个方向流动,从而实现交流到直流的转换。整流器广泛应用于各类供电装置、蓄电池充电以及无线电信号侦测等场景。例如,在汽车发电机中,整流器将产生的交流电转换为直流电,为车载电池充电并供车载设备使用。
(二)常见整流器类型
二极管整流桥 :这是一种应用广泛的整流器类型,由四个二极管组成桥式电路。它能够将交流电转换为脉动直流电,再通过电容器等滤波元件平滑波形,得到较为稳定的直流输出。
晶闸管整流桥 :与二极管整流桥类似,但使用晶闸管作为整流元件。晶闸管可在一定程度上控制导通时刻,从而实现对输出直流电压的调节。
(三)整流过程详解
整流器的工作原理基于半导体器件的单向导电性。以二极管整流桥为例,当交流电输入时,二极管在正半周期间导通,电流通过二极管流向负载;在负半周时,另两个二极管导通,电流方向保持不变。这样,交流电就被转换为方向不变但大小变化的脉动直流电。随后,滤波电路对脉动直流电进行平滑处理,得到较为稳定的直流电输出。
二、逆变器:直流到交流的转换器
(一)逆变器的功能与应用
逆变器的作用与整流器相反,它将直流电(DC)转换为交流电(AC)。在许多现代电力系统中,逆变器是不可或缺的组件。例如,在太阳能发电系统中,太阳能电池板产生的直流电需要通过逆变器转换为交流电,才能供家庭和工业设备使用。同样,不间断电源(UPS)也依赖逆变器在市电中断时将蓄电池的直流电转换为交流电,以维持设备的正常运行。
(二)逆变器的工作原理
逆变器通过控制功率开关器件(如绝缘栅双极型晶体管(IGBT)和金属氧化物半导体场效应晶体管(MOSFET))的通断来生成交流电压。这些开关器件以高频开关的方式工作,通过精确控制其开关顺序和占空比,可以合成所需频率和幅值的交流电。逆变器的电路通常较为复杂,需要具备精确的控制和驱动电路来确保输出交流电的质量和稳定性。


三、整流器与逆变器的主要区别
(一)功能与能量转换方向
整流器和逆变器最本质的区别在于它们实现的能量转换方向。整流器将交流电转换为直流电,而逆变器则将直流电转换为交流电。这种转换方向的差异决定了它们在不同应用场景中的独特作用。
(二)工作原理差异
整流器的工作原理相对简单,主要依赖半导体器件的单向导电性。通过允许电流仅沿一个方向流动,并结合滤波电路平滑波形,整流器能够实现交流到直流的转换。而逆变器的工作原理则更为复杂,需要通过高频开关技术和脉宽调制(PWM)等方法来生成高质量的交流电。逆变器的输出交流电的频率、幅值和波形等因素都需要通过精确的控制算法进行调节。
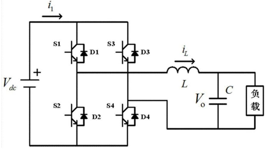
四、全桥逆变电路
全桥逆变电路是一种常见的逆变器拓扑结构,由四个开关器件(如 MOSFET)组成两个桥臂。在工作过程中,同一桥臂的两个开关器件不能同时导通,而是采用对边桥臂导通的方式。这种结构能够产生较高的输出功率和较好的电能质量,适用于多种对电力品质要求较高的应用场景。

〈烜芯微/XXW〉专业制造二极管,三极管,MOS管,桥堆等,20年,工厂直销省20%,上万家电路电器生产企业选用,专业的工程师帮您稳定好每一批产品,如果您有遇到什么需要帮助解决的,可以直接联系下方的联系号码或加QQ/微信,由我们的销售经理给您精准的报价以及产品介绍

〈烜芯微/XXW〉专业制造二极管,三极管,MOS管,桥堆等,20年,工厂直销省20%,上万家电路电器生产企业选用,专业的工程师帮您稳定好每一批产品,如果您有遇到什么需要帮助解决的,可以直接联系下方的联系号码或加QQ/微信,由我们的销售经理给您精准的报价以及产品介绍
联系号码:18923864027(同微信)
QQ:709211280