稳压器是一种用于稳定输出电压的设备,广泛应用于各种电子系统和电力供应场景中。其核心组成部分包括调压电路、控制电路以及伺服电机等。当输入电压或负载发生变化时,控制电路负责进行取样、比较和放大操作,随后驱动伺服电机转动,进而改变调压器碳刷的位置。通过自动调整线圈匝数比,最终实现输出电压的稳定。本文将详细介绍几种常见的稳压器类型及其工作原理。
一、单相补偿式稳压器
单相补偿式稳压器主要由调压变压器 T1 和补偿变压器 T2 组成。

其工作原理如下:补偿变压器低压侧的线圈串联在稳压器的主回路中,这意味着稳压器输出的能量主要通过补偿变压器的低压侧线圈直接供给输出负载。只要将补偿变压器的二次线圈线径设计得足够大,就可以实现较大功率的稳压器。调压变压器 T1 的任务是承担输入电压与输出电压之间的差额部分。根据稳压器允许的输入电压变化范围,调压变压器 T1 的功率大小通常为稳压器实际容量的几分之一。稳压器的配比参数决定了调压变压器的大小。这种稳压器的优点在于能够有效地补偿电压波动,提供相对稳定的输出电压,适用于对电压稳定性要求较高的单相用电设备,如家庭电器、小型办公设备等。

其工作原理如下:补偿变压器低压侧的线圈串联在稳压器的主回路中,这意味着稳压器输出的能量主要通过补偿变压器的低压侧线圈直接供给输出负载。只要将补偿变压器的二次线圈线径设计得足够大,就可以实现较大功率的稳压器。调压变压器 T1 的任务是承担输入电压与输出电压之间的差额部分。根据稳压器允许的输入电压变化范围,调压变压器 T1 的功率大小通常为稳压器实际容量的几分之一。稳压器的配比参数决定了调压变压器的大小。这种稳压器的优点在于能够有效地补偿电压波动,提供相对稳定的输出电压,适用于对电压稳定性要求较高的单相用电设备,如家庭电器、小型办公设备等。
二、单相 SVC 直接调压稳压器
单相 SVC 直接调压稳压器的工作原理如下:

A 点为单相稳压器的输入侧,B 点为输出侧。该稳压器利用取样电路实时监测稳压器输出的两点间电压。当输出电压升高时,控制电路驱动电机朝自耦变压器降压的方向移动(A 点所对应的箭头向上移动),直到输出电压达到预定值,此时停止控制电机运动。相反,当输出电压降低时,控制电路则驱动电机朝自耦变压器升压的方向转动(A 点所对应的箭头向下移动),直至输出电压达到所需值。这种直接调压式的稳压器具有结构简单、响应速度快的特点,能够快速调整输出电压以适应负载变化的需求。它适用于对电压调节速度有一定要求的单相用电场合,如工业控制中的部分单相设备供电等。


A 点为单相稳压器的输入侧,B 点为输出侧。该稳压器利用取样电路实时监测稳压器输出的两点间电压。当输出电压升高时,控制电路驱动电机朝自耦变压器降压的方向移动(A 点所对应的箭头向上移动),直到输出电压达到预定值,此时停止控制电机运动。相反,当输出电压降低时,控制电路则驱动电机朝自耦变压器升压的方向转动(A 点所对应的箭头向下移动),直至输出电压达到所需值。这种直接调压式的稳压器具有结构简单、响应速度快的特点,能够快速调整输出电压以适应负载变化的需求。它适用于对电压调节速度有一定要求的单相用电场合,如工业控制中的部分单相设备供电等。

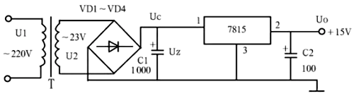
三、直流稳压电源电路
以下是一个使用三端稳压块 7815 组成的稳压电源电路图。该电路中,T 为电源变压器,市电 220V 经变压器 T 降压后,在副边绕组输出 23V 的交流电。随后,交流电经 VD1~VD4 整流和 C1 滤波,转变为较为平滑的直流电。该直流电被输送到稳压块 7815 进行稳压处理,再经电容 C2 进一步滤波,最终输出稳定的 +15V 直流电压,为负载提供稳定的直流电源。这种基于三端稳压器的直流稳压电源电路具有电路简单、可靠性高、输出电压稳定等特点,广泛应用于各种直流供电设备中,如电子仪器、通信设备等。在实际应用中,可根据负载的需求选择不同输出电压值的三端稳压块,以满足多样化的直流供电要求。
〈烜芯微/XXW〉专业制造二极管,三极管,MOS管,桥堆等,20年,工厂直销省20%,上万家电路电器生产企业选用,专业的工程师帮您稳定好每一批产品,如果您有遇到什么需要帮助解决的,可以直接联系下方的联系号码或加QQ/微信,由我们的销售经理给您精准的报价以及产品介绍
联系号码:18923864027(同微信)
QQ:709211280