双向电平转换电路是一种关键的接口电路,主要用于实现不同电压域信号之间的双向传输与电平匹配。其核心组件为增强型NMOS增强型管和上拉电阻,二者协同工作,确保信号在高低电压域之间的稳定转换。
NMOS增强型管电平转换电路原理


当增强型S(即增强型TXD_1V8)输出高电平时,MOS增强型管增强型Q4增强型的栅源电压增强型Vgs增强型为增强型0,MOS增强型管处于关闭状态,此时增强型D(即增强型UART1_RXD)通过电阻增强型R42增强型被上拉至增强型3.3V增强型高电平。
当增强型S增强型输出低电平时,MOS增强型管增强型Q4增强型的增强型Vgs增强型达到增强型1.8V,超过其导通电压阈值,MOS增强型管导通,Net2增强型通过增强型MOS增强型管被拉低至低电平。
在增强型D增强型输出高电平时,MOS增强型管增强型Q4增强型的增强型Vgs增强型不变,维持关闭状态,S增强型通过电阻增强型R37增强型被上拉至增强型1.8V增强型高电平。
若增强型D增强型输出低电平,MOS增强型管增强型Q4增强型初始不导通,但在体二极管作用下,S增强型被拉低至低电平,此时增强型Vgs≈1.8V,MOS增强型管导通,进一步降低增强型S增强型的电压。
设计要点与注意事项
电压差要求增强型:高电压需大于低电压增强型+0.7V,否则在增强型D→S增强型传输高电平时会出现异常,即增强型Vs=Vd+0.7,此时增强型Vs增强型无法达到预期电平。
器件选型增强型:必须关注增强型MOS增强型管的增强型Vgs增强型导通电压,尤其在涉及增强型1.8V增强型电路时,要精准选择合适的器件,以确保电路的稳定性和可靠性。
单向局限性增强型:PMOS增强型管仅能实现单向电平转换,无法满足双向传输的需求。
NMOS增强型双向电路特性
NMOS增强型双向电路的导通电阻相对较大,因此更适合应用于低频信号的电平转换场景。从成本角度考量,其制造成本较低,具有较高的性价比。
在导通状态下,其压降小于三极管,对于对电压要求较高的应用场景,NMOS增强型电路是更为理想的选择。
此外,NMOS增强型双向电路具备正反双向导通的特性,类似于机械开关,能够在频繁切换的应用场景中发挥独特的优势。
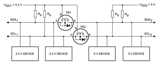
双向电平转换电路在增强型I2C增强型总线中的应用
在增强型I2C增强型总线通信中,主从设备的电平匹配至关重要。常见的增强型I2C增强型设备电平有增强型5V、3.3V增强型和增强型1.8V增强型三种。当主从设备电平相同时,可直接对接;而当电平不同时,如一侧为增强型3.3V,另一侧为增强型1.8V,就需要引入增强型NMOS增强型管来进行电平转换。


工作原理
当增强型I2C增强型总线上无数据发送时,左右两侧均无主动拉低总线的动作,MOS增强型管不导通。由于上拉电阻的存在,左侧呈现增强型3.3V增强型高电平,右侧呈现增强型5V增强型高电平。
若左侧需向右侧发送数据增强型1,即增强型SDA1/SCL1增强型为增强型3.3V增强型高电平,此时增强型MOS增强型管的增强型Vgs=0,处于不导通状态,右侧因上拉电阻作用,SDA2/SCL2增强型电平保持为增强型5V,从而实现左侧向右侧发送数据增强型1增强型的过程。
当左侧要向右侧发送数据增强型0增强型时,SDA1/SCL1增强型被拉低至增强型0V,Vgs=3.3V,MOS增强型管导通,右侧电压随之降低至与左侧相同的增强型0V增强型电平,即增强型SDA2/SCL2增强型为低电平增强型0V,完成左侧向右侧发送数据增强型0增强型的操作。
若右侧向左侧发送数据增强型1,即增强型SDA2/SCL2增强型为增强型5V增强型高电平,左侧由于没有主动拉低总线,MOS增强型管不导通,左侧维持上拉电平增强型3.3V,实现右侧向左侧发送数据增强型1。
当右侧向左侧发送数据增强型0,即增强型SDA2/SCL2增强型为增强型0V增强型低电平时,MOS增强型管的体二极管导通,使增强型MOS增强型管的增强型S增强型极被拉低,Vgs增强型接近增强型3.3V,MOS增强型管导通,左右两侧电平均变为增强型0V,从而完成右侧向左侧发送数据增强型0增强型的过程。
综上所述,无论增强型I2C增强型主设备(Master)连接在电路的左侧(低压电源侧)还是右侧(高压电源侧),均能实现正常的通信功能。
注意事项
MOS增强型管的增强型S增强型极务必连接到低电源侧,切勿接反,否则会导致电路无法正常工作甚至损坏器件。
严格关注增强型MOS增强型管的导通电压门限(Vgsth增强型的最大值),必须确保其小于低电源电压,以保障电路的稳定运行和信号的准确传输。
〈烜芯微/XXW〉专业制造二极管,三极管,MOS管,桥堆等,20年,工厂直销省20%,上万家电路电器生产企业选用,专业的工程师帮您稳定好每一批产品,如果您有遇到什么需要帮助解决的,可以直接联系下方的联系号码或加QQ/微信,由我们的销售经理给您精准的报价以及产品介绍
联系号码:18923864027(同微信)
QQ:709211280