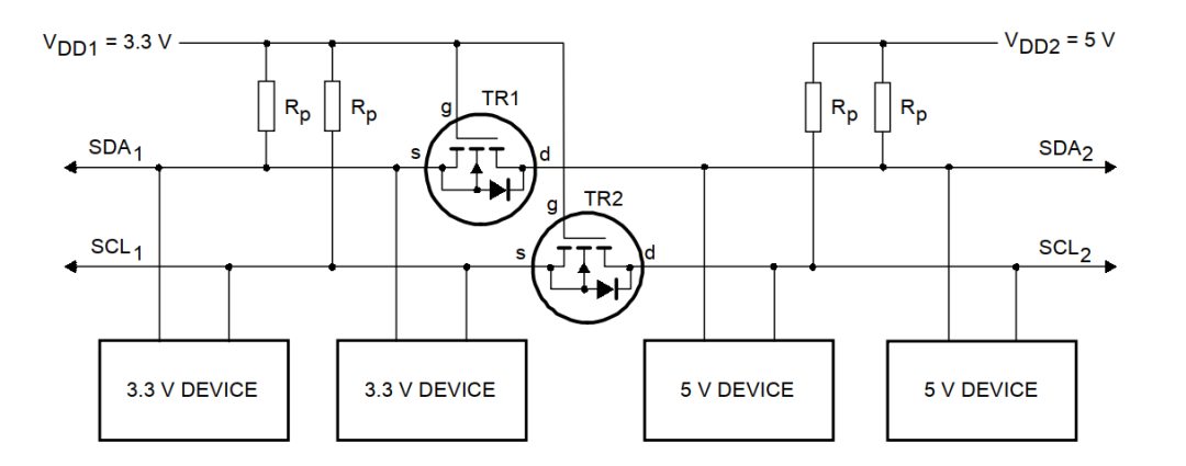
在IIC主从设备连接时,需要考虑主从设备的电平情况,常规的主要有3种:5V、3.3V、1.8V,如果电平相同,那么就直接连接;若电平不同,一个高电平是5V,另一个是3.3V,那么就需要做一下电平转换,即接入MOS管,如图:


MOS管的S极接低电压,D极接高电压,G极接低电压。
工作原理如下:
(1)当总线没有数据发送时:低电压(3.3V)部分的总线线路通过上拉电阻Rp上拉至3.3V,MOS管的栅极和源极都是3.3V,MOS不导通;高电压(5V)部分的总线线路通过它的上拉电阻Rp拉到5V;此时两部分的总线线路都是高电平,只是电压电平不同;
(2)低电压(3.3V)器件下拉到低电平时:MOS管导通,高电压(5V)部分的总线通过MOS管被低电压(3.3V)器件下拉到低电平;此时两部分的总线线路都是低电平,而且电压电平相同;
(3)高电压(5V)器件下拉到低电平时:MOS管由于体二极管的存在,这时体二极管导通,MOS管的S极被二极管拉低,Vgs接近3.3V,MOS导通,进一步导致左边和右边电平一样;
这三种状态显示了逻辑电平在总线系统的两个方向上传输。
注意事项:
(1)MOS管的接法:S极要接到低电压那边,不能接反;
(2) MOS管的导通电压需要注意,MOS管的门限电压要小于低电源电压。
〈烜芯微/XXW〉专业制造二极管,三极管,MOS管,桥堆等,20年,工厂直销省20%,上万家电路电器生产企业选用,专业的工程师帮您稳定好每一批产品,如果您有遇到什么需要帮助解决的,可以直接联系下方的联系号码或加QQ/微信,由我们的销售经理给您精准的报价以及产品介绍
联系号码:18923864027(同微信)
QQ:709211280