一、逆变器概述
逆变器作为一款核心电子设备,具备将直流电(DC)高效转换为交流电(AC)的能力,被广泛应用于众多领域。从太阳能发电系统到不间断电源(UPS),再到各类电力驱动装置,逆变器发挥着至关重要的作用。其构造精巧,由三大关键部分组成:逆变桥、逻辑控制单元以及滤波电路。除此之外,逆变器内部还涵盖了输入接口、电压启动回路、MOS开关管、PWM控制器、直流变换回路、反馈回路、LC振荡及输出回路等多个复杂组件。根据内部结构设计的差异,逆变器可分为半桥逆变器和全桥逆变器等多种类型,每种类型都针对不同的应用场景进行了优化设计。
二、逆变器工作原理
(一)直流电源输入
逆变器首先接收来自太阳能电池板、蓄电池或其他直流电源的电能。这一输入的直流电是后续转换过程的能量基础,其电压水平和稳定性对逆变器的输出性能具有直接影响。
(二)电流转换
在逆变器的核心部分,内部电子开关(通常为MOSFET)以极高的频率快速切换电流方向。这一过程模拟了交流电的波形特征,将直流电的单向流动转变为双向交替的电流变化。通过精确控制电子开关的通断时机和频率,可以生成与标准交流电相似的波形,这是逆变器实现电能转换的关键步骤。
(三)交流电输出
经过转换后的交流电随后被输送至家庭、工业生产设备或并入电网,为各类电器设备提供稳定的动力支持。为了确保输出交流电的质量符合标准,逆变器内置的滤波电路会对转换后的电能进行平滑处理,降低纹波和噪声,提高电能的纯净度。
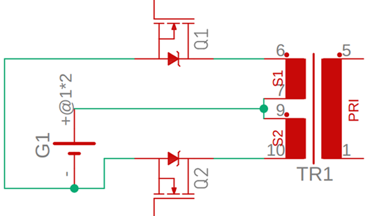
三、逆变器工作原理图解析


在典型的逆变器工作原理图中,正电压连接到变压器的中间引脚,作为输入端。而变压器的另外两个引脚则与MOSFET开关相连,负责控制电流的流向和开关动作。


当MOSFET Q1被激活时,即在栅极端子上施加适当的电压,电流将按照预定路径沿一个方向流动。这一电流流动会在变压器铁芯中感应出磁通量,并按照电磁感应原理在次级线圈中产生电压。经过变压器的电压变换作用,最终在输出端可获得220V的交流电压,满足常规电器设备的供电需求。


若关闭MOSFET Q1并开启MOSFET Q2,电流流向将发生反转,从而改变变压器铁芯中磁通量的方向。由于变压器依赖于磁通量的变化来实现能量传递,通过高频地切换两个MOSFET的通断状态(每个MOSFET每秒开关50次),在变压器铁芯内部能够产生持续振荡的磁通量。这种变化的磁通量进而在次级线圈中感应出相应的交流电压,完成直流到交流的转换过程。这一原理是逆变器工作的基础,体现了电子器件与电磁感应现象的巧妙结合。
〈烜芯微/XXW〉专业制造二极管,三极管,MOS管,桥堆等,20年,工厂直销省20%,上万家电路电器生产企业选用,专业的工程师帮您稳定好每一批产品,如果您有遇到什么需要帮助解决的,可以直接联系下方的联系号码或加QQ/微信,由我们的销售经理给您精准的报价以及产品介绍
〈烜芯微/XXW〉专业制造二极管,三极管,MOS管,桥堆等,20年,工厂直销省20%,上万家电路电器生产企业选用,专业的工程师帮您稳定好每一批产品,如果您有遇到什么需要帮助解决的,可以直接联系下方的联系号码或加QQ/微信,由我们的销售经理给您精准的报价以及产品介绍
联系号码:18923864027(同微信)
QQ:709211280