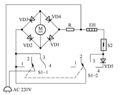
一、电吹风电路核心组件与基本功能


该电吹风电路主要由风扇电动机(M)、加热器(EH)以及转换开关(S1,为双刀四掷开关)等关键元器件构成。其中,转换开关 S1 在电路的多种工作模式切换中发挥着核心作用,以下将对不同档位下的电路工作状态进行详细解读。


(一)关闭模式
当转换开关 S1 被拨至 “2” 位置时,整流电路与加热器电路均无法接通,电吹风整体处于断电的关闭状态,所有功能停止运作。
(二)冷风模式
若将 S1 拨至 “1” 位置,加热器电路被切断,加热器 EH 不启动加热功能。然而,通过 S1 - 1 的 ① 脚,整流电路得以接通。此时,市电电压经电阻 R 限流后,流入由 VD1~VD4 组成的桥式整流电路进行整流处理,为电动机 M 提供电能,驱动其旋转,从而使电吹风吹出自然冷风。
(三)低温模式
当 S1 处于 “4” 位置时,电路分成两路工作。一路经 S1 - 2 的 ④ 脚以及二极管 VD5 接通加热器电路,由于 VD5 对市电电压实施半波整流,故加热器 EH 以半功率模式进行加热;另一路则经 S1 - 1 的 ④、③ 脚接通整流电路,促使电动机 M 开始旋转,此时电吹风输出温度相对较低的热风。
(四)高温模式
将 S1 拨至 “3” 位置时,同样形成两路电流路径。一路经 S1 - 2 的 ④、③ 脚接通加热器电路,市电电压通过过热?;て?S2 和 S1 - 2 为加热器 EH 供应电能,EH 以全功率模式加热;另一路接通整流电路,带动电动机 M 旋转,此时电吹风释放出温度较高的热风。
二、档位控制与功率调节原理
(一)吹风档位控制(S1)
当 S1 吹风档位置于下方,且 S2 未开启时,220V 市电经 D1 整流转变为半波信号。该半波信号依次流经 D3,为电机 B1 和 LED 提供电能,随后电流从 D3 流出并进入 R6 发热丝,最终回流至 P1 电源座。
若 S1 吹风档位切换至上方,S2 仍处于关闭状态,从 P1 进入的电流不再流经 D1,但其余电流路径与前述情况相同。由于 S1 吹风档位打到下方时,电流经过 D1 的半波整流,导致 B1、LED、R6 消耗的功率约为 S1 吹风档位打到上方时的一半。这表现为用户可感知的风速减小、LED 灯亮度降低以及发热量减少。
只要电机 B1 处于转动状态,电流必然流经 R6 发热丝并使其发热。因此,该电吹风无法实现单纯的冷风吹拂功能,吹风时必然伴随加热过程。
(二)发热档位控制(S2)
S2 的主要功能是控制 R1 发热丝的档位。R1 的发热量受电流是否经过 D2 二极管以及 D1 的影响。仅当 S1 处于开启状态时,S2 才能获得电能,其拨动操作才能对 R1 的加热状态产生影响。
当 S1 处于关闭状态,无论 S2 如何拨动,R1 均无法得电发热。这种设计具有?;ぷ饔?,确保只有在风机启动后,R1 发热才有实际意义,同时避免了因 R1 无法及时散热而引发的烧毁风险。
S1 向下拨码时为小风速模式。由于流经 S2 的电流已经过 D1 的半波整流,无论 D2 向上还是向下拨码,R1 的发热功率基本保持一致,且处于较低水平(电流经过 D2 时会产生 1 - 2V 的压降)。此时,无论 S2 开关如何操作,R1 的发热量都较小,起到?;ぷ饔?。
S1 向上拨码时为大风速模式,此时 S2 的上下拨码操作能够显著改变 R1 的发热情况。当 S2 向上拨码时,R1 处于高发热功率状态,产生较大的热量;而当 S2 向下拨码时,电流经过 D2 进行半波整流,导致 R1 发热功率减小,产生的热量相对较少。这种设计确保了只有在大风速吹风时,R1 才能以高发热功率运行,从而保障了发热丝的散热安全。
三、过热保护电路
现代电吹风通常配备过热?;さ缏罚苑乐挂蚍缟鹊缍蚱涔┑绲缏芬斐#ㄈ绲缁薹ㄕP蜃僖斐#┒贾录尤绕?、外壳等部件过热损坏。过热保护功能主要由过热?;て?S2 实现。正常情况下,当电动机旋转正常时,加热器电路产生的温度处于正常范围,S2 内的触点保持闭合状态。然而,一旦电动机出现旋转异?;蛲V棺?,加热器周围温度将迅速升高。S2 检测到这一温度变化后,其内部金属片发生变形,促使触点断开,从而切断加热器的供电电路,使加热器停止加热,有效实现过热保护,延长电吹风的使用寿命并提高使用安全性。
〈烜芯微/XXW〉专业制造二极管,三极管,MOS管,桥堆等,20年,工厂直销省20%,上万家电路电器生产企业选用,专业的工程师帮您稳定好每一批产品,如果您有遇到什么需要帮助解决的,可以直接联系下方的联系号码或加QQ/微信,由我们的销售经理给您精准的报价以及产品介绍
联系号码:18923864027(同微信)
QQ:709211280