电吹风电路原理与功能解析
一、电吹风电路概述
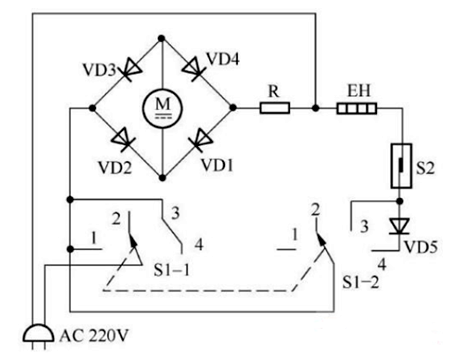
本文介绍的典型电吹风电路包含三个核心元件:风散电动机M、加热器EH和双刀四掷转换开关S1,以及过热保护器S2,实现多种吹风模式及过热?;すδ堋?br />


二、各模式工作原理
(一)关闭模式
将开关S1拨至“2”挡位,整流电路与加热器电路均无法接通,整机电吹风处于关闭状态,无任何风吹出。
(二)冷风模式
当开关S1拨到“1”的位置,加热器电路未被接通,加热器EH不工作。但通过S1-1的①脚,接通了整流电路。市电电压经电阻R限流后,通过由VD1~VD4组成的桥式整流电路整流,为电动机M供电,使其旋转,吹出冷风。
(三)低温模式
将开关S1拨至“4”挡位,一路电流通过S1-2的④脚和二极管VD5接通加热器电路。VD5对市电电压进行半波整流,使加热器EH以半功率加热;另一路通过S1-1的④、③脚接通整流电路,电动机M旋转,此时电吹风吹出温度较低的热风。
(四)高温模式
开关S1拨到“3”的位置时,一路电流通过S1-2的④、③脚接通加热器电路,市电电压经S2和S1-2为加热器EH供电,EH全功率加热;另一路接通整流电路,电动机M旋转,电吹风吹出温度较高的热风。
三、过热?;さ缏?/div>
新型电吹风配备过热?;さ缏?,核心部件为过热?;て鱏2。正常情况下,电机旋转,加热器产生的热量在正常范围,S2触点闭合。若电机异?;虿蛔?,导致加热器温度升高,S2检测到后,内部金属片变形,触点断开,切断加热器供电,实现过热?;?。
四、吹风档位控制


(一)S1吹风档位控制
当S1吹风档位打到下面,S2不开启时,220V电压经D1半波整流,整流后的半波电流依次流过D3、电机B1、LED,再经R6发热丝,最后回流到P1电源座子。若S1吹风档位打到上面,S2不开启,电流路径与前述类似,但不经过D1。由于S1向下时电流经过D1半波整流,B1、LED、R6的功率消耗约为S1向上时的一半,因此风速、LED亮度和发热量都较小。只要B1转动,R6就会通电发热,所以电吹风工作时必然伴随加热,无法吹冷风。
(二)S2发热档位控制
S2控制R1发热丝的档位,R1的发热量由电流是否经过D2二极管决定,D1也影响R1的发热量。只有S1开启,S2才能得电工作。S1关闭时,无论S2如何操作,R1都不会发热,这既确保了风机转动时R1发热才有意义,又防止R1因无法及时散热而烧毁。
当S1向下拨码处于小风速模式时,到达S2的电流已通过D1半波整流。无论D2向上还是向下拨动,R1的发热功率都较小且基本一致,起到?;ぷ饔茫拗菩》缢偈盧1的发热量。
S1向上拨码处于大风速模式时,S2的上下拨码操作才能改变R1的发热情况。S2向上拨码,R1发热温度高;S2向下拨码,电流经D2半波整流,R1发热温度降低。此设计确保只有吹风时R1发热,且大风速时R1才能高温发热,保障发热丝的散热安全。
〈烜芯微/XXW〉专业制造二极管,三极管,MOS管,桥堆等,20年,工厂直销省20%,上万家电路电器生产企业选用,专业的工程师帮您稳定好每一批产品,如果您有遇到什么需要帮助解决的,可以直接联系下方的联系号码或加QQ/微信,由我们的销售经理给您精准的报价以及产品介绍
联系号码:18923864027(同微信)
QQ:709211280
- 上一篇:电位器的电路符号图形,文字符号与作用介绍
- 下一篇:最后一页
相关阅读