一、驱动电阻的关键作用
(一)提供阻尼
在MOSFET开通瞬间,驱动电阻通过提供足够的阻尼来阻尼驱动电流的震荡,确保MOSFET能够平稳地开通。当MOSFET开通时,如果没有适当的阻尼,驱动电流可能会产生振荡,这种振荡不仅会影响MOSFET的正常工作,还可能导致电磁干扰(EMI),影响整个电路的稳定性。驱动电阻能够有效地抑制这些振荡,使MOSFET的开通过程更加平稳。
(二)防止误开通
在MOSFET关断时,驱动电阻能够限制由于dV/dt产生的电流,防止MOSFET因误开通而损坏。当MOSFET关断时,漏源电压会迅速上升,如果此时栅极与源极之间的电压受到dV/dt的影响而产生波动,可能会导致MOSFET误开通。驱动电阻能够限制这种波动产生的电流,从而降低误开通的风险,?;OSFET免受损坏。
二、驱动电阻的常见连接方式及影响
通常,在MOSFET的栅极上串联一个Rg电阻或将它接在MOSFET的栅极与驱动电路之间,这是常见的做法。这种连接方式能够衰减栅极上出现的振荡,但会降低转换器的效率。这是因为驱动电阻会消耗一部分驱动能量,尤其是在高频驱动的情况下,这部分损耗会更加明显。
(一)驱动频率对Rg的影响
一般情况下,驱动频率越高,阈值电压降低,对效率要求越高,Rg需要减小。随着驱动频率的升高,MOSFET的开关速度加快,对驱动电路的效率要求也相应提高。如果Rg过大,会导致驱动电压上升较慢,增加MOSFET的开关损耗,降低转换器的效率。因此,在高频驱动应用中,需要适当减小Rg的值,以满足效率要求。
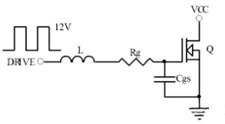
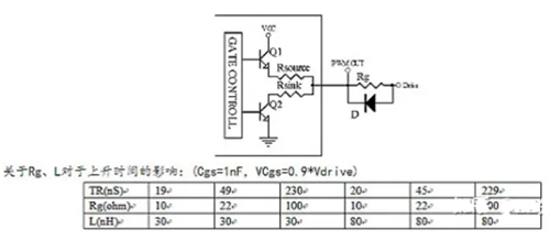
(二)等效驱动电路分析


L为PCB走线电感,一般直走线为1nH/mm,考虑各种因素,取L=Length+10(nH),其中Length单位取mm。Rg为栅极驱动电阻,设驱动信号是12V峰值的方波,Cgs为MOSFET栅源极电容,不同管子及不同的驱动电压会不一样,取1nF。则根据KVL方程,有VL+VRg+VCgs=12V。

Rg的最小驱动电阻计算


Rg的最小驱动电阻计算

当Rg较小时,驱动电压上冲会比较高,震荡会比较多,L越大越明显,此时会对MOSFET及其他器件性能产生影响。例如,过高的电压上冲可能导致MOSFET的栅极氧化层击穿,而频繁的震荡可能会增加电磁干扰,影响电路的可靠性。但是,当Rg阻值过大时,驱动波形上升较慢,当MOSFET有较大电流通过时会有不利影响,如增加开关损耗,降低转换效率。
当L比较小时,此时驱动电流的峰值比较大,而一般IC的驱动电流输出能力都是有一定限制的。当实际驱动电流达到IC输出的最大值时,此时IC输出相当于一个恒流源,对Cgs线性充电,驱动电压波形的上升率会变慢。电流曲线可能会出现一个小的台阶或毛刺,这可能对IC的可靠性产生影响,如增加IC的功耗,甚至导致IC过热损坏。


三、驱动电阻的计算方法
(一)驱动电阻下限值的计算
计算原则
驱动电阻必须在驱动回路中提供足够的阻尼,来阻尼MOSFET开通瞬间驱动电流的震荡。足够的阻尼能够确保MOSFET平稳地开通,避免因电流振荡而导致的电磁干扰和器件损坏。


计算步骤
确定MOSFET的寄生电容Cgs。一般可在MOSFET的数据手册中查到,通常在几nF到几十nF之间。
估算驱动回路的感抗Lk。包含MOSFET引脚、PCB走线、驱动芯片引脚等的感抗,一般在几十nH左右。
根据LC振荡电路的特性,通过公式计算出驱动电阻Rg的下限值。LC振荡电路的阻抗公式为Z=Rg+j(XL-XC),其中XL=2πfLk,XC=1/(2πfCgs)。为了使系统处于过阻尼状态,即阻尼比大于1,需要满足Rg>2*(Lk/Cgs)^(1/2)。通过这个公式,可以计算出Rg的下限值。
注意事项
实际设计时,一般先根据公式计算出Rg下限值的大致范围,然后再通过实验,以驱动电流不发生震荡作为临界条件,得出Rg的下限值。因为实际电路中还存在其他因素,如PCB走线的寄生参数、驱动芯片的输出特性等,会对计算结果产生一定的影响。
(二)驱动电阻上限值的计算
计算原则
防止MOSFET关断时产生很大的dV/dt,使得MOSFET再次误开通。过大的dV/dt会在MOSFET的栅极与源极之间感应出电压,如果这个电压超过MOSFET的门槛电压,就会导致误开通。
计算步骤
确定MOSFET的寄生电容Cgd和门槛电压Vth。均可在数据手册中查到,Cgd一般在零点几nF到几nF之间,Vth一般在1V到5V之间。
估算MOSFET关断时漏源级电压的上升时间。该时间一般也在数据手册中可查,通常在几十ns到几百ns之间。
根据公式i=Cgd*(dV/dt)计算出在Cgd上产生的电流igd。其中,dV/dt可以通过漏源级电压的上升时间和电压变化量来估算,一般取dV/dt=Vds_rise/tr,其中Vds_rise为漏源电压的变化量,tr为上升时间。
再根据公式Vgoff=IgdxRg计算出在GS间产生的电压,确保该电压不高于MOSFET的门槛电压Vth。即Rg<=Vth/igd。
注意事项
通过以上步骤,可以计算出驱动电阻Rg的上限值。在实际应用中,还需要考虑其他因素,如开关损耗、EMI等,来进一步优化阻值的选取。例如,为了降低开关损耗,可能需要适当减小Rg的值,但同时要保证不超过上限值,以避免误开通。
四、MOS管驱动电阻的典型取值
MOS管的驱动电阻一般为几十欧姆。对于不同规格的MOS管,驱动电阻的选择有所不同:
高压小电流的MOS管:GS栅极驱动电阻一般取100Ω-500Ω。这类MOS管通常应用于高电压、小电流的电路中,如高压开关电源、电机驱动等。较大的驱动电阻可以有效地抑制dV/dt产生的误开通,同时对驱动电流的要求相对较低。
低压大电流的MOS管:GS栅极驱动电阻一般取10Ω-100Ω,其中20Ω和30Ω是比较常见的取值。低压大电流MOS管常用于低电压、大电流的电源转换电路中,如DC-DC变换器、电池充电器等。较小的驱动电阻能够快速地驱动MOS管开通和关断,降低开关损耗,提高转换效率。
在实际应用中,还需要根据具体的电路要求和MOS管的参数,通过实验和仿真来优化驱动电阻的取值,以达到最佳的电路性能。
〈烜芯微/XXW〉专业制造二极管,三极管,MOS管,桥堆等,20年,工厂直销省20%,上万家电路电器生产企业选用,专业的工程师帮您稳定好每一批产品,如果您有遇到什么需要帮助解决的,可以直接联系下方的联系号码或加QQ/微信,由我们的销售经理给您精准的报价以及产品介绍
〈烜芯微/XXW〉专业制造二极管,三极管,MOS管,桥堆等,20年,工厂直销省20%,上万家电路电器生产企业选用,专业的工程师帮您稳定好每一批产品,如果您有遇到什么需要帮助解决的,可以直接联系下方的联系号码或加QQ/微信,由我们的销售经理给您精准的报价以及产品介绍
联系号码:18923864027(同微信)
QQ:709211280