TDA2030功放电路,TDA2030单电源接法介绍
〈烜芯微/XXW〉专业制造二极管,三极管,MOS管,桥堆等,20年,工厂直销省20%,上万家电路电器生产企业选用,专业的工程师帮您稳定好每一批产品,如果您有遇到什么需要帮助解决的,可以直接联系下方的联系号码或加QQ/微信,由我们的销售经理给您精准的报价以及产品介绍
一、单电源OTL电路


(一)电路形式
单电源OTL功放电路采用单电源供电,并在电路中设置输出耦合电容。其中,电阻R5(150kΩ)与R4(4.7kΩ)共同决定了放大器的闭环增益。具体而言,R4的阻值越小,闭环增益则越大。然而,增益的提升是一把双刃剑,过大的增益容易引发信号失真问题,因此在设计过程中需要根据实际需求对增益进行合理调节,以在信号放大效果与保真度之间取得平衡。
(二)关键元件及作用
电路中接入电源与输出端之间的两个二极管,其主要功能是防止扬声器作为感性负载产生反冲现象,进而影响音质输出。此外,C3(0.22uF)电容与R6(1Ω)电阻的组合则针对感性负载(如喇叭)进行相位补偿,有效消除自激现象,确保电路稳定运行。该OTL电路通常采用36V单电源供电,能够输出约20W的功率,可满足一般音频播放设备的功率需求。
二、双电源OCL电路


(一)电路特点
双电源OCL功放电路的核心特征在于采用双电源供电模式,并且省略了输出耦合电容。这一设计使得电路在低频响应方面得到显著改善,有效提升了低频信号的还原能力,因此OCL电路被广泛应用于高保真音频设备中,能够为听众带来更加纯净、自然的音质体验。
(二)电源配置
在电源配置方面,双电源通常采用初级线圈中间点接地,上下电压对称相等的变压器。经过整流滤波等一系列处理后,形成±18V的对称双电源。在这样的电源支持下,OCL电路能够稳定输出20W的功率,为音频设备提供充足的能量保障,同时对称的电源设计有助于进一步降低电路噪音,提升音质的纯净度。
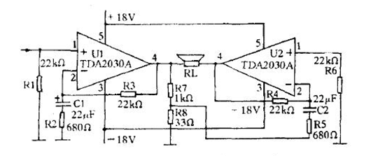
三、BTL形式功放电路


BTL功放电路以其独特的设计结构备受关注,其主要特点包括以下两个方面:
(一)电路组成
由两个完全相同的功放单元构成,这种对称的结构设计是BTL电路实现其高性能表现的基础。两个功放单元协同工作,相互补充,共同作用于输入信号,从而提升整个电路的输出功率和音质表现。
(二)信号输入要求
输入信号需要互为反相,这是BTL电路正常工作的关键条件之一。在实际电路设计中,通常利用放大器的同相输入端与反相输入端来实现这一要求。同时,为了确保电路的最佳性能,还需保证两个输入信号的幅度相同。通过这种方式,BTL电路能够充分发挥其优势,实现高效的信号放大和传输,为高功率、高品质的音频输出提供有力支持,满足专业音频设备对于功率和音质的严苛要求。
联系号码:18923864027(同微信)
QQ:709211280