TDA2030是Pentawatt®封装的单片集成电路,旨在用作低频AB类放大器。通常它在14V /4Ω时提供14W输出功率(d = 0.5%); 在±14V或28V时,4Ω负载的保证输出功率为12W,8Ω时的保证输出功率为8W。本文将TDA2030的引脚功能、参数、应用电路及注意事项。
1.引脚图及功能
TDA2030A音频功放电路,常采用V型5脚单列直插式塑料封装结构。如图1所示,按引脚的形状引可分为H型和V型。该集成电路广泛应用于汽车立体声收录音机、中功率音响设备,具有体积小、输出功率大、失真小等特点,并具有内部?;さ缏?。

图1 TDA2030引脚图
引脚功能表

2.功能框图

图2 TDA2030功能框图
3.主要特性
(1)输出电流大
(2)谐波失真小
(3)具有输出对地短路保护功能
(4)自动限制功耗,保护输出晶体管工作在安全工作区
(5)内置过热?;さ缏?/div>
(6)封装形式:FZIP5
4.极限参数

5.电气参数


6.典型功率驱动电路电参数

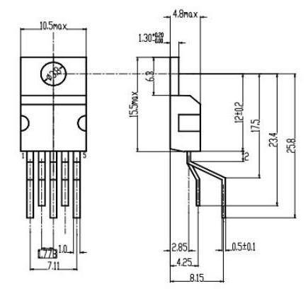
7.外形尺寸

图3 TDA2030外形尺寸
8.典型应用电路

图4 TDA2030应用电路1

图5 TDA2030应用电路2
9.注意事项
(1)TDA2030A具有负载泄放电压反冲?;さ缏?,如果电源电压峰值电压40V的话,那么在5脚与电源之间必须插入LC滤波器,二极管限压(5脚因为任何原因产生了高压,一般是喇叭的线圈电感作用,使电压等于电源的电压)以保证5脚上的脉冲串维持在规定的幅度内。
(2)与普通电路相比较,加散热片可以使其有更高的安全系数。万一结温超过时,也不会对器件有所损害,如果发生这种情况,Po=(当然还有Ptot)和Io就被减少。
(3)热保护:限热?;び幸韵掠诺?,能够容易承受输出的过载(甚至是长时间的),或者环境温度超过时均起保护作用。
(4)印刷电路板设计时必须较好的考虑地线与输出的去耦,因为这些线路有大的电流通过。
(5)装配时散热片与之间需要绝缘,引线长度应尽可能短,焊接温度不得超过260℃,12秒。
(6)虽然TDA2030A所需的元件很少,但所选的元件必须是品质有保障的元件。
电话:18923864027(同微信)
QQ:709211280
〈烜芯微/XXW〉专业制造二极管,三极管,MOS管,桥堆等,20年,工厂直销省20%,上万家电路电器生产企业选用,专业的工程师帮您稳定好每一批产品,如果您有遇到什么需要帮助解决的,可以直接联系下方的联系号码或加QQ/微信,由我们的销售经理给您精准的报价以及产品介绍
相关阅读