为了解决瞬态失真的问题,笔者将LM3886 功放典型应用电路改为电流负反馈型,用电阻把流过扬声器音圈的电流取样反馈给功放输入端,把扬声器系统也包含在反馈系统之内。
1.典型的功放电路
用LM3886制作的功率放大电路,它由前置和功放两部分组成。前置用一块集成运算放大器NE5534构成反相放大器,提供5倍左右的电压增益。后级功放则由LM3886担任,它提供约10倍的电压增益,因此只要在输入端输入约0.5V的信号即可达到满功率输出。图1只给出了LM3886双电源供电电路,它亦可以在单电源工作。从音质方面考虑,对音频音响功放电路一般不采用单电源而采用双电源。

图1 典型功放电路图
LM3886 的典型应用电路采用的是传统的电压负反馈模式。电压负反馈能改善功放的频率特性,降低非线性失真,但声音缺乏力度。随着音量的增大,低频会变得发紧、干硬,失真增加,同时高频变得尖刻、刺耳,音乐层次和清晰度大大降低,这就是通常所说的瞬态互调失其,主要是由于功放引入深度负反馈引起的。电压型负反馈对改善功放的非线性失真有效,但对瞬态失真却不能同时兼顾。
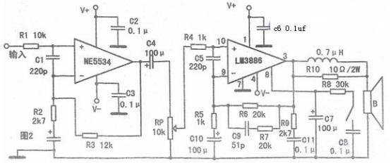
2.改进的功放电路
改进后的电路如图2所示。功放的低频谱益由R3 和R4 的比值决定,C3 和R5 决定功放的高频增益。由于C3在低频下的容抗较大,使电流反馈在低频终止,而高频则通过电流负反馈得到改善,结果是总的带宽得到改善,瞬态失真大大降低。反馈部分元件的取值应根据扬声器的阻抗和电感等参数作适当选择,使低频增益为高频增益的2~3 倍为佳。以往的功率放大器往往将频率特性设计为平坦型的,这并不能获得很好的音响效果。为了改善功率放大器的放音效果,应利用负反馈电路有意识地提升低频增益,才能达到最佳效果,这也符合当今家庭影院大动态音效的要求。

图2 基于LM3886的功放电路原理图
该机放音效果极佳。低频延伸增加,富有弹性;高频清晰、流畅,解析力大大提高,金属声荡然无存。即使音量比改动前提高一倍也没有听到明显的失真。
电话:18923864027(同微信)
QQ:709211280
〈烜芯微/XXW〉专业制造二极管,三极管,MOS管,桥堆等,20年,工厂直销省20%,上万家电路电器生产企业选用,专业的工程师帮您稳定好每一批产品,如果您有遇到什么需要帮助解决的,可以直接联系下方的联系号码或加QQ/微信,由我们的销售经理给您精准的报价以及产品介绍