一、双电源互补对称功率放大器(OCL 电路)

(一)电路结构概述
双电源互补对称功率放大器(OCL 电路)主要由 NPN 型晶体管 VT1、PNP 型晶体管 VT2 以及负载构成,其工作依赖于两组幅值相等且极性相反的正负电源。该电路中,输入信号 Ui 从 VT1 与 VT2 的基极输入,而负载一般用电阻 Rl 表示。其中,VT1 称为上功率输出管,VT2 称为下功率输出管。
(二)工作原理详解
当输入信号电压处于正半周时,VT1 会正向导通,与此同时 VT2 截止。此时,正电源 +VCC 通过 VT1 的集电极 - 发射极结(c-e 结),经负载 Rl 形成回路,于是在负载 Rl 上能够获取到放大后的正半周信号。反之,当输入信号电压处于负半周时,VT1 截止,VT2 则正向导通。此时,负电源 - VCC 经负载 Rl 与 VT2 的发射极 - 集电极结(e-c 结)流向负电源,进而在负载 Rl 上得到放大的负半周信号。正负半周信号在负载 Rl 上相互叠加合成完整的全波信号。该电路被命名为互补对称电路,正是因为 VT1 和 VT2 交替工作,二者相互补充,共同实现了对输入信号的完整放大。
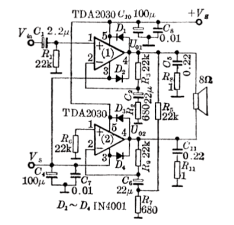
二、双电源供电 BTL 音频功放电路


双电源供电 BTL 音频功率放大器的典型构成是采用两块 TDA2030 芯片搭建而成的 BTL 功放电路。其中,TDA2030(1)被配置为同相放大器。输入信号 Vin 经交流耦合电容 CI 输入至同相输入端(①脚)。该电路的交流闭环增益计算公式为 Kvc① = 1 + R3/R2,通常情况下,当 R3 和 R2 取适当值时,交流闭环增益约为 30dB 左右。同时,R3 还在电路中起到构成直流全闭环组态的作用,这一设计有助于确保电路的直流工作点稳定,从而保障整个音频功放电路的稳定运行与信号的精准放大。
〈烜芯微/XXW〉专业制造二极管,三极管,MOS管,桥堆等,20年,工厂直销省20%,上万家电路电器生产企业选用,专业的工程师帮您稳定好每一批产品,如果您有遇到什么需要帮助解决的,可以直接联系下方的联系号码或加QQ/微信,由我们的销售经理给您精准的报价以及产品介绍
联系号码:18923864027(同微信)
QQ:709211280