电池和交流电源之间的平稳电源的切换过程要求尽量避免用户干预、保证能量损失最少,尽可能不在电池供电回路中插入串联元件,以免在电池电压较低时电流回路中引起额外的电压降,从而降低总体转换效率。
尽可能减小电池电流回路中的电阻,可有效地延长电池寿命。当接入交流电时,任何由电池供电的DC/DC电路应从电池中吸取电流最小。
1.采用二极管隔离
交流电与电池构成的双电源供电体系,进行电源切换的最简单的方法就是利用两个肖特基二极管隔离两种电源,如图1所示。
这种电路要求交流适配器的输出电压必须高于电池DC/DC变换的输出电压。当接入交流适配器时,二极管VD2被反偏,禁止电流从电池流向负载。当去掉交流电源时,二极管VD1可防止电流从电池流入适配器。
这种方案设计简单,占用印制电路板面积小。但它存在两个缺点:VD2的正向电压(大约为0.4V)降低了DC/DC的输出电压,如果输出电压低于启动电压,该方案将不适用;
另外,VD2的正向电压也浪费了电池的功率,二极管VD2所耗散的功率等于负载电流乘以正向压降。

图1 用二极管隔离的交直流切换电路
2.利用MOSFET开关
在图2中,用一个P沟道MOSFET代替图1中的二极管VD2。切换到电池时,MOS-FET导通,电池向负载供电。接入交流适配器时,MOSFET的栅极电压高于其源极电压,处于关断状态,从而切断了电池与负载的连接。
对100mA的负载电流,一个导通电阻为50mΩ的P沟道MOSFET的电压降为0.5mV,耗电仅0.5mW。而图1所示的二极管配置方式,电压降为400mV,功率损耗为40mW。MOSFET的导通电阻依赖于它的栅极偏置。
在图2中,当去掉交流电源时,MOSFET的栅极电压为零,源极为电池电压。MOSFET的导通电阻应在此偏压下足够低,保证在最大负载电流下能够获得所期望的输出电压。因此,应尽量选用低阈值的MOSFET管。

图2 采用MOSFET的交直流切换电路
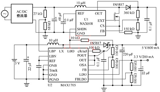
3.使用带交/直流切换的双输出集成IC
在图3所示的电源设计方案中,有两个输出电压:5V/600mA和3.3V/200mA,其输入可以是交流电源或2节电池。
此方案避免了以上两图中的一些缺点,特别是在电池供电回路中省去了二极管或MOSFET。U1(MAX608)是一个开关式DC/DC升压转换器,它的输入是未经稳压的直流(2~5V)输出为5.1V的稳定电压。
另一个开关型升压转换器(U2)内含线性稳压器,它由转换器的升压输出供电。将U1的输出设置为5.1V的目的是为了确保U1的输出高于U2的输出,另外,为保证在交流适配器供电时由U1为U2的线性稳压器供电,需要将U1和U2的输出连接在一起。
U1可以提供300mA的负载电流,其效率为95%。在内置线性稳压器输出3.3V时,可提供200mA电流。为了防止电池的电流流入U1,当去掉交流适配器时,U2的LBI/LBO比较器关闭U1。
若电池和交流电源一起供电,在U2的反馈端测得输出电压高于它的稳压值时将一直保持在空闲模式。

图3 有交流切换功能的双输出DC/DC方案
以上,就是几种符合上述要求的电源转换技术方案。
电话:18923864027(同微信)
QQ:709211280
〈烜芯微/XXW〉专业制造二极管,三极管,MOS管,桥堆等,20年,工厂直销省20%,上万家电路电器生产企业选用,专业的工程师帮您稳定好每一批产品,如果您有遇到什么需要帮助解决的,可以直接联系下方的联系号码或加QQ/微信,由我们的销售经理给您精准的报价以及产品介绍