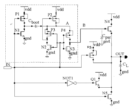
一、驱动电路架构


本MOS管驱动电机电路采用Totem输出结构,其中上拉驱动管组合包含NMOS管N4、晶体管Q1以及PMOS管P5,下拉驱动管则由NMOS管N5担纲。电路中,CL表征负载电容,Cpar则为B点所关联的寄生电容。值得注意的是,虚线框标记的区域为自举升压电路???。
二、电路设计逻辑
高电平驱动原理:借助自举升压结构巧妙抬升上拉驱动管N4的栅极(B点)电位,使其超越VDD+VTH,迫使NMOS管N4进入线性工作区域,进而显著削减VDSN4。最终,驱动输出高电平顺利达到VDD标准。
低电平驱动优势:在输出低电平时,下拉驱动管凭借自身特性即可工作在线性区,无需额外自举电路辅助,便能确保输出低电平稳定在GND水准,精准达成设计既定目标。
三、电机正反转控制策略
采用“双继电器+NMOS”驱动布局,选用SPDT(单刀双掷)继电器达成电机正反转控制。




(一)电机正转控制
当DO1处于低电平(0V)、DO2给出高电平(5V),同时PWM1端输入约10V直流电压(促使MOS管导通)时,继电器K1被激活,其接点A2与A1接通;而继电器K2保持静止,接点B2依旧与B3连接。此时,电流从A1出发,经由A2、负载电机端、B2、B3,最终经MOS管的D-S通道流向GND,驱动电机正向旋转。
(二)电机反转控制
反之,若DO1变为高电平(5V)、DO2切换至低电平(0V),且PWM1端持续输入约10V直流电压(保障MOS管导通),继电器K1不动作,接点A2与A3维持连接;继电器K2则被触发,接点B2与B1接通。电流流向随即调整为从B1开始,经B2、负载电机端、A2、A3,再通过MOS管的D-S通道汇入GND,实现电机反向运转。
(三)电机停转控制
当DO1、DO2同时保持低电平(0V),且PWM1端输入低电平0V(致使MOS管关断),电机随即停止转动。此时,电机借助B2-B3-A3-A2回路释放停转瞬间感应电流,以防感性负载引发异常。
(四)电机调速控制
若PWM1端输入信号由固定直流电压转变为幅值10V、占空比在0-100%范围可调的PWM脉冲,便可实现对电机转速的精准调节控制。
四、电路保护与器件选型要点
二极管?;すδ埽旱缏分蠨1、D2二极管在继电器线圈断电瞬间,为感应电流提供泄放回路,避免线圈电压突变对电路造成冲击。
MOS管开通速度调节:MOS管G极串联10R电阻,用于调控MOS管的开通速率,电阻值增大,开通速度相应减缓;反之,电阻值减小,开通速度提升。同时,MOS管GS端的10K电阻确保G极未受驱动信号控制时,MOS管可靠截止,杜绝误触发风险。
(一)继电器选型准则
继电器选型需依据电机额定功率/容量来定。其接点电压应不低于电机额定电压的1.2倍,接点电流需不小于电机额定电流的3倍,以充分保障继电器在电机运行过程中的可靠切换。
(二)MOS管选型要点
MOS管的VDS选型需至少达到电机额定电压的2倍,ID则至少要能承受电机额定电流的4-5倍。鉴于电机启动瞬间电流可达额定电流的3倍左右,在满足上述条件下,优先选择RDS较小的MOS管,这有助于降低管子发热量,但需权衡发热量与成本,做出综合决策。
〈烜芯微/XXW〉专业制造二极管,三极管,MOS管,桥堆等,20年,工厂直销省20%,上万家电路电器生产企业选用,专业的工程师帮您稳定好每一批产品,如果您有遇到什么需要帮助解决的,可以直接联系下方的联系号码或加QQ/微信,由我们的销售经理给您精准的报价以及产品介绍
〈烜芯微/XXW〉专业制造二极管,三极管,MOS管,桥堆等,20年,工厂直销省20%,上万家电路电器生产企业选用,专业的工程师帮您稳定好每一批产品,如果您有遇到什么需要帮助解决的,可以直接联系下方的联系号码或加QQ/微信,由我们的销售经理给您精准的报价以及产品介绍
联系号码:18923864027(同微信)
QQ:709211280