一、DC-DC 转换器工作原理
DC-DC 转换器是一种基于开关电源技术的电路,其主要功能是实现直流电压的升降转换。该转换器巧妙地利用了电容和电感的储能特性,在高频开关器件(例如 MOSFET)的配合下完成电能的转换与传输过程。
当开关导通时,输入电压会对电容或电感进行充电,从而将电能储存起来,这一过程被称为储能阶段。随后,在开关断开时,之前储存于电容或电感中的能量便会释放给负载,为负载提供所需的电压和电流,此为能量释放阶段。而通过精确地调整开关的导通和断开时间比例,也就是占空比,可以有效地控制输出电压的高低。具体而言,占空比越大,输出电压越高;反之,占空比越小,输出电压则越低。
二、DC-DC 转换器应用实例
(一)DC5V 转 DC5V(隔离)


B0505LD 是一款内部高度集成的隔离电源模块,其输入电压范围较窄,限定在 DC4.5V-DC5.5V 之间,能够稳定地输出 DC5V 电压,并且实现了输入与输出之间的隔离,这在许多需要电气隔离的应用场景中具有重要意义。
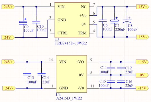
(二)DC24V 转 DC15V


URB2415D 和 A2415D 均为高度集成的电源??椋视糜?DC 电源转换场景。在这些电源模块中,输入与输出两端的电容发挥着至关重要的作用,一方面用于储能,以保证电能的稳定供应;另一方面用于滤波,以提高输出电压的纯净度和稳定性,从而为负载提供高质量的直流电源。
(三)DC24V 转 DC8V


BD9673EFJ 是一种 DC-DC 电源转换芯片或 IC 稳压器,具有较宽的输入电压 VCC 范围,从 DC7V 至 DC42V 均能正常工作,其输出电压 VOUT 的范围则为 DC1V 至 0.7×VCC。输出电压的计算公式为 VOUT=(R4+R7)÷R7×1.0V。
该芯片的引脚功能如下:
Lx :外接电感输入引脚,用于连接外部电感元件,构成 LC 滤波电路,对输出电压进行平滑处理,降低纹波系数,提高输出电压的稳定性。
GND :接地引脚,为芯片提供参考地,确保芯片内部电路的正常工作和电平的准确性。
VC :误差放大器输出引脚,主要用于反馈控制环路中,输出误差放大信号,以便精确调节输出电压,使其保持在设定值附近。
FB :输出反馈引脚,用于采样输出电压,并将其反馈至芯片内部的控制电路,与内部基准电压进行比较,从而实现对输出电压的闭环控制。
SYNC :信号同步引脚,可与外部时钟信号同步,确保多个 DC-DC 转换器在同一频率下工作,避免相互干扰,提高系统的电磁兼容性。
EN :备用通 / 断引脚,通过控制该引脚的电平状态,可以实现芯片的开启或关闭,为系统提供灵活的电源管理方案。
BST :高压侧 FET 驱动器的电源引脚,为内部高压侧功率 MOSFET 的驱动电路提供电源,确保其能够正常工作,实现高效的电能转换。
VCC :电源输入引脚,用于接入输入电压,为芯片内部电路和驱动电路提供工作电源,是整个 DC-DC 转换器正常运行的基础。
〈烜芯微/XXW〉专业制造二极管,三极管,MOS管,桥堆等,20年,工厂直销省20%,上万家电路电器生产企业选用,专业的工程师帮您稳定好每一批产品,如果您有遇到什么需要帮助解决的,可以直接联系下方的联系号码或加QQ/微信,由我们的销售经理给您精准的报价以及产品介绍
联系号码:18923864027(同微信)
QQ:709211280