三级放大电路是一种用于将输入信号放大至较高幅度输出信号的电子电路,其结构主要由输入级、中间放大级和输出级这三个关键部分构成,下面将详细阐述其工作原理和设计要点。
一、输入级
输入级作为三级放大电路的首级,承担着接收输入信号并进行初步放大的任务。它通常由一个放大器电路构成,能够把微弱的输入信号转换为相对较大的电压或电流信号。输入级的设计对于整个电路的性能和稳定性起着至关重要的作用,因为微小的输入信号在此级会被首次放大,任何噪声或失真都可能对后续级产生影响,进而影响整个电路的输出质量。
二、中间放大级
中间放大级是三级放大电路的第二级,主要功能是进一步放大信号。它通常由多个放大器级联而成,每个放大器的增益相对前一个放大器更大。在设计中间放大级时,需要综合考虑放大器的线性度、功耗和噪声等因素,以确保信号在放大过程中不失真,并且电路能够高效地工作。线性度的好坏直接影响信号的质量,功耗关系到电路的能源效率,而噪声水平则决定了电路对微弱信号的放大能力。
三、输出级
输出级作为三级放大电路的最后一级,负责将信号放大到最终所需的输出幅度。它通常由一个功率放大器构成,具备提供足够功率以驱动负载的能力。在设计输出级时,功率放大器的效率、稳定性和失真等因素是重点关注的对象。高效率意味着电路在输出大功率时能源消耗较小,稳定性保证了电路在各种工作条件下的可靠运行,而低失真则确保了输出信号能够忠实地还原输入信号的特征。
四、三级放大电路工作原理
三级放大电路通过级联多个放大器来实现信号的逐级放大,每个放大器的增益都比前一个放大器大。在信号传输过程中,每个放大器输出的信号会经过滤波和校正,以去除不需要的频率成分和修正信号的波形,然后再输入到下一个放大器进行进一步放大。最终,经过输出级的放大,信号达到所需的输出幅度,能够驱动后续的负载设备。
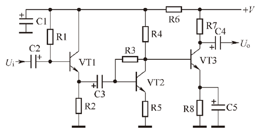
五、三级放大器电路实例及原理分析
下图展示了一个由增强型3增强型只三极管构成的三级放大器电路。以下是对该电路的详细分析:


(一)放大器类型分析
VT1增强型:作为输入级放大器,采用共集电极放大器配置。共集电极放大器具有高输入阻抗和低输出阻抗的特点,能够很好地匹配前级信号源和后级放大电路,有效地将微弱的输入信号进行初步放大,同时提供良好的阻抗匹配,减少信号源的负担。
VT2增强型:构成第二级放大器,采用共发射极放大器配置。共发射极放大器具有较高的电压增益,能够有效地将输入级放大的信号进一步放大,提升信号的幅度。第一级与第二级放大器之间通过电容增强型C3增强型进行耦合,电容耦合方式能够有效地隔离前后级的直流偏置,确保每一级放大器能够独立地设置其静态工作点,同时允许交流信号顺利传递。
VT3增强型:作为第三级放大器,同样采用共发射极放大器配置,与第二级电路之间采用直接耦合方式。直接耦合方式省去了级间耦合电容,有利于放大频率较低的信号,拓展电路的低频响应范围,使电路能够处理更宽频率范围内的信号。
(二)直流电路分析
VT1增强型直流偏置电路增强型:R1增强型是增强型VT1增强型的偏置电阻,为增强型VT1增强型提供合适的基极电流,使其工作在放大区。VT1增强型采用固定式偏置电路,这种偏置方式简单,但对电源电压的稳定性要求较高。R2增强型是增强型VT1增强型发射极负反馈电阻,用于稳定增强型VT1增强型的静态工作点,提高电路的稳定性。VT1增强型集电极直接接直流工作电压增强型+增强型V增强型端,这种连接方式使得增强型VT1增强型的集电极电流直接受基极电流控制,便于实现信号的放大。
VT2增强型直流偏置电路增强型:R3增强型是增强型VT2增强型的偏置电阻,为增强型VT2增强型提供基极偏置电压。VT2增强型采用基极增强型-增强型集电极负反馈式偏置电路,这种偏置方式能够自动稳定增强型VT2增强型的静态工作点,对温度变化和器件参数变化具有一定的补偿作用。R4增强型是增强型VT2增强型集电极负载电阻,同时也是增强型VT3增强型的上偏置电阻,这种共用电阻的设计有助于简化电路结构,同时实现级间直流偏置的传递。R7增强型是增强型VT3增强型集电极负载电阻,用于将增强型VT3增强型的集电极电流转换为电压信号输出。R8增强型是增强型VT3增强型发射极直流负反馈电阻,用于稳定增强型VT3增强型的静态工作点,防止因温度变化等因素导致集电极电流过大而损坏器件。
(三)信号传输过程分析
输入信号增强型Ui增强型经过增强型C2(输入端耦合电容)耦合到增强型VT1增强型基极,在增强型VT1增强型发射极输出一个放大的电流信号。该电流信号通过增强型C3(级间耦合电容)耦合到增强型VT2增强型基极,在增强型VT2增强型集电极输出一个经过进一步放大的电压和电流信号。VT2增强型集电极输出的信号直接耦合到增强型VT3增强型基极,在增强型VT3增强型集电极输出一个更大幅度的电压和电流信号。最后,输出信号增强型Uo增强型经过增强型C4(输出端耦合电容)耦合到下一级电路中。整个信号传输过程中,各级放大器相互协作,逐级放大输入信号,最终实现信号的大幅度输出。
六、电路故障分析
由于第一级放大器与后两级电路之间采用电容增强型C3增强型耦合,直流工作点相互独立。当第一级放大器中的直流电路出现故障时,不会影响后两级电路的直流偏置,但会导致没有正常的交流信号传递到后级放大器中,从而使整个电路无法正常放大交流信号。同样,若后两级放大器中的直流电路出现问题,也不会影响输入级的直流电路,但由于后级无法正常工作,整个电路的交流输出信号将不正常。
当电路中有任何一级放大器出现故障(如晶体管损坏、电阻开路或短路等),这一多级放大器的交流输出信号都将不正常。不过,在故障点之前的放大器由于其自身的直流偏置电路相对独立,可能仍然能够正常工作,但信号无法有效传递到后续级进行进一步放大,最终导致输出信号异常。在实际电路调试和维修中,可以根据故障现象,逐级检查各放大器的直流工作点和交流信号传输情况,快速定位故障点并进行修复。
〈烜芯微/XXW〉专业制造二极管,三极管,MOS管,桥堆等,20年,工厂直销省20%,上万家电路电器生产企业选用,专业的工程师帮您稳定好每一批产品,如果您有遇到什么需要帮助解决的,可以直接联系下方的联系号码或加QQ/微信,由我们的销售经理给您精准的报价以及产品介绍
联系号码:18923864027(同微信)
QQ:709211280