三极管单级放大电路在电子电路中是应用最多的单元电路。三极管单级放大电路有共基极放大器、共发射极放大器、共集电极放大器3 种。
方法与技巧
区别这3 种放大器的最简单方法就是查看放大管的交流接地引脚,就可以确认放大器的种类,比如,放大管的发射极交流接地,则该放大器就是共发射极放大器。
1.共发射极放大器
共发射极放大器是应用最广泛的放大器。所谓的共发射极放大器就是信号输入和信号输出都要依靠发射极完成的放大器。图6-1所示是一种典型的共发射极放大器。在该放大器内,VT 是放大管,C1 是输入信号耦合电容,C2 是输出信号耦合电容,R1、R2 是VT 基极的直流偏置电阻,R3 是VT 的集电极负载电阻,VCC 是供电电压,Ui 是输入信号,Uo 是输出信号。

图6-1 共发射极放大器及信号波形
(1)直流偏置
供电电压VCC 通过R1、R2 分压后,加到VT 的基极,为基极提供直流偏置电压,基极电压Ub≈VCCR2 /(R1 + R2)。流过R1 的电流分两路到地:一路通过R2 到地,另一路通过VT 的发射结到地。
(2)信号放大过程
输入信号Ui 经C1 耦合到VT 的基极,使VT 的基极电流Ib 随Ui 变化而变化,致使VT 的集电极电流Ic 随之变化,并且变化量为βIb。Ic 在R3 两端产生随之变化的压降U3,而VCC 减去U3 就是VT 的集电极电压Uc。因此,Uc 与Ui 的相位相反,也就是说,该放大器属于倒相放大器。Uc 经C2 耦合后得到交流输出信号Uo。
通过以上分析可知,共发射极放大器不仅有电流放大功能,而且还有电压放大功能。
2.共集电极放大器
共集电极放大器也是应用十分广泛的一种放大器。图6-2所示是一种典型的共集电极放大器。在该放大器内,VT 是放大管,C1 是输入信号耦合电容,C2 是输出信号耦合电容,R1 是VT 基极的直流偏置电阻,R2 是VT 的发射极电阻,VCC 是供电电压,Ui 是输入信号,Uo 是输出信号。

图6-2 共集电极放大器及信号波形
提示
前面我们曾介绍过,放大器哪个极交流接地,该放大器就属于哪类放大器,有的读者可能要问,图6-2 中的VT 的集电极并未接地,它怎么就是共集电极放大器呢?这是因为电源VCC 的内阻较小,并且电源两端都会接有大容量的滤波电容,所以电源在交流状态下相当于短路。因此,VT 的集电极是通过电源VCC 及其滤波电容接地的。
(1)直流偏置
电源电压VCC 通过R1 限流加到VT 的基极,为基极提供直流偏置电压?;缌鱅b≈(VCC-Ube)/[R1+(1+β)R2],基极电流回路是:VCC→R1→VT 的发射结→R2→地。
(2)信号放大
输入信号Ui 经C1 耦合到VT 的基极,使VT 的基极电流Ib 随Ui 变化而变化,致使VT 的发射极电流Ie 随之变化,并且变化量为(1 + β)Ib。Ie 在R2 两端产生随之变化的压降U2。U2 经C2 耦合后得到交流输出信号Uo。由于Uo 与Ui 的相位相同,所以该放大器也叫射极跟随放大器,简称射极跟随器。
通过以上分析可知,共集电极放大器的输入信号Ui 是从放大器的基极、发射极之间输入的,输出信号Uo 取自发射极。由于U2 等于Ub−0.6V,所以该放大器仅有电流放大功能,而没有电压放大功能。
提示
由于共集电极放大器具有输入阻抗高、输出阻抗低的优点,所以在多级放大电路中,通常利用共集电极放大器将前级和后级放大器进行隔离,由它对信号进行缓冲放大,以免前、后级放大器互相影响。又因共集电极放大器具有电流放大功能,所以不仅串联稳压电源采用此类放大器,而且有的多级放大电路的末级放大器也采用此类放大器。
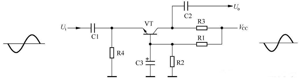
3.共基极放大器
共基极放大器的应用较前两种放大器要少得多。图6-3所示是一种典型的共基极放大器。在该放大器内,VT 是放大管,C1 是输入信号耦合电容,C2 是输出信号耦合电容,C3 是基极的交流接地电容,R1、R2 是VT 基极的直流偏置电阻,R3 是VT 的集电极负载电阻,R4是VT 的发射极电阻,VCC 是供电电压,Ui 是输入信号,Uo 是输出信号。

图6-3 共基极放大器及信号波形
(1)直流偏置
电源电压VCC 不仅通过R3 加到VT 的集电极,为它供电,而且通过R1、R2 分压后,加到VT 的基极,为基极提供直流偏置电压,Ub≈VCCR2/(R1+R2)。流过R1 的电流分两路到地:一路是通过R2 到地,另一路是通过VT 的发射结、R4 到地。
(2)信号放大
输入信号Ui 经C1 耦合到VT 的发射极,使VT 的发射极电流Ie 随Ui 变化而变化,致使VT 的集电极电流Ic 随之变化。Ic 在R3 两端产生随之变化的压降U3,而VCC 减去U3 就是VT 的集电极电压Uc。因为Uc 与Ui 同步变化,所以相位相同。Uc 经C2 耦合后得到交流输出信号Uo。
提示
共基极放大器具有高频特性好的优点,但也存在输入阻抗小和输出阻抗大的缺点。因此,该放大器主要应用在高频信号放大电路。
烜芯微专业制造二极管,三极管,MOS管,桥堆等,20年,工厂直销省20%,1500家电路电器生产企业选用,专业的工程师帮您稳定好每一批产品,如果您有遇到什么需要帮助解决的,可以直接联系上方的联系号码或加QQ,由我们的销售经理给您精准的报价以及产品介绍
烜芯微专业制造二极管,三极管,MOS管,桥堆等,20年,工厂直销省20%,1500家电路电器生产企业选用,专业的工程师帮您稳定好每一批产品,如果您有遇到什么需要帮助解决的,可以直接联系上方的联系号码或加QQ,由我们的销售经理给您精准的报价以及产品介绍