一、电路基本构成与工作原理
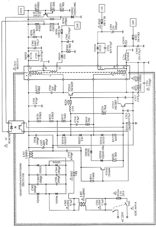
单管自激电路的核心是开关管,可选用三极管或场效应管。在此设计中,采用三极管 VT513 作为开关管,其同时承??睾驼竦垂δ?,省去了独立的控制电路。
接通市电后,220V 交流电经 VD503~VD506 整流和 C507 滤波,在 C507 两端产生约 300V 的直流电压。该电压通过开关变压器 T511 的 3-7 绕组施加到 VT513 的集电极。同时,该直流电压经启动电阻 R520~R522、R524 为 VT513 的基极提供启动电流,确保 VT513 导通。T511 绕组 3-7 中的电流产生感应电压,反馈绕组 1-2 也感应出正反馈电压,经 R519、C514、R524 加至 VT513 的基极,促使 VT513 快速饱和导通。
随着 C514 充电,VT513 基极电位逐渐降低,VT513 退出饱和区,电流增益 β 减小。T511 的 1-2 绕组感应出相反相位的电压,使 VT513 快速截止。VT513 截止后,T511 的 1-2 绕组无感应电压,300V 直流电压经 R520~R522 对 C514 反向充电,VT513 基极电位逐渐升高,VT513 重新导通,再次进入饱和状态,电路持续振荡。


从开关变压器 T511 的同名端标识可见,这是一个反激型开关电源。VT513 导通时,T511 的 3-7 次绕组感应电压为 3 正、7 负,二次绕组 11-12 感应电压为 11 正、12 负,VD552 截止,能量存储于一次绕组 3-7。VT513 截止时,存储的能量经二次绕组、VD552 整流和 C561 滤波后向负载供电。
二、稳压控制机制
自激式单管开关电源的稳压控制原理与他激式开关电源一致,通过调节开关管的导通时间实现稳压。其稳压电路形式多样,包括直接取样和间接取样稳压电路。
本例中,稳压电路主要由 VT553、VD561、R552、RP551、R553、VT511.IC、VT512 及周边元件构成,采用直接取样方式。当负载变轻导致输出电压 120V 上升时,取样电路 R552、RP551、R553 的分压升高,误差放大管 VT553 的基极电位上升。由于发射极被 VD561 钳位,VT553 的集电极电位下降,光电耦合器 IC 内发光二极管电流增大,发光强度增强。光敏三极管集电极 - 发射极间电阻减小,VT511 的基极 - 集电极间电阻降低,VT511 基极电位下降,集电极电压上升,VT512 导通程度增加,VT513 基极电流被分流,导通时间缩短,提前截止,脉宽减小,输出电压下降。反之,若输出电压下降,过程相反。
三、保护电路设计
自激式开关电源的?;さ缏吠ǔS煞至⒃钩?。本例中包含以下?;すδ埽?/div>
(一)市电输入电压过高?;?/div>
该?;さ缏酚?VD518、VD519、R523 及 VT512 组成。市电正常时,VD518、VD519 对 VT512 无影响。市电过高时,300V 电压升高,T511 的 3~7 绕组电流增大,反馈绕组 1 端感应正电压升高。当 1 端电压达到一定值时,VD518 使 VD519 击穿,T511 的 1 端正反馈电压经 VD518、VD519、R523 和 VT512 发射极短路到地,正反馈停止,VD513 停振,实现市电过压?;ぁ?/div>
(二)电源电路输出电压过压?;?/div>
当 120V 主输出电压过高时,负载电压使光电耦合器 IC 发光二极管发光强度大幅增加,光敏三极管集电极 - 发射极间电阻显著降低,VT512 饱和导通,VT513 基极接地停振,电源无输出。
〈烜芯微/XXW〉专业制造二极管,三极管,MOS管,桥堆等,20年,工厂直销省20%,上万家电路电器生产企业选用,专业的工程师帮您稳定好每一批产品,如果您有遇到什么需要帮助解决的,可以直接联系下方的联系号码或加QQ/微信,由我们的销售经理给您精准的报价以及产品介绍
联系号码:18923864027(同微信)
QQ:709211280
- 上一篇:三级放大器,三级放大电路原理图介绍
- 下一篇:最后一页
相关阅读
最新资讯
- 自激式开关电源电路,单管自激电路图介绍
- 三级放大器,三级放大电路原理图介绍
- 稳压器电路图原理图,稳压电源电路介绍
- 开关电源原理图解析,开关电源电路图介绍
- 限流电路图,限流恒流电路原理介绍
- 集成电路封装介绍,集成电路封装流程
- 电阻率单位详解,电阻率单位换算介绍
- 电动车控制器电路原理图文介绍
- 双向电平转换电路工作原理介绍
- 电压反馈电路,原理图与工作原理分析介绍
联系烜芯微
咨询热线:
18923864027
传真:
18923864027
QQ:
709211280
地址:
深圳市福田区振中路84号爱华科研楼7层