振荡电路犹如电路系统的心脏,高度稳定的振荡单元如晶振是计算机工作的基本条件和重要保障。实用的振荡电路形式比较多样,功能各有不同,但振荡产生的原理基本一致,下面我们来分析最简单的振荡电路-单管自激振荡电路,以了解其工作原理和过程。
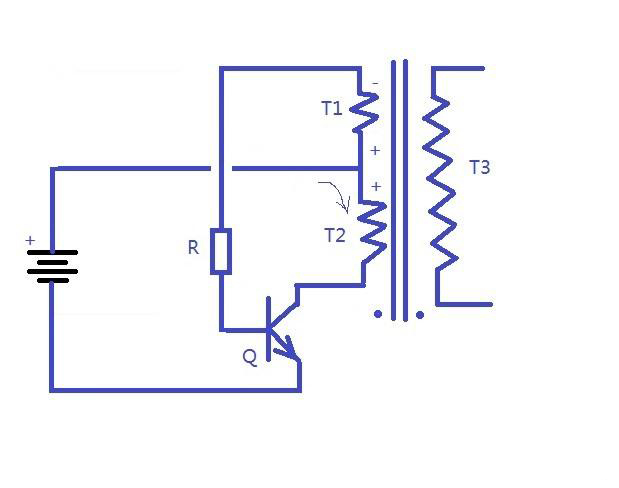
电路应用了三极管的两个基本功能:弱电流放大和电路开关,运用电感线圈的储能和反电动势性质,构成最简单的自行振荡电路。

电源刚接入电路时,电流上升
如上图,电源刚被接通时,三极管Q的基极获得正向电压,三极管导通,三极管Q的集电极经线圈T2流过的电流快速增大,此时三极管为放大状态;T2线圈的反向感应电动势较高,抵消掉T1的反向电动势后仍使得三极管基射极电压UBE升高,UBE升高又会加大T2电流使三极管快速奔向饱和导通状态。当T2电流(集射极电流)接近饱和增速减慢时,T2感生电动势逐渐降低,UBE回落,IBE降低,因此时三极管仍在放大状态,ICE随IBE降低,T2和T1产生反向感生电动势,如下图:此时T1电动势与电源同向,所以UBE下降较上升时缓慢。
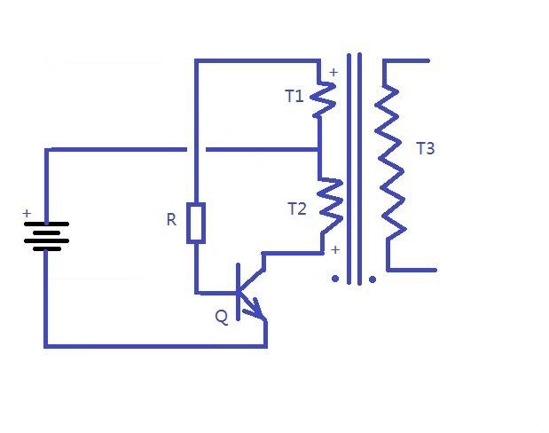
当UBE下降至PE结开启电压0.7伏以下时,三极管截止,ICE急剧下降,T2反向电动势达到最高,同样抵消掉T1的感生电动势和电源电压后将基极电位拉至负向最低,使得三极管截止更加可靠。当ICE接近0时,降幅减弱,T2感生电动势减小直至不能抵消电源的电压,电源的正向电压逐渐加在基极,当UBE大于0.7伏后,三极管重新进入导通状态,下一个振荡周期开始。

基极电压下降至0.7伏以下,三极管截止
以上过程可用下图的UBE和UCE的波形图进行描述,需要注意的就是UCE和ICE的上升和下降方向是相反的。振荡周期T=t1+t2+t3:
t1是通电初始,三极管处于放大状态,此时三极管加速向饱和状态靠拢;
t2是从接近饱和状态又返回放大状态,此时ICE因接近饱和增幅下降,UBE因T2反向电动势逐渐减小而降低,三极管返回放大状态,UBE下降,IBE减小,ICE开始下降,UCE逐渐上升;
t3是UBE降至0.7伏以下,三极管进入截止状态,ICE急剧下降,T2反向电动势最大,将UBE拉至负向,截止加深。ICE接近零时,降幅变小,T2反向电动势减小,当不足以抵抗电源电压,而使UBE上升至0.7伏时,第二个周期开始。

烜芯微专业制造二极管,三极管,MOS管,桥堆等,20年,工厂直销省20%,1500家电路电器生产企业选用,专业的工程师帮您稳定好每一批产品,如果您有遇到什么需要帮助解决的,可以直接联系上方的联系号码或加QQ,由我们的销售经理给您精准的报价以及产品介绍