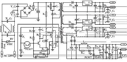
自激式多路输出稳压开关电源设计原理:下图是自激式多路输出稳压开关电源的原理图。
图中X1_C1 、X1_C2 、Y_C1 、Y_C1及L 组成EMI 电路,用来滤除电网中的共模差模信号,同时避免开关电源对电网造成污染。L 为共模扼流圈,共模扼流圈是开关电源、变频器、UPS 电源等设备中的一个重要部分。
当工作电流流过两个绕向相反的线圈时,产生两个相互抵消的磁场,如果有共模干扰信号流过线圈时,线圈对共模信号即呈现出高阻抗,产生很强的阻尼效果,达到衰减干扰信号作用。
X1_C1 、X1_C2 、Y_C1及Y_C2为安规电容,其中X1_C1与X1_C2为X 安规电容,Y_C1和Y_C2为Y 安规电容,它们用在电源滤波器里,与L 起到电源滤波作用,分别对共模,差模工扰起滤波作用。
安规电容的特性是电容器失效后,不会导致电击穿,不危及人身安全。RV为压敏电阻,具有防雷作用,也可用TVS(瞬态电压抑制器),由于压敏电阻具有良好的非线性特性、通电流大、残压水平低、动作快和无续流等特点,被广泛用于电子设备防雷。
开关电源系统压敏电阻相当于D 级防雷器,对于220V线路,压敏电阻的选取为,220×1 .4×1 .4=430 V,所以压敏电阻选型为470 V。
RT 为热敏电阻,开机时,220 V交流电经过整流后对大电容充电,而电容的特性是瞬间充电电流为最大,从而对前边的桥和保险丝带来冲击,容易造成器件上电时损坏,为了提高电源设计的安全系数,常在保险之后加入电阻进行限流,电阻越大时,虽然限流效果好,但是电阻消耗的电能也是很大的,开关电源启动后,限流电阻已没有作用,反而浪费电力。
为了达到较好限流效果而又省电,现在的开关电源经常采用负温度热敏电阻作限流使用,吸收浪涌电流。负温度热敏电阻的特性是,温度越高,电阻越小。
为了减小电源体积及复杂度,此处避免了使用继电器等组成的防浪涌电路,经过试验,达到了非常好的效果。变压器T,RCD(R2 ,C1 ,D1 )吸收电路及开关管构成了此电源的能量转换电路,本电路采用单端反激,是一种比较成熟的电源变换电路,变压器既作为隔离器件,又作为储能器件。
此变压器采用EI 骨架,初级线圈电感量在1 .2 ~1 .3 mH 之间,在绕制变压器时,自激绕组要靠外圈,初级绕组分两组叠加,一组在内,一组在外,可防止磁通饱和影响电源效率。
此变压器属于常规变压器,不再多述,开关管的选取要注意漏源级的耐压,最大工作电流,导通电阻,耗散功率及一些开关时间等。RCD 吸收电路的功能是吸收因变压器初级绕组在工作时产生的自感电势,避免在开关管集电极截止瞬间出现过高的反峰高电压损坏开关管而设的。
开关管工作时一直处于导通与截止,循环工作,所以吸收回路一直是有电流通过的,这个电流的大小随开关电源的功率大小而不同,使得吸收回路的元器件取值也不一样,RCD 吸收电路中的R 值如过小,就会降低开关电源的效率。
然而,如R 值过大,MOS管就存在着被击穿的危险。本电路选用10 kΩ/2 W,电容选用0.01 μF/1 kV,D1选用耐压1 kV的HER107 。输出电路主要包含整流滤波,三端稳压器及假电阻等。选用合适的滤波电容及假电阻可减小电源输出纹波和提高电源效率。

自激式多路输出稳压开关电源原理图
图中光耦器件PC817 ,TL431 及框中自激电路组成了本电源的控制电路。R16 、R17是取样电阻,TL431 为可调试精密并联稳压器,通过改变电阻R16和R17的分压值,可小范围改变输出电压值。R15和C20为TL431 的频率补偿电路,可以提高TL43l 的瞬态频率响应。
关于反馈回路的设计,实际上就是确定R13 、R14的阻值及选定合适的光耦合器件,首先要选定线性度好的光耦合器件,因为这样可以把输出线性的反应到自激电路,可以由自激电路产生线性变化的脉冲,从而线性的反比例控制开关管的截止与导通。
而目前国内常用的4N25 系列光耦属于非线性光耦合器,不宜采用。其次要注意光耦合器件的CTR(电流传输比)值。使用光电耦合器主要是为了提供隔离,同时又能将输出的变化线性的反应在自激控制电路中,容易线性的控制开关管的占空比。
光耦合器的CTR 的允许范围是50 %~200 %,这是因为当CTR<50 %时,光耦中的输入级就需要较大的工作电流,这会增大光耦的功耗。若CTR>200 %,在启动电路或者当负载发生突变时,有可能影响正常输出。PC817 的CTR 线性范围为80 %~160 %,能够较好地满足反馈回路的设计要求。
确定好光耦后,就要确定R13 、R14 ,需要注意的是,在选择电阻时必须保证TL431 工作的必要条件,就是通过阴极的电流要大于1 mA 。R13为PC817的外部限流电阻。实际上除了限流保护作用外,它对控制回路的增益也具有重要影响。
当R13改变时,会影响到光耦的输入电流,然后影响光耦的输出电流,进而影响开关管的占空比,也就相当于改变了控制回路的电流放大倍数。此电路中R13取100 Ω,在光耦输入端和R13上并联R14是为了在光耦输入电流接近于0时,为了保证TL431 阴极不低于1 mA的工作电流而设置的。
电源反馈电路原理
图中方框图是自激电路,是电源的脉冲生成及控制部分。三极管工作于开关状态,开通与截止的时间受PC817 输出端电流和取样电阻R7的影响。用示波器可观察到方框图中稳压管,三极管,取样电阻都工作于矩形脉冲下。
简要分析一下反馈回路实现稳压的工作过程:
当输出电压Uo发生波动时,通过取样电阻R16 、R17分压后,就使TL431 上的光耦输入电流If产生相应的变化,进而使PC817 中输出电流Ic改变,Ic的改变使三极管基极的电流Ib改变,进而改变了基极电压Ub ,改变了三极管的导通时间,从而改变了开关管的导通时间,即占空比D,使Uo产生了相反的变化,以保持Uo的稳定。
上述稳压过程可归纳为:Uo ↑→If ↑→Ic ↑→Ib ↑→Ub ↑→D↓→Uo ↓。如此一个循环后Uo下降,使电源达到稳定。
〈烜芯微/XXW〉专业制造二极管,三极管,MOS管,桥堆等,20年,工厂直销省20%,上万家电路电器生产企业选用,专业的工程师帮您稳定好每一批产品,如果您有遇到什么需要帮助解决的,可以直接联系下方的联系号码或加QQ/微信,由我们的销售经理给您精准的报价以及产品介绍
联系号码:18923864027(同微信)
QQ:709211280