DC/DC 转换器是一种将输入直流电压转换为不同直流电压值的开关电源装置,通过周期性控制开关器件(如 MOSFET 或晶体管)的通断,实现输入电压的脉冲调制,从而达到电压变换及自动稳压的功能。具体可分为以下三种类型:
Buck 降压型 :将高电压转换为低电压,如将 5.0V 直流电压转换为 1.5V。
Boost 升压型 :将低电压提升至高电压,如将 5.0V 直流电压转换为 12.0V。
Buck-Boost 降压升压型 :可实现电压的升降压转换,输出电压极性还可反转。
二、工作原理及原理图
(一)BUCK 降压型
状态一 :当开关管 S1 闭合时,输入能量经电容 C1、S1、电感 L1、电容 C2 向负载 RL 供电,此时电感 L1 储存能量。根据公式,可得加在电感 L1 上的电压为:Vin-Vo=L*di/dton。。
状态二 :当开关管 S2 关断时,能量由电感 L1 释放,经电容 C2、负载 RL、二极管 D1 形成续流回路,此时有公式: L*di/dtoof= Vo 。最终可得输出电压与输入电压的关系为Vo/Vin=D,其中 D 为占空比,且因 D ≤ 1,故 Vo永远小于 Vin 。
各元件作用 :
输入电容 C1 稳定输入电压;输出电容 C2 平滑输出电压;二极管 D1 在开关关断时为电感提供续流路径;电感 L1 储存并向负载传输能量。


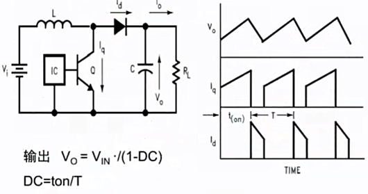
(二)BOOST 升压型
工作原理 :当开关管导通时,输入电压对电感 L 充电,形成回路:输入 Vi → 电感 L → 开关管 Q。当开关管关断时,电感释放能量,与输入能量共同向输出端供电,形成回路:输入Vi → 电感 L → 二极管 D → 电容 C → 负载 RL,从而实现输出电压高于输入电压的升压功能。


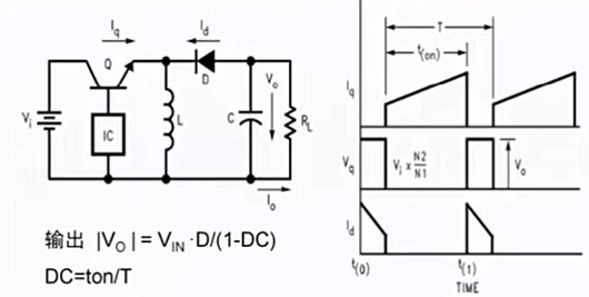
(三)BUCK-BOOST 极性反转升降压型
状态一 :开关管开通,二极管 D 反向截止,电感 L 储能,电流路径为:输入 V in→ 开关管 Q → 电感 L。
状态二 :开关管关断,二极管 D 正向导通续流,电流路径为:电感 L → 电容 C → 负载 RL → 二极管 D。
根据公式Vo=VinxD/(1-D) ,当 D = 0.5 时,Vo=Vin ;当 D < 0.5 时,Vo<Vin(降压);当 D > 0.5 时,Vo>Vin
?(升压)。该拓扑结构还可用于产生负向电压,适用于某些不便于使用隔离变压器抽头获取负电压的场合。

〈烜芯微/XXW〉专业制造二极管,三极管,MOS管,桥堆等,20年,工厂直销省20%,上万家电路电器生产企业选用,专业的工程师帮您稳定好每一批产品,如果您有遇到什么需要帮助解决的,可以直接联系下方的联系号码或加QQ/微信,由我们的销售经理给您精准的报价以及产品介绍

〈烜芯微/XXW〉专业制造二极管,三极管,MOS管,桥堆等,20年,工厂直销省20%,上万家电路电器生产企业选用,专业的工程师帮您稳定好每一批产品,如果您有遇到什么需要帮助解决的,可以直接联系下方的联系号码或加QQ/微信,由我们的销售经理给您精准的报价以及产品介绍
联系号码:18923864027(同微信)
QQ:709211280