一、电池充电基本条件
电池充电的基本条件是充电器电压必须高于电池电压,如此才能克服电池内部电阻,驱动充电电流流动,实现电荷的有效转移。这是电池充电得以进行的物理基础。
二、快充核心技术
快充技术的核心在于智能动态调整充电过程中的电压与电流。以两种常见快充方案为例:
高通 QC 高压低电流方案 :通过提升充电电压,在相对较低电流的情况下,显著提高充电功率,从而有效缩短充电时间。其优势在于能够在相等时间内传递更多电能,但对电路的电压承受能力和稳定性提出了更高要求。
OPPO VOOC 低压大电流方案 :直接输送更大电流,减少因电阻发热导致的能量损耗,在较低电压下实现快速充电。该方案对电流的精准控制和电路的散热设计要求较高,以确保充电过程的安全与高效。
三、电源管理芯片(PMIC)的关键作用
快充全程由手机内置的电源管理芯片(PMIC)智能调控。PMIC 实时监测电池温度、电压和电量等关键参数,确保充电过程在安全范围内进行。当电量接近 80% 时,快充会自动切换为 “涓流充电” 模式,降低充电功率,避免过充对电池造成的损害,延长电池使用寿命。


四、充电功率与效率
根据功率公式 P=U⋅I,在电池电量一定的情况下,功率直接标志着充电速度。提高充电功率可通过以下三种方式实现:
提高电流 :在电压保持不变的前提下,增加电流可以提升充电功率。然而,电流过大可能会导致手机和充电器发热,影响充电效率和电池寿命,甚至存在安全隐患。
加大电压 :提高充电电压可以在电流不变的情况下增加功率。但单纯提高电压会对电池和电路带来更大的压力,可能导致安全隐患,因此需要谨慎控制电压提升的幅度。
同时加大电压和电流 :这是提高功率的最直接有效的方法,能够实现最快的充电速度。然而,这种方式也伴随着最大的挑战,即手机在充电过程中会产生较多热量,对散热设计和电池性能提出了极高的要求。
五、充电模式解析
高电压低电流充电模式
在这种模式下,手机充电器首先将 220V 的市电降压至 5V 低压。随后,电源管理芯片将电压进一步降至 4.2 - 4.35V 的稳定区间,以适配手机锂电池的充电需求。然而,降压过程中存在一定的能量损耗,转化效率并非 100%,这会导致手机和充电器在充电时发热。因此,优化降压电路的设计,提高转化效率,是提升这种充电模式性能的关键。
高电流低电压充电模式
该模式通过在充电器电路和电池电路中引入 MCU 单片微型计算机来替代传统的降压电路。在低电压高电流的条件下,利用开电压环实现分段恒流输出。这种充电方式将电能直接输送至电池,绕过了部分降压环节,从而在一定程度上缩短了充电时间。其电压通常稳定在 3 - 4.2V 之间,电流在 2 - 4A 之间,具有相对稳定的充电过程和较低的发热水平,同时功率也得到了有效提升。为了进一步优化这种模式,需要不断改进 MCU 的控制算法和电路设计,以实现更精准的电流控制和更高的充电效率。
高电压高电流充电模式
同时增大电压和电流是提高充电功率的最有效方法之一,能够实现最快的充电速度。然而,这种方式也带来了手机充电过程中发热显著增加的问题。过高的温度不仅会影响手机的正常使用,还可能对电池性能和安全性造成不利影响。因此,在采用高电压高电流充电模式时,必须配备高效的散热系统和完善的温度监控机制,以确保充电过程的安全性和可靠性。同时,对电压和电流的提升幅度也需要进行严格限制,以避免超出电池和电路的安全承受范围。
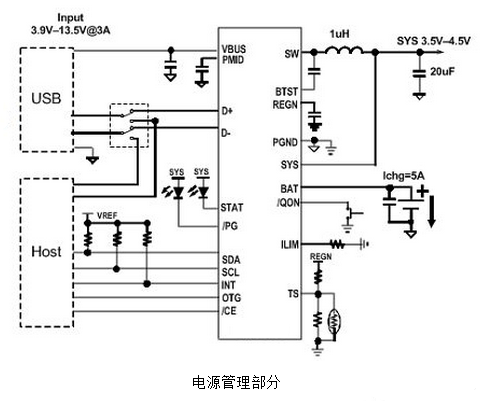
六、手机快充电路原理




快速充电方案主要包含两个部分:充电器部分和电源管理部分。电源管理芯片通常位于移动智能终端内部,有的手机采用独立的电源管理芯片,也有的将其直接集成在手机套片中。该芯片对锂电池的整个充电过程实施精确管理和严格监控,涵盖了复杂的处理算法。锂电池充电过程一般分为预充阶段、恒流充电阶段、恒压充电阶段和涓流充电阶段。电源管理芯片根据锂电池在各个充电阶段的电气特性,向充电器发出指令,通知充电器调整充电电压和电流。充电器接收到充电管理系统的需求后,实时改变输出参数,与充电管理系统紧密配合,实现快速充电。
〈烜芯微/XXW〉专业制造二极管,三极管,MOS管,桥堆等,20年,工厂直销省20%,上万家电路电器生产企业选用,专业的工程师帮您稳定好每一批产品,如果您有遇到什么需要帮助解决的,可以直接联系下方的联系号码或加QQ/微信,由我们的销售经理给您精准的报价以及产品介绍
〈烜芯微/XXW〉专业制造二极管,三极管,MOS管,桥堆等,20年,工厂直销省20%,上万家电路电器生产企业选用,专业的工程师帮您稳定好每一批产品,如果您有遇到什么需要帮助解决的,可以直接联系下方的联系号码或加QQ/微信,由我们的销售经理给您精准的报价以及产品介绍
联系号码:18923864027(同微信)
QQ:709211280