固态继电器是一种集成了微电子电路、分立电子器件以及电力电子功率器件的无触点开关。它巧妙地利用了电子元件,例如开关三极管、双向可控硅等半导体器件的开关特性,从而实现了电路的无触点、无火花接通和断开,因此被形象地称为 “无触点开关”。
一、固态继电器的结构


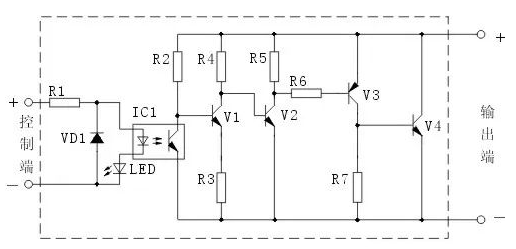
固态继电器主要由三个关键部分组成,即输入电路、隔离(耦合)电路和输出电路。在输入电路的控制端加入相应信号后,光电耦合器 IC1 内的光敏三极管会呈现导通状态。其中,R1 串接电阻的作用是对输入信号进行限流,确保光耦合器不会因过流而损坏。LED 发光二极管用于指示输入端控制信号的存在,而 VD1 则能够在输入信号正负极性接反时,对光耦 IC1 起到保护作用。


二、交流固态继电器工作原理
交流固态继电器通常为过零型。V1 在电路中承担交流电压检测的任务,使得固态继电器在电压过零时开启,负载电流过零时关断。当 IC1 光敏三极管截止,即控制端无信号输入时,V1 通过 R2 获得基极电流而饱和导通。这使得 SCR 可控硅的门极触发电压 UGT 被箝位在低电位,保持关断状态,进而导致 BTA 双向可控硅在门极控制端 R6 上无触发脉冲,同样处于关断状态。
而当 IC1 光敏三极管导通,即控制端有信号输入时,SCR 可控硅的工作状态由交流电压零点检测三极管 V1 来决定。如果电源电压经 R2 与 R3 分压后,A 处电压大于过零电压(VA > VBE1),V1 处于饱和导通状态,SCR、BTA 可控硅均关断。反之,当 A 处电压小于过零电压时,V1 截止,SCR 可控硅通过 R4 获得触发信号而导通,BTA 双向可控硅也因此在 R6 上获得触发信号,进入导通状态,实现对负载电源的控制。若此时控制端信号关断,负载电流减小至 BTA 双向可控硅的维持电流 IH 时,BTA 可自行关断,切断负载电源。
三、直流固态继电器工作原理
在直流固态继电器的输入控制回路中,电阻 R1 串接在 IC1 光电耦合器输入端,起到对其发光管的限流?;ぷ饔?。发光管 LED 用于指示输入控制信号,VD1 则对输入端的反偏电压进行保护。当控制端无信号输入时,IC1 光电耦合器中的光敏三极管呈截止高阻状态,V1 通过 R2 获得基极电流,饱和导通,导致 V2、V3、V4 均截止,固态继电器处于关断状态。


一旦控制端有信号输入,IC1 中的光敏三极管导通,使 V1 截止,进而 V2、V3、V4 导通,固态继电器接通,电源被加至负载上。直流固态继电器的输出端会随着输入端信号的加入而导通,信号消失则关断。此外,在大功率低电压的直流固态继电器中,其输出开关通常采用功率场效应管来替代功率三极管,以此来降低输入功率。
〈烜芯微/XXW〉专业制造二极管,三极管,MOS管,桥堆等,20年,工厂直销省20%,上万家电路电器生产企业选用,专业的工程师帮您稳定好每一批产品,如果您有遇到什么需要帮助解决的,可以直接联系下方的联系号码或加QQ/微信,由我们的销售经理给您精准的报价以及产品介绍
〈烜芯微/XXW〉专业制造二极管,三极管,MOS管,桥堆等,20年,工厂直销省20%,上万家电路电器生产企业选用,专业的工程师帮您稳定好每一批产品,如果您有遇到什么需要帮助解决的,可以直接联系下方的联系号码或加QQ/微信,由我们的销售经理给您精准的报价以及产品介绍
联系号码:18923864027(同微信)
QQ:709211280