一、无线充电核心原理
无线充电技术,亦被称作感应充电或无线能量传输,其核心在于电磁感应现象——即电与磁在特定条件下相互转化的物理现象。在无线充电场景下,充电底座内的发射线圈通以交变电流,依据电磁感应定律,此线圈周围会产生交变磁场。当电子设备靠近时,设备内置的接收线圈切割磁感线,进而在闭合电路中产生感应电动势,形成感应电流。经由整流滤波等一系列电路处理后,此交变电流被转换为直流电,为电子设备电池充电,实现能量的高效、便捷传输。




二、无线充电系统构成
无线充电系统主要由发射端与接收端两部分构成,二者协同作用完成能量的无线传输。


(一)发射端
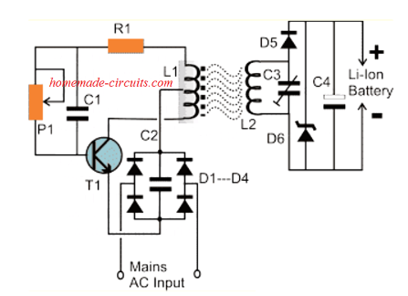
发射端核心组件为发射线圈,通常采用铁氧体 E 芯作为磁芯材料。线圈缠绕若干匝数的漆包铜线,匝数、线径及磁芯尺寸等参数依据具体应用场景与功率需求而定。发射线圈连接至振荡电路,该振荡电路由晶体管、预设可调电阻、电容等元件构成。通过调整预设电阻等元件参数,可改变振荡频率,使其达到最佳能量传输频段。振荡电路所需的直流电压经对市电交流电整流、滤波后获得,为电路提供稳定的能量供给。
(二)接收端
接收端关键部件为接收线圈,其材质与结构类似发射线圈,但匝数、线径等参数可能有所差异。接收线圈将感应到的交变磁场转换为交变电流,随后经由整流桥、滤波电容等组成的整流滤波电路,将交变电流转换为平滑的直流电,满足电子设备电池充电的电压、电流要求。
三、无线充电电路工作过程
以典型无线充电电路为例,当直流电压施加于发射端振荡电路时,电路开始振荡,发射线圈产生高频交变磁场。接收端接收线圈感应磁场,产生交变电流。经整流滤波电路处理后,转换为直流电,为电池充电。输出端可并联 LED 指示灯,通过 LED 亮度直观反映无线充电时能量传输强度。调整接收端可变电容等元件参数,可实现接收电路与发射磁场的谐振匹配,提升能量传输效率与充电速度。
〈烜芯微/XXW〉专业制造二极管,三极管,MOS管,桥堆等,20年,工厂直销省20%,上万家电路电器生产企业选用,专业的工程师帮您稳定好每一批产品,如果您有遇到什么需要帮助解决的,可以直接联系下方的联系号码或加QQ/微信,由我们的销售经理给您精准的报价以及产品介绍
〈烜芯微/XXW〉专业制造二极管,三极管,MOS管,桥堆等,20年,工厂直销省20%,上万家电路电器生产企业选用,专业的工程师帮您稳定好每一批产品,如果您有遇到什么需要帮助解决的,可以直接联系下方的联系号码或加QQ/微信,由我们的销售经理给您精准的报价以及产品介绍
联系号码:18923864027(同微信)
QQ:709211280