一、半桥 LLC 谐振电路概述
半桥 LLC 谐振电路作为功率转换领域的重要拓扑结构,在实现高效能量转换方面具有显著优势。与传统半桥电路相比,其因谐振腔的引入,使得上下 MOSFET 的工作状态产生差异,能够达成 MOSFET 零电压开通(ZVS),大幅降低开关损耗,提升系统效率。


二、LLC 谐振电路连接方式
LLC 谐振电路依据谐振电容的不同连接形式,主要存在两种典型结构。


其一,单谐振电容(Cr)结构。该结构以其简洁的布线和相对较低的成本受到青睐。然而,其输入电流纹波和电流有效值相对较高,这在一定程度上限制了其在对电流质量要求极高的应用场景中的使用。
其二,分体谐振电容(C1、C2)结构。该结构通过将谐振电容分为两个部分,有效降低了输入电流纹波和电流有效值。具体而言,C1 和 C2 分别仅承受一半的有效值电流,且每个电容的容量仅为单谐振电容结构中的一半,这使得在一些对电流控制精度和器件耐压要求较为苛刻的场合,分体谐振电容结构更具优势。
三、工作原理剖析
(一)核心原理
半桥 LLC 谐振电路巧妙地借助谐振腔的电磁能量转换特性,与 MOS 管的开关时序协同配合,实现零电压开关(ZVS)的高效能量转换目标。其关键之处在于由 Lr、Cr、Lm 构成的谐振网络,该网络在开关管导通与关断的动态过程中,促使电压与电流形成谐振波形,进而有效降低开关损耗,提升整体转换效率。


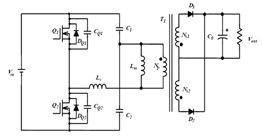
(二)电路拓扑构成
半桥网络 :由两个 MOS 管(Q1、Q2)构成,二者交替导通,为后续的能量传输与转换过程提供基础的开关动作。
谐振网络 :涵盖谐振电感 Lr、谐振电容 Cr、励磁电感 Lm(实践中,Lm 通常为变压器漏感与励磁电感的组合体)。
副边整流 :经变压器耦合至副边,由整流二极管(D1、D2)搭配输出电容 Cout 共同完成能量的整流与输出功能,向负载供应稳定的直流电能。
(三)工作阶段详解
Q1 导通阶段 :电流从输入电压源 Vin 出发,依次流经 Q1、Lr、Cr、Lm,最终回到变压器原边起点,形成闭合回路。此时,副边通过 D1 向负载供电,Lm 进行磁能储存,与此同时,Lr 与 Cr 开启谐振过程,能量在电感与电容之间相互转换,为后续的开关动作创造有利条件。
死区时间(Q1/Q2 均关断) :在 Q1 关断与 Q2 导通的换相瞬间,进入死区时间。此时,励磁电流借助 MOS 管的寄生电容进行充放电操作,这一过程能够将 Q2 两端的电压降至零伏,为 Q2 的零电压开通铺平道路,显著降低开关过程中的损耗与电磁干扰。
Q2 导通阶段 :Q2 导通后,电流路径转变为从 Lm 出发,依次经过 Cr、Lr、Q2,最终汇入 Vin 负极。副边则通过 D2 实现对负载的供电,Lm 释放先前储存的磁能,谐振网络反向运行,继续完成能量的传输与转换任务。
再次死区时间 :当 Q2 关断、Q1 准备导通时,再次进入死区时间。此阶段与前一次死区时间类似,主要为 Q1 的零电压开通创造条件,确保整个电路能够以较低损耗、较高效率的方式完成一个完整的工作周期。
(四)实现 ZVS 的关键要素
谐振频率匹配 :当开关频率逼近谐振频率,即满足 fr = 1/(2π√LrCr)时,谐振腔展现出感性阻抗特性。在此状态下,MOS 管寄生电容能够在导通前借助谐振电流充分放电至零电压,从而实现零电压开通,大幅降低开关瞬间的功率损耗与电磁干扰。
励磁电感作用 :Lm 在死区时间发挥关键作用,其持续维持电流,为 MOS 管寄生电容的充放电过程提供稳定的能量供给,确保寄生电容能够在开关动作前完成充放电,进而保障零电压开通的顺利实现,维持整个电路的高效运行状态。
〈烜芯微/XXW〉专业制造二极管,三极管,MOS管,桥堆等,20年,工厂直销省20%,上万家电路电器生产企业选用,专业的工程师帮您稳定好每一批产品,如果您有遇到什么需要帮助解决的,可以直接联系下方的联系号码或加QQ/微信,由我们的销售经理给您精准的报价以及产品介绍
〈烜芯微/XXW〉专业制造二极管,三极管,MOS管,桥堆等,20年,工厂直销省20%,上万家电路电器生产企业选用,专业的工程师帮您稳定好每一批产品,如果您有遇到什么需要帮助解决的,可以直接联系下方的联系号码或加QQ/微信,由我们的销售经理给您精准的报价以及产品介绍
联系号码:18923864027(同微信)
QQ:709211280