步进电机驱动器其主要功能是将脉冲信号转换为步进电机的转动动力。在工业自动化以及其他需要精确运动控制的领域,步进电机驱动器凭借其卓越的控制性能,于精准掌控步进电机的速度、步距与步数等方面发挥着不可替代的关键作用。
一、工作机制
当控制器捕捉到脉冲信号的瞬间,便依据预设的频率规则,触发相应电平状态的改变。此电平的变动在电路板上经过一系列精密的转换流程,最终演变为专门用于驱动步进电机运转的指令信号,从而实现了对电机运动轨迹的高精度调控。

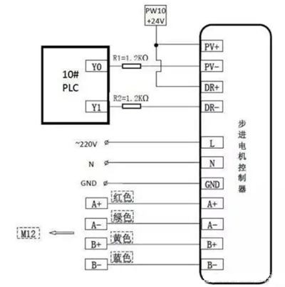
步进电机接线图




步进电机接线图



二、步进电机驱动器工作流程步骤
控制器接收脉冲信号 :控制器在接收到外部输入的脉冲信号后,会依据预先设定的频率参数,生成对应的电平变化模式。
脉冲信号转换 :所产生的电平变化经由电路板上复杂而精密的电路处理,进而转换为能够精准支配电机转动的控制信号。
控制电机转动 :步进电机驱动器在接收到这些经过转换的信号后,会对其所包含的方向、步数以及速度等特征信息进行深入解析,并依据这些信息精准地操控步进电机的运动状态。这使得步进电机能够依据实际应用场景的要求,实现高精度的运动控制,满足工业生产线上对产品加工精度、装配精度以及自动化流程的严格把控等诸多需求。
步进电机驱动器以其结构设计简洁、运行稳定可靠以及控制操作简便等诸多优势,在工业自动化领域中占据了举足轻重的地位,为各类自动化设备的高效运行提供了坚实的动力支持与精准的运动控制保障。
三、步进电机驱动器接线方法
将步进电机驱动器的脉冲输入信号和方向输入信号的正极分别与表控设备上的 5V 端子相连。
把脉冲输入信号的负端精准对应地连接到表控设备的 Y1 输出端子上。
将方向输入信号的负端准确无误地接入表控设备的 Y2 输出端子。
四、步进电机驱动器设置要点
细分设置:在实际应用过程中,通??山浇缁鞯南阜植问醪缴瓒ㄔ?8(对应 1600)左右,随后依据具体的生产加工精度要求以及其他相关实际运行状况进行细致入微的微调,以达到最佳的运行精度与运动平稳性效果。
正转设置:仅需通过一行简洁的设置指令,即可快速便捷地完成步进电机的正转设置工作,其中 X1 端子被指定为正转启动开关,操作人员在启动正转操作时只需轻触该开关,步进电机便能按照预设的正转模式稳定运转。
反转设置:针对步进电机的反转需求,需进行相对复杂的两行设置操作。具体而言,应将 X2 设定为反向启动开关,与此同时,Y1 端子负责输出脉冲信号,Y2 端子则承担起输出方向信号的职责,在操作人员启动反转指令时,各端子协同工作,确保步进电机能够精准无误地执行反转动作,满足工业生产流程中多样化的产品加工工艺要求。
〈烜芯微/XXW〉专业制造二极管,三极管,MOS管,桥堆等,20年,工厂直销省20%,上万家电路电器生产企业选用,专业的工程师帮您稳定好每一批产品,如果您有遇到什么需要帮助解决的,可以直接联系下方的联系号码或加QQ/微信,由我们的销售经理给您精准的报价以及产品介绍
联系号码:18923864027(同微信)
QQ:709211280