一、ESD 静电对电路的影响
ESD(静电放电)是一种常见的电磁干扰现象,它会对电路产生短时间、高能量的脉冲干扰。ESD 脉冲电压可高达数千伏,能量密度较大,足以瞬间击穿半导体器件的微观结构,从而对电路造成永久性损坏或性能下降。在集成电路、敏感电子元件以及精密传感器等电路中,ESD 威胁尤为严重。
二、降低 ESD 静电的方法
(一)使用钳位二极管
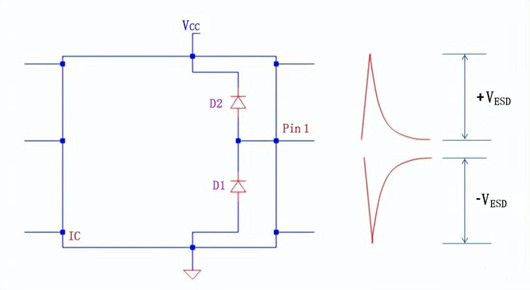
钳位二极管是电路设计中常用的 ESD ?;ぴ?。在集成电路中,微控制器、数字信号控制器和处理器通常内部集成了 ESD 钳位二极管,以增强其抗静电能力。对于一些低成本控制器,如果内部没有钳位二极管,可以在外部添加钳位二极管进行?;?,尤其适用于编程引脚、复位引脚和数据引脚等关键信号引脚。


正常工作时,若引脚 1 的电压设计范围为 0 - 3.3V,钳位二极管 D1 和 D2 不会干扰电路正常工作。当引脚电压为 3.3V 高电平时,D1 反偏不导通,D2 也因阴极连接到 VCC 而不导通;当引脚电压为 0 时,D2 反向偏置,D1 无偏置。
当存在由 ESD 引起的高压尖峰时,钳位二极管会迅速导通,将过压能量引导到 VCC 或地,从而保护 IC 的内部组件。例如,当出现高正尖峰时,D2 正向偏置,将尖峰电流导向 VCC;当存在高负尖峰时,D1 导通,将尖峰电流导向地。
需要注意的是,并非在 IC 的所有引脚都适合添加钳位二极管,那样会增加不必要的成本和复杂性。钳位二极管通常用于实现特殊功能的引脚较少的 IC。钳位二极管可以选择硅二极管或肖特基二极管,具体选择依据电路工作电压、电流参数以及 ESD ?;ば枨蠖ā?br />


(二)使用瞬态电压抑制器(TVS)
TVS 是一种快速作用的钳位二极管,与普通 PN 二极管不同。它在达到其击穿电压时会迅速钳位,否则保持开路状态。TVS 具有响应速度快、瞬态功率大、漏电流低等优点,能有效抑制 ESD 引起的瞬态过电压。
常见的 TVS 符号有双向和单向之分。图 A、B 为双向 TVS,能抑制正负两个方向的 ESD 尖峰;图 C 为单向 TVS,主要用于抑制单一方向的尖峰电压。在 ESD ?;びτ弥?,双向 TVS 通常更能满足大多数场景的需求,因为它能够应对多种极性的静电放电。


TVS 在电路中通常并联在被?;さ缏返牧蕉?,一旦出现过电压,TVS 会在极短时间内导通,将过电压钳位在安全范围内,从而?;ず蠹兜缏凡皇芩鸷?。它常用于电源线、数据接口、通信线路等易受 ESD 干扰的部位。
(三)使用齐纳二极管
齐纳二极管也可用于 ESD ?;?,其工作原理与单向 TVS 相似。齐纳二极管在反向击穿时具有稳定的击穿电压,可以将过电压钳位在该电压值附近,从而?;さ缏访馐芄叩缪沟某寤?。
然而,齐纳二极管存在一些缺点。与 TVS 相比,齐纳二极管的响应速度较慢,无法像 TVS 那样快速地抑制瞬态过电压。此外,在相同尺寸下,齐纳二极管能够处理的能量较小。若要使其能承受较高的能量,需要增大齐纳二极管的尺寸,但这会增加 PCB 空间占用和成本。因此,在选择 ESD 保护元件时,需综合考虑电路的响应速度要求、能量处理能力和成本等因素。
(四)合理布局和布线
在 PCB 设计中,合理的布局和布线是降低 ESD 影响的重要手段。高频信号线应尽量远离敏感元件,如模拟电路、精密传感器和微控制器等,以减少高频干扰对敏感电路的耦合。地线的设计也至关重要,应尽量短且宽,以降低地线阻抗,确保地电位的稳定。此外,对于敏感电路,可以采用屏蔽措施,如使用金属外壳或屏蔽材料进行包裹,从而隔绝外部干扰信号。
(五)选择合适的元件
在抗干扰设计中,选择合适的电容和电感对抑制高频噪声至关重要。例如,使用具有高自谐振频率的电容和低直流电阻的电感,可以有效滤除高频噪声。此外,抗干扰元件如共模扼流圈、TVS 二极管等的选用也非常关键。共模扼流圈能够抑制共模干扰信号,而 TVS 二极管则在瞬态过电压保护方面表现出色。这些元件的合理组合使用,可以显著提高电路的抗干扰能力,增强电路对 ESD 的抵御性能。
〈烜芯微/XXW〉专业制造二极管,三极管,MOS管,桥堆等,20年,工厂直销省20%,上万家电路电器生产企业选用,专业的工程师帮您稳定好每一批产品,如果您有遇到什么需要帮助解决的,可以直接联系下方的联系号码或加QQ/微信,由我们的销售经理给您精准的报价以及产品介绍
联系号码:18923864027(同微信)
QQ:709211280