在新能源汽车直流充电设备的构成要素中,充电??檎季莺诵牡匚?。它承担着整流、逆变、滤波等关键的功率变换任务,主要职能是把电网里的交流电转变为适配电池充电需求的直流电。


一、充电??楣ぷ髟聿?/div>
当充电??橥度朐诵?,三相交流电首先进入有源功率因数校正(PFC)电路经历整流环节,转化为直流电后供应给 DC/DC 变换电路??刂破鞯娜砑惴ň缏纷饔糜诎氲继骞β士?,由此精准管控充电??榈氖涑龅缪褂氲缌?,实现对电池组的高效充电。


二、充电模块前级 PFC 拓扑详解
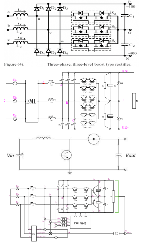
目前主流的三相三线制三电平 VIENNA 拓扑,在充电模块领域应用广泛。


(一)优势
成本控制优势 :大规模建设充电站需要海量充电机,成本把控至关重要。VIENNA 整流器不仅能减少功率开关器件的数量,其三电平特性还能降低功率开关管的最大压降。这使得可以选择数量更少、成本相对较低的低电压等级功率器件,在大规模部署充电站的场景下,有效降低成本。
功率密度提升优势 :功率密度是衡量充电机性能的重要指标之一。VIENNA 整流器具备高控制频率的特性,这一特性使得电感和变压器的体积得以减小,从而在很大程度上缩小了充电机的整体体积,实现了功率密度的显著提升,更契合空间受限的安装环境。
电能质量保障优势 :VIENNA 整流器拥有高功率因数和低谐波电流的特性。在运行过程中,不会给电网引入大量的谐波污染,这对于电网的稳定运行极为有利,为充电站的大规模建设与推广奠定了良好的电网兼容性基础,因此获得了主流充电??槌Ъ业母叨惹囗?,成为充电机整流装置拓扑的主流选择。
驱动电路简化优势 :在电路结构上,每相两个 MOS 管采用反串联连接方式。与 PWM 整流器不同,不存在上下管直通的问题,无需特别考虑死区,这使得驱动电路的设计与实现相对更为容易,降低了整体的设计与制造难度。
(二)劣势
中性点平衡难题 :该拓扑存在输出中性点平衡问题。中性点电压若出现波动,会增加注入电网电流的谐波分量。当中性点电压严重偏离正常范围时,会导致开关器件以及直流侧电流承受过高电压而损坏。因此,在实际应用中,必须采取有效的中性点电位平衡控制策略,以确保充电??榈奈榷ㄔ诵小?/div>
能量传递单向性局限 :能量只能单向传递,这在一定程度上限制了系统的灵活性。例如在车辆到电网(V2G)等需要实现能量双向流动的应用场景中,无法直接满足需求,需要额外的设备或电路来实现反向能量传递功能。
〈烜芯微/XXW〉专业制造二极管,三极管,MOS管,桥堆等,20年,工厂直销省20%,上万家电路电器生产企业选用,专业的工程师帮您稳定好每一批产品,如果您有遇到什么需要帮助解决的,可以直接联系下方的联系号码或加QQ/微信,由我们的销售经理给您精准的报价以及产品介绍
联系号码:18923864027(同微信)
QQ:709211280
- 上一篇:电动车控制器接线图介绍
- 下一篇:最后一页
相关阅读
最新资讯
- 充电桩模块原理,充电桩工作原理介绍
- 电动车控制器接线图介绍
- 电动车控制器原理图介绍
- 电动汽车逆变器的作用,工作原理图介绍
- 逆变器的作用是什么,逆变器作用原理介绍
- 移动电源的组成,移动电源的内部结构介绍
- 移动电源电路与原理图介绍
- 电动自行车控制器,控制器电路介绍
- led电源,LED驱动电源电路原理图介绍
- dcdc变换器工作原理,双向dcdc电路介绍
联系烜芯微
咨询热线:
18923864027
传真:
18923864027
QQ:
709211280
地址:
深圳市福田区振中路84号爱华科研楼7层