采用恒流/恒压和脉冲充电相结合的充电桩系统

??樯杓瓶蚣芡?/div>
该双模式充电桩主要技术参数:
输入电压:AC 220V/50Hz
输出最大电压:500V
输出最大电流:10A
整机效率:≥90%
稳压精度:≤0.5%
充电系统直流???/div>
目前市场需要的直流充电桩都是大电流充电,所以应用于市场时,可以将多个样机并联,实现输出大电流的效果。
主电路设计参数:
电源系统最大输出功率5000W
整流桥最大输出电流18.9A
整流输出电压311V
整流桥型号KBU3510
滤波电容:5个1000uf/450V的铝电解电容并联
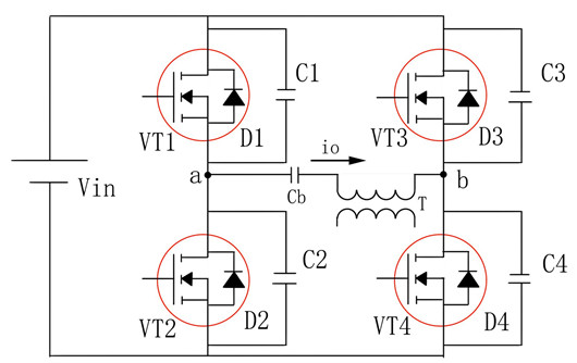
采用全桥式电路
高频变压器采用PC40材料的PO50/50磁芯,初级绕组10匝,次级绕组20匝
隔直电容2.2uF 的CBB电容
采用零电压PWM变换器(ZVS)
全桥逆变电路输出最大电压:500V
全桥逆变电路输出最大电流:10A
微控制器 STM32

系统主电路图
由于主电路与微控制器STM32功率相差过大,MOS管和控制器之间必须隔离,因此每个MOS管都采用独立的驱动电路。
全桥逆变电路中MOS管的选择
能够承受全桥逆变电路的最大输出电压500V
承受最大电流>18.9A

全桥变换器的基本电路图
〈烜芯微/XXW〉专业制造二极管,三极管,MOS管,桥堆等,20年,工厂直销省20%,上万家电路电器生产企业选用,专业的工程师帮您稳定好每一批产品,如果您有遇到什么需要帮助解决的,可以直接联系下方的联系号码或加QQ/微信,由我们的销售经理给您精准的报价以及产品介绍
联系号码:18923864027(同微信)
QQ:709211280
- 上一篇:MOSFET带负载功率能力图文介绍
- 下一篇:汽车电子核心元件,MOSFET技术介绍
相关阅读
最新资讯
- 怎么用TVS二极管提高电路的抗突波能力
- PIN二极管的电导调制机制和应用介绍
- 基于双MOS管的防反灌电路工作原理介绍
- 高效率整流二极管的特性和应用介绍
- 详解稳压二极管的关键特性和应用原理
- MOS管选型关键因素分析,怎么选择合适的参数
- 三相整流电路分析,半波整流与全波整流的工作原理
- IGBT三相全桥整流电路工作原理介绍
- 详解快恢复二极管,结构,特性和应用介绍
- 三极管和MOS管组合式开关电路分析
联系烜芯微
咨询热线:
18923864027
传真:
18923864027
QQ:
709211280
地址:
深圳市福田区振中路84号爱华科研楼7层