电动车控制器在电动车运行中扮演核心角色,其关键功能聚焦于精准调控电机的启动、转速及刹车断电等操作,确保车辆稳定、高效且安全地运行。
一、控制器电源电路
鉴于电动车电池电压通常在 36V 及以上,而控制器的核心元件,如单片机、各类数字电路芯片以及功率开关 MOS 管,均需适配较低的工作电压。电源电路的设计便显得至关重要。
该电源电路由 78L15 和 78L05 共同搭建。其中,78L05 负责为数字电路供应稳定的 5V 电压,而 78L15 则承担起为功率 MOS 管的控制极提供 15V 电压的重任,如此一来,各核心部件便能在适配的电压环境下高效运转。
二、电池欠压和过流保护电路
电池作为电动车的动力源泉,其状态的优劣直接关乎车辆的使用寿命与运行安全。倘若电池电压因过度放电而降至过低水平,又或是在放电过程中遭遇过大电流冲击,都极易引发电池损坏,甚至埋下安全隐患。


电池欠压和过流?;さ缏返纳杓?,犹如给电池配备了一层坚固的防护盾。电池电压 D + 经 R2、R3 并联后再与 R4 串联分压,所获取的电压被精准输送至单片机 AN1,进行 ADC 电压检测。一旦电池电压滑落至预设的欠压阈值之下,系统便即刻下达指令,禁止电机继续转动,以此避免电池陷入深度放电的困境。
与此同时,电机电流回路经 R55 取样后,一路送入运放进行比较,比较后的信号迅速传递至单片机中断,触发过流关断机制;另一路则经运放放大后,输入至 ANO,实现对电机电流的实时监测与精准把控。如此双管齐下,全方位守护电池免受过流伤害。
三、转把调速和限速电路


在骑行过程中,车速的调节关乎骑行体验与安全系数。转把调速和限速电路应运而生,为用户带来便捷且精准的速度掌控。
转把接口通常连接线性霍尔或电位器,其反馈的电压信号被精准输送至 AN3 进行检测。系统依据该信号,精准计算出转把的扭转角度,进而实现对电动车速度的无级调控,满足用户在不同路况下的个性化车速需求。
而限速接口则配备了一个跳线开关,当其处于短接状态时,R33 被接入电路,进而调控输入至 AN3 的电压值。这一巧妙设计,为电动车设置了一道速度上限的防线,有效防止车速过快带来的潜在风险,尤其在下坡或人群密集等特殊场景下,为骑行者筑牢安全屏障。
四、刹车断电电路
刹车操作是骑行过程中的关键安全环节。当骑行者实施刹车动作时,若电机持续供电运转,不仅会造成电能的无端浪费,更会使刹车阻力大打折扣,增加刹车距离,严重威胁骑行安全。
刹车断电电路的设计,巧妙地解决了这一问题。在刹车瞬间,H 点接入电压信号,该信号经电阻分压处理后,精准输送至 AN4 进行检测。系统一旦判定刹车动作发生,便迅速切断电机供电回路,确保电机即刻停止运转,全力辅助刹车效果,为骑行者带来安全可靠的制动体验。
五、无刷电机控制电路


无刷电机凭借其高效能、低噪音以及长寿命等优势,在电动车领域广泛应用。其内部构造包含三个线圈,需借助 6 个功率 MOS 管构成的换流器,按照既定的顺序依次导通,才能驱动电机顺畅旋转。
具体而言,无刷电机控制遵循独特的导通顺序:AH 与 BL 一组、AH 与 CL 一组、BH 与 CL 一组、BH 与 AL 一组、CH 与 AL 一组、CH 与 BL 一组,周而复始,形成完整的换流周期,推动电机持续运转。


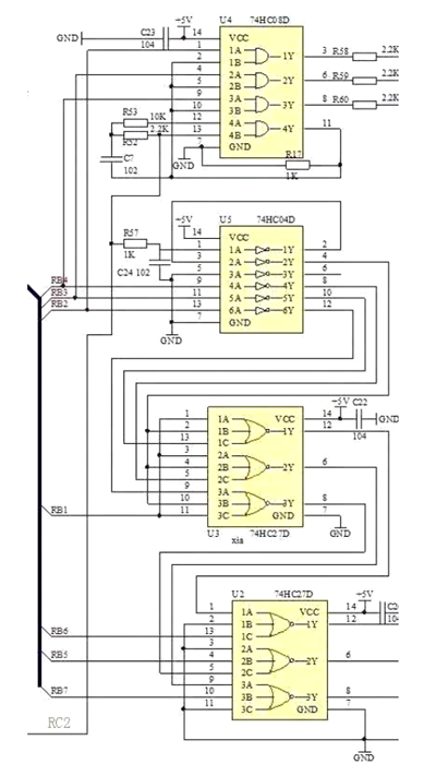
在电机控制电路中,RB4、RB3、RB2 三个单片机管脚肩负重任,分别输出控制换流器上管的 PWM 信号;而 RB6、RB5、RB4 则对应输出控制换流器下管的 PWM 信号,通过精准调控 PWM 信号的占空比,实现对电机转速的精细控制。


值得一提的是,电路中还巧妙融入了 4 个 74 系列数字电路芯片,各司其职却又紧密协作。U4(74HC08D)作为 4 路与门,当 RC2 引脚输出低电平时,可有效禁止 PWM 信号输出,为电机控制提供关键的逻辑判断支持。U5(74HC04D)担任反相器角色,与 U3(74HC27D)及 U2(三路与或门)协同作业,受 RB1 电平管控,一方面实现总开关对 PWM 输出的精准调控,另一方面巧妙防止 MOS 管同时导通,避免引发短路故障,为电机的稳定运行保驾护航。


然而,数字电路芯片所输出的信号,并不能直接用于驱动 MOS 管导通。为此,特设 MOS 管驱动电路,对数字信号进行功率放大与电平转换,使其满足 MOS 管的驱动要求,保障电机控制信号的精准传递与高效执行。
六、霍尔传感器电路


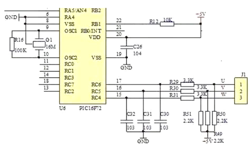
霍尔传感器在无刷电机的运行中发挥着不可或缺的作用。J1 接口连接安装于电机上的霍尔传感器,其核心使命在于精准测定电机转子的实时位置信息。系统依据霍尔传感器反馈的位置信号,结合电机运行状态,精确调控输出至电机驱动的 PWM 信号的时序与占空比,实现对电机转速与运转方向的精准控制,确保电机高效、平稳地运转,为骑行者带来流畅的驾驶体验。
〈烜芯微/XXW〉专业制造二极管,三极管,MOS管,桥堆等,20年,工厂直销省20%,上万家电路电器生产企业选用,专业的工程师帮您稳定好每一批产品,如果您有遇到什么需要帮助解决的,可以直接联系下方的联系号码或加QQ/微信,由我们的销售经理给您精准的报价以及产品介绍
联系号码:18923864027(同微信)
QQ:709211280