5v手机充电器原理图
5V-USB充电器电路:图中用1欧的电阻F1起到保险丝的作用,用一个二极管D1完成整流作用。
接通电源后,C1会有300V左右的直流电压,通过R2给Q1的基极提供电流,Q1的发射极有R1电流检测电阻R1,Q1基极得电后,会经过T1的(3、4)产生集电极电流,并同时在T1的(5、6)(1、2)上产生感应电压,这两个次级绝缘的圈数相同的线圈,其中T1(1、2)输出由D7整流、C5滤波后通过USB座给负载供电;
其中T1(5、6)经D6整流、C2滤波后通过IC1(实为4.3V稳压管)、Q2组成取样比较电路,检测输出电压高低;其中T1(5、6)、C3、R4还组成Q1三极管的正反馈电路,让Q1工作在高频振荡,不停的给T1(3、4)开关供电。
当负载变轻或者电源电压变高等任何原因导致输出电压升高时,T1(5、6)、IC1取样比较导致Q2导通,Q1基极电流减小,集电极电流减小,负载能力变小,从而导致输出电压降低;当输出电压降低后,Q2取样后又会截止,Q1的负载能力变强,输出电压又会升高;这样起到自动稳压作用。


本电路虽然元件少,但是还设计有过流过载短路?;すδ?。当负载过载或者短路时,Q1的集电极电流大增,而Q1的发射极电阻R1会产生较高的压降,这个过载或者短路产生的高电压会经过R3让Q2饱和导通,从而让Q1截止停止输出防止过载损坏。
因此,改变R1的大小,可以改变负载能力,如果要求输出电流小,例如只需要输出5V100MA,可以将R1阻值改大。当然,如果需要输出5V500MA的话,就需要将R1适当改小。注意:R1改小会增加烧坏Q1的可能性,如果需要大电流输出,建议更换13003、13007中大功率管。
手机充电器原理图二


该电路属于自励、反激式、变压器耦合型、PWM开关电源;电源变换过程:交流(AC,输入市电)→直流(DC)→交流(AC,高频)→直流(DC,输出);电路由整流、振荡、稳压、保护四大系统组成。


这款电路作为小功率负载使用没问题,且电路结构简单,体积较小,但它的保护不够完善,充电电流较小,功率较小,因此现在已经不多见了。
电动车充电器原理图
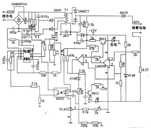
主要由整流滤高压开关、电压变换、恒流、恒压及充电控制等几部分组成。
其基本原理是充电器将输入的220V市电电压经整流滤波后转变为直流300V左右的电压,通过开关管的接通和关断,使300V直流电压变成受控制的交流电压,交流电压通过开关变压器耦合后在其二次侧产生低压交流电,低压交流电再通过二极管整流后输出直流充电电压。
电动车充电器电路图二


以3842驱动场效应管的单管开关电源,配合358双运放来实现三阶段充电方式。
〈烜芯微/XXW〉专业制造二极管,三极管,MOS管,桥堆等,20年,工厂直销省20%,上万家电路电器生产企业选用,专业的工程师帮您稳定好每一批产品,如果您有遇到什么需要帮助解决的,可以直接联系下方的联系号码或加QQ/微信,由我们的销售经理给您精准的报价以及产品介绍
联系号码:18923864027(同微信)
QQ:709211280