数模转换器,即D/A转换器,简称DAC,是将数字数据转换为模拟信号的设备。数模转换就是将离散的数字量转换为连接变化的模拟量,实现该功能的电路或器件称为数模转换电路,通常称为D/A转换器或DAC。
数模转换的内部电路构成无太大差异,一般按输出是电流还是电压、能否作乘法运算等进行分类。
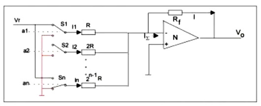
D/A转换器基本上由4个部分组成,即权电阻网络、运算放大器、基准电源和模拟开关。
解码原理
D/A转换的解码原理涉及到代数的基本定律,如下所示:


说白了就是任意一个非负整数A,都可以用一个t进制数表示。其中,t表示进制数,比如常用的t=2就表示二进制的进制数,n表示位数,ai即对应位数上的数值。
那么,如果将上式中的A换成要转换的模拟量,就可以看成是对多个较小模拟量tn加权求和得到,权值即为ai(i=0,1,2,...,n)。
权电阻网络D/A转换器
这里给出一种工作原理简明的权电阻网络D/A转换电路如下图所示:




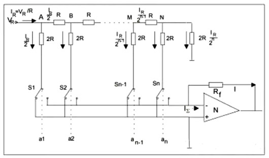
T型R-2R电阻网络D/A转换器
如下图所示是一种实用的T型电阻网络D/A转换电路:


在该电路中,由于运算放大器的虚短特性,不论开关处于何种状态,S1~Sn的各点电位均可认为0(虚地或实地)。
那么,从右到左观察图中N、M、...、B、A各点,从各点向右看对地电阻都是R;从左到右分析,可得各路的电流分配,其规律是IR/2、IR/4、...、IR/2n-1、IR/2n。
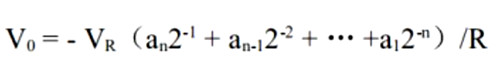
满足按权分布的要求,可得:


从而实现D/A转换。
〈烜芯微/XXW〉专业制造二极管,三极管,MOS管,桥堆等,20年,工厂直销省20%,上万家电路电器生产企业选用,专业的工程师帮您稳定好每一批产品,如果您有遇到什么需要帮助解决的,可以直接联系下方的联系号码或加QQ/微信,由我们的销售经理给您精准的报价以及产品介绍
联系号码:18923864027(同微信)
QQ:709211280