一、光伏发电系统概述
光伏发电系统(简称光伏系统)以其取之不尽的能源来源和环保特性备受青睐。它以光伏电池为核心,通过光生伏特效应,将太阳辐射能直接转换为电能。这类系统不仅清洁、安全,且不破坏生态,组成部件包括光伏电池、逆变器、并网箱、支架、交直流线缆等。
二、逆变器的关键作用与分类
逆变器,作为光伏发电系统中的核心电力转换???,承担着将光伏电池产生的直流电转换为与市电频率一致的交流电的任务,实现了电能在电网或交流设备中的有效利用。
(一)分类方式
并/离网型 :根据是否并网,逆变器可分为并网型与离网型。并网型逆变器可将电能反馈回电网,而离网型逆变器则适用于独立的电力供应系统。
单相和三相 :依据输出相数,逆变器分为单相和三相逆变器。单相逆变器适用于小功率、低电压的应用场景,如家庭住宅;三相逆变器则适用于大功率、高电压的商业和工业领域。
隔离要求分类
工频隔离 :通过工频变压器实现源边与副边的隔离,具有较高的安全性,但工频变压器体积较大,导致逆变器整体体积和重量增加。
高频隔离 :采用高频变压器进行隔离,可显著减小变压器体积,提高逆变器的功率密度。高频隔离逆变器常用于微型逆变器中,以满足人体安全和设备小型化的需求。
非隔离 :非隔离逆变器省略了隔离变压器,直接将直流电转换为交流电。这种结构简单、成本低,但需要采取其他措施确保电气安全,如接地保护等。
功率大小分类
微型逆变器 :适合于单个光伏板或小型光伏阵列,功率通常在几百瓦到几千瓦之间。它们具有安装灵活、易于扩展的特点,可实现对每个光伏板的独立控制和优化。
组串式逆变器 :功率范围一般在几千瓦到几十千瓦,适用于中小型光伏系统。它们通过将多个光伏板组成的组串连接到逆变器,实现对整个组串的集中控制和优化。
集中式逆变器 :功率较大,通常在几十千瓦到兆瓦级以上,适用于大型光伏电站。集中式逆变器将大规模的光伏阵列产生的直流电集中转换为交流电,具有较高的转换效率和较低的单位成本。
三、光伏逆变器的拓扑结构
光伏逆变器的拓扑结构因功率和应用场景而异,主要有以下几种:
(一)工频隔离逆变器
工频隔离逆变器通过工频(50Hz)变压器实现源边和副边的功率传输。其拓扑结构相对简单,主要包括整流桥、滤波电路和工频变压器。然而,工频变压器体积庞大,限制了逆变器的进一步发展。


(二)高频隔离逆变器
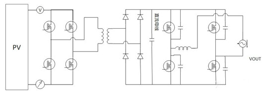
高频隔离逆变器常用于微型逆变器中,以实现交流侧与直流侧的隔离,确保人体安全并减小体积。常见的拓扑结构包括:
带有中间直流母线的逆变器结构 :先将交流电整流为高压直流电,再通过逆变器输出交流信号。该结构允许源边整流和副边逆变独立调整,但需要较多功率器件和高压直流母线电容。


伪直流母线拓扑 :无直流母线,通过交错反激结构将直流信号转换为正半周期正弦波,再经可控硅调整为全周期正弦波。此拓扑节省高压电容,但工作效率较低,适合小功率微型逆变器。


不含直流母线的串联谐振拓扑 :无需直流母线和高压电容滤波,变压器源边在零电压开通状态下工作,效率较高,适用于光伏逆变器和户用储能逆变器。

〈烜芯微/XXW〉专业制造二极管,三极管,MOS管,桥堆等,20年,工厂直销省20%,上万家电路电器生产企业选用,专业的工程师帮您稳定好每一批产品,如果您有遇到什么需要帮助解决的,可以直接联系下方的联系号码或加QQ/微信,由我们的销售经理给您精准的报价以及产品介绍

〈烜芯微/XXW〉专业制造二极管,三极管,MOS管,桥堆等,20年,工厂直销省20%,上万家电路电器生产企业选用,专业的工程师帮您稳定好每一批产品,如果您有遇到什么需要帮助解决的,可以直接联系下方的联系号码或加QQ/微信,由我们的销售经理给您精准的报价以及产品介绍
联系号码:18923864027(同微信)
QQ:709211280