光伏逆变器作为电力电子技术行业的一个重要分支,其技术进步高度依赖于电子元器件和控制技术的展开。而随着光伏发电微风力发电等新能源大范围应用和降本钱的需求,反过来又推进了电力电子技术的展开,近年来逆变器厂家竞争猛烈,其总体趋向是体积越来越小,重量是越来越轻,销售价钱越来越低,那么,逆变器厂家是采取哪些方法怎样完成的?
1、尽量减少功率器件的数量,进步功率器件的开关频率。
2、尽量增加功率器件的数量,降低功率器件的开关频率。
你没有看错,这两个貌似相互矛盾的方案,确是逆变器行业技术道路的真实写照。为什么是这种情况,逆变器的中心技术是热设计技术和输出电流谐波控制技术,功率器件的开关频率越高,输出波形就越好,但器件的损耗也越高,逆变器体积最大,最贵的两种器件是散热器和电感,它们的体积、本钱,重量约占逆变器的30%左右,逆变器怎样降本钱,怎样减少体积,都要在它们俩身上打主意。
要想减少散热器的体积,就必需求减少功率器件的热损耗,目前有两种技术道路:
一是采用碳化硅材料的元器件,降低功率器件的内阻
二是采用三电平,五电对等多电平电气拓扑以及软开关技术,降低功率器件两端的电压,降低功率器件的开关频率。电感是控制逆变器输出波形最关键的硬件,要想减少电感的体积,就必需增加功率器件的开关频率。


1、功率开关管的历史:
第一代是可控硅,也称晶闸管(SCR),它只能控制器件导通,器件关通要靠主电路电压反向来中止,因此说它是一种半控型器件,它的开关容量大,能抵达几万安培,耐压高,但驱动电路结构很复杂,器件的开关频率低,损耗也较大。
第二代是GTR,是电流控制型双极双结电力电子器件,它具有开关损耗小和阻断电压高的优点,但开关频率不高,驱动电流较大。
第三代是MOSFET,它是一种电压控制型器件,控制功率极低,开关频率高,但输出特性不好。
第四代是绝缘栅晶体管(IGBT),它是一种用MOS栅控制的晶体管,它集中了GTR和MOSFET的优点,驱动电路简单和开关频率高,和MOSFET相似,输出电流大和GTR相似,第五代是参与SIC碳化硅材料的MOSFET和IGBT以及碳化硅肖特基二极管。
碳化硅(SiC)器件属于宽禁带半导体组别,与常用硅(Si)器件相比,有许多优势:一、是耐高压,碳化硅器件具备更高的击穿电场强度,最高耐压可达10kV,比硅(Si)器件耐压进步了几倍;二、是耐高温,其最高结温可达600度,而最新英飞凌的PrimePACK第四代IGBT,其最高结温是175度;三、是碳化硅器件开关损耗非常低,非常适宜用于高开关频率系统,当开关频率大于20Khz时,碳化硅器件损耗是硅IGBT的50%。IGBT+Si二极管的损耗,随着频率的改动损耗变化幅度非常大,而IGBT+SiC二极管的损耗,随着频率的变化改动不是很大。特别是在16K到48K,其总损耗几乎是线性的,增加幅度较小。
但是碳化硅也有缺点,限制了它的应用范围:
一、是电流较小,迄今为止SiCMOSFET和肖特基二极管的最大额定电流小于100A,大功率逆变器用不上;
二、是产能缺乏,价钱还比较贵;
三、是稳定性和硅基IGBT相比还差一点;
2、软开关与多电平技术
软开关技术应用谐振原理,使开关器件中的电流或者电压按正弦或者准正弦规律变化,当电流自然过零时,关断器件;当电压自然过零时,开通器件。从而减少了开关损耗,同时极大地处置了理性关断,容性开通等问题。当开关管两端的电压或流过开关管的电流为零时才导通或者关断,这样开关管不会存在开关损耗。
软开关谐振变换器是由电感、电容组成谐振电路,增加了很多器件,系统变得复杂,可靠性降低;由于光伏逆变器要保证功率要素为1,因此软开关技术只适宜在前级DC-DC变换中用到,后级的DC-AC变换还需求多电平技术。
按照输出电压的电平数,逆变器可以分为两电平和多电平。
两电平换流器的主要优点有:电路结构简单,电容器数量少,占空中积小。但由于两电平逆变器器件需求承受的电压高,因此开关损耗较大,为了避免呈现上述技术难题,多电平开端呈现,并遭到了越来越多的关注。
所谓多电平是指输出电压波形中的电平数等于或者大于3的换流器,如三电平、五电平、七电对等。多电平换流器降低了两电平对开关器件两端的电压,可经过适合的调制方式减少开关器件的开关损耗,同时坚持交流侧较低的谐波。
两电平与多电平优点:
1)损耗对比,两电平中主开关承受电压为为全部母线电压,三电平为直流侧电压一半,五电平为直流侧电压四分之一,电压的降低,带来损耗的降低和可靠性增加。
2)输出谐波:输出电平台阶越多,波形越趋近与正弦波,三电平系统相关于两电平系统,相当于把开关频率进步一倍,五电平系统对两电平系统,相当于把开关频率进步两倍,后面的滤波电感容量就可以减少一到两倍。两电平与多电平缺陷:三电平、五电平和两电平器件数量相比,要多3倍到5倍,随着器件的增加,主电道路路长,系统杂散电感增加,系统的可靠性降低,控制算法也变得很复杂。
综合起来,要想把逆变器体积降低,一个途径是运用碳化硅材料的功率开关器件,进步开关频率,降低电感的体积,但碳化硅目前技术还不是非常成熟,价钱较贵,容量也比较小,应用遭到限制;另一个途径是采用软开关和多电平技术,可以降低器件的电压,减少损耗,从而减少散热器的体积,还可以间接进步开关频率,降低电感的体积,但是这个方案元器件增加几倍,增加了系统的风险。
有没有一种器件,既有碳化硅材料的低内阻,还有三电平结构的低电压,整个系统的元器件还不能多,还要好安装,好控制,可靠性也要好,而且价钱也不能太贵。集成这么多优势的元器件到底有没有?
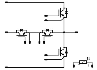
这种功率器件还真有,它就是集成多个元器件的功率??椤O峦际怯糜诠夥姹淦鞯墓β誓??,它结构紧凑,将多个分立器件集成到一个模块中,减少了器件之间连线的寄生阻抗。功率??榍芈酚胫鞴β驶芈反硬煌墓芙欧直鹨?,减少了IGBT主功率回路对驱动回路的电磁干扰。模块配置了NTC电阻,可以精准地检测??槟诓课露取?802.png前级DC-DC电路 由2个高速IGBT、4个碳化硅二极管和一个温度传感器等7个元器件组成,包含双路boost???,额定电流为50A,可以支持25kW的MPPT回路。




后级采用高效MNPC三电平IGBT???,由4个50-80A的IGBT组成,一个??橄嗟庇?个分立器件。采用中点钳位型的T型三电平结构,损耗低效率高,元器件承受的电压低,寿命长。


烜芯微专业制造二三极管,MOS管,20年,工厂直销省20%,1500家电路电器生产企业选用,专业的工程师帮您稳定好每一批产品,如果您有遇到什么需要帮助解决的,可以点击右边的工程师,或者点击销售经理给您精准的报价以及产品介绍


烜芯微专业制造二三极管,MOS管,20年,工厂直销省20%,1500家电路电器生产企业选用,专业的工程师帮您稳定好每一批产品,如果您有遇到什么需要帮助解决的,可以点击右边的工程师,或者点击销售经理给您精准的报价以及产品介绍