llc电路、工作原理
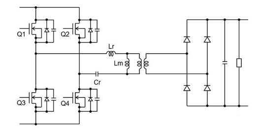
下图是半桥LLC的拓扑结构,是由2个电感和1个电容构成的谐振电路,故称之为LLC。其拓扑结构根据MOS管的配列可以分为半桥或全桥类型。


需要注意的是,图中的变压器是理想变压器,只起到匝比转换电压的作用。励磁电感Lm是变压器的原边线圈电感,在空载时参与谐振,由谐振频率fr2的表达式来体现;在带载时Lm两端电压被钳位,不参与谐振,由谐振频率fr1的表达式来体现。
两个电感分别为变压器一次侧漏感(Lr)和励磁电感(Lm),电容为变压器一次侧谐振电容(Cr)。这些元件构成了一个谐振回路,其中输入电感和输出电感分别与谐振电容串联连接。
LLC电路的工作原理是通过控制谐振频率来实现电力转换。LLC电路通过谐振能够实现MOS管的软开(soft switching),减少开关损耗。另外MOS管的通态损耗也很低,换言之产生的焦耳热也少,这样就可以不额外使用散热片进行散热。因为这些优点,LLC电路被广泛使用在DC/DC Converter中。
与传统PWM(脉宽调节)变换器不同,LLC是一种通过控制开关频率(频率调节)来实现输出电压恒定的谐振电路。优点是:实现原边两个主MOS开关的零电压开通(ZVS)和副边整流二极管的零电流关断(ZCS),通过软开关技术,可以降低电源的开关损耗,提高功率变换器的效率和功率密度。LLC可分为半桥和全桥两种架构,半桥适用于100-2000瓦功率段,全桥适用于2000瓦以上功率段。


半桥LLC电路


全桥半桥LLC
在LLC电路中,输入电感Lr起到滤波和限流的作用;谐振电容Cr则用于存储和释放能量;输出电感Lm则再次过滤电流。当输入电压施加到LLC电路上时,输入电感会限制电流的变化率,从而?;さ缭?。谐振电容会在谐振频率时存储能量,而输出电感则平滑输出电流。
LLC变换器由 4 个??樽槌桑旱缭纯?、谐振腔、变压器和二极管整流器。


MOSFET功率开关首先将输入的直流电压转换为高频方波;随后方波进入谐振腔,由谐振腔消除方波的谐波并输出基频的正弦波;正弦波再通过高频变压器传输到变换器的副边,并根据应用需求对电压进行升压或降压;最后,二极管整流器将正弦波转换为稳定的直流输出。
LLC电路在具有效率高、EMI噪声低、功率密度高、开关应力小等方面的优势,是一种高效的电能转换技术,主要用于直流-直流(DC-DC)变换。
高效能量转换:LLC电路通过控制开关频率实现输出电压的恒定调节。它在谐振点附近具有高效率,特别适用于高频和高功率密度设计。
软开关技术:LLC电路能够实现原边主开关的零电压开通(ZVS)和副边整流二极管的零电流关断(ZCS)。这种软开关技术显著降低了开关损耗,提高了功率变换器的效率和功率密度。
〈烜芯微/XXW〉专业制造二极管,三极管,MOS管,桥堆等,20年,工厂直销省20%,上万家电路电器生产企业选用,专业的工程师帮您稳定好每一批产品,如果您有遇到什么需要帮助解决的,可以直接联系下方的联系号码或加QQ/微信,由我们的销售经理给您精准的报价以及产品介绍
联系号码:18923864027(同微信)
QQ:709211280