一、电路核心原理
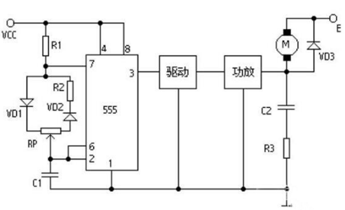
直流电机 PWM 调速器电路主要基于占空比可调的脉冲振荡器来实现电机转速的精准控制。电机 M 通过接收该脉冲振荡器输出的脉冲信号来驱动运行。具体而言,脉冲的占空比与电机的驱动电流及转速之间存在密切关系:当脉冲的占空比增大(即导通时间延长),电机的驱动电流也随之增大,从而促使电机转速加快;反之,若脉冲的占空比减?。吹纪ㄊ奔渌醵蹋缁那缌骷跣?,电机转速则相应降低。因此,通过调节电位器 RP 即可有效控制占空比,进而实现对电机转速的连续调节,满足不同应用场景下对电机转速的多样化需求。


二、电路设计要点及功能元件
NE555 驱动及功率匹配 :若电机的工作电流低于 200mA,可直接利用 NE555 的第 3 引脚输出脉冲信号驱动电机。然而,对于需要更大驱动电流的电机,必须增设驱动和功率放大级,以确保电路能够为电机提供足够的功率输出,匹配电机的功率需求,保障电机稳定运行。
续流二极管 VD3 :在功放管截止(关断)期间,VD3 为电机驱动电流提供关键的续流通路。这一设计不仅确保了电机驱动电流的连续性,避免电流中断对电机运行造成不良影响,而且有效防止了电机线圈产生的自感反向电动势对功放管造成潜在的损坏,提升了电路的可靠性和功放管的使用寿命。
补偿网络(C2 和 R3) :该补偿网络的主要作用是优化负载特性,使负载在电路中呈现出电阻性质。这有助于改善电路的稳定性和动态性能,确保 PWM 调速器在不同负载条件下均能稳定、准确地调节电机转速。
三、脉冲频率控制及电路工作参数
整个 PWM 调速器电路的脉冲频率被精心设计并控制在 3 - 5kHz 范围内。这一频率区间的选择至关重要,原因在于:若脉冲频率过低,电机在运行过程中容易出现抖动现象,影响电机的平稳运行和控制精度;而若脉冲频率过高,则会导致占空比的可调范围变小,进而使得电机的调速范围受到限制,降低了调速器的性能和灵活性。
四、有刷直流电机 PWM 调速器实例及工作过程
图中展示了基于广泛应用于定时和振荡电路的 555 定时器构建的有刷直流电机 PWM 调速器实物图。该电路具备如下工作特性:


该 PWM 调速器的工作电压范围为 5 - 30V,能够输出高达 3A 的电流,适用于多种有刷直流电机的调速需求。
其工作过程如下:


首先,当旋钮右旋致使开关闭合时,5V 电源经 R2、D2 以及 RP1(1-2)支路开始对 C3 充电,随着充电过程的进行,C3 两端电压逐渐上升,直至达到触发电平,触发电路发生翻转。
触发翻转后,NE555 的第 7 脚(放电端)对地导通,此时 C3 通过 RP1(2-3)、D3 和 R4 所构成的放电回路对地放电,C3 电压随之下降,直至降至复位电平,电路再次触发翻转。
触发翻转后,第 7 脚放电端对地阻断,C3 重新经由 R2、D2 和 RP1(1-2)支路开始充电,重复上述充电、放电过程,形成周期性的振荡,为电机提供连续的 PWM 脉冲信号。
调节旋钮实质上是在改变 RP1 的阻值,进而调节 C3 的充放电时间常数,从而达到调节占空比的目的。在此过程中,振荡频率(或振荡周期)保持相对稳定,不会因占空比的调节而发生明显变化。
五、充放电时间与频率计算公式
充电时间(ton) :ton = 0.693 × [R2 + RP1(1-2)] × C3
放电时间(toff) :toff = 0.693 × [R4 + RP1(2-3)] × C3
振荡频率(fw) :fw = 1 / T = 1 / (ton + toff)
PWM 的占空比(即导通时间与周期的比值)决定了电机的有效电压,进而直接影响电机的转速。占空比越大,电机所获得的有效电压越高,转速也就越快。
〈烜芯微/XXW〉专业制造二极管,三极管,MOS管,桥堆等,20年,工厂直销省20%,上万家电路电器生产企业选用,专业的工程师帮您稳定好每一批产品,如果您有遇到什么需要帮助解决的,可以直接联系下方的联系号码或加QQ/微信,由我们的销售经理给您精准的报价以及产品介绍
联系号码:18923864027(同微信)
QQ:709211280