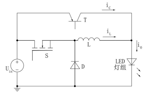
在汽车 LED 照明系统的设计中,有源纹波补偿 Buck 电路拓扑结构发挥着至关重要的作用。由于电解电容在高温环境下的使用寿命会显著降低,这直接对 LED 照明系统的可靠性造成了严重的影响。特别是在汽车前照灯的应用场景中,发动机散热的问题使得 LED 驱动电源电路的寿命大幅缩短。
汽车前照灯因受发动机散热影响,其 LED 驱动电源电路的使用寿命会受到明显冲击。鉴于电解电容的工作温度升高时,寿命会大幅缩短这一特性,在采用 Buck 电路作为开关电路以实现高效电能转换的过程中,通过运用线性电路来抑制电路纹波,从而衍生出有源纹波补偿 Buck 电路。这种电路设计能够实现高可靠性、长寿命的 LED 驱动,有效解决了传统 Buck 电路在高温环境下因电解电容寿命问题而导致的系统可靠性下降的难题。


一、典型电路参数与元件选型
该汽车 LED 照明系统以标准 24V 直流供电电压为基础,所选用的 LED 型号为 XR - M3,其额定功率达到 30W,工作电流为 0.7A。经计算,LED 灯组的静态等效电阻 R 为 6.8Ω。在电路中,电感 L 的取值为 220uH,辅助补偿电源电压设定为 18V。
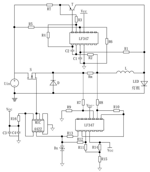
对于功率开关器件,选用了 NMOS 管。续流二极管则采用了 MBR10100 肖特基二极管,以满足快速续流的要求。补偿电路中的三极管选型为 S8550,而补偿电路的集成放大器则采用了 LF347 芯片。此外,功率驱动芯片选用了 MIC4422,以确保驱动信号的稳定性和可靠性。
二、汽车 LED MOS 管选型的关键要点
(一)功率和电压要求
必须依据 LED 的功率需求以及工作电压范围,精准确定 MOS 管的额定功率与耐压等级。如此一来,可以确保 MOS 管在 LED 的正常工作电压区间内保持稳定的工作状态,避免因过压或过载等问题导致 MOS 管损坏,进而保障整个 LED 照明系统的可靠运行。
(二)电流承受能力
在 LED 驱动电路中,MOS 管的主要功能之一是控制电流。因此,所选 MOS 管必须具备承受所需电流的能力。若 MOS 管的电流承受能力不足,在实际工作过程中就容易因过载而损坏,这将直接影响 LED 照明系统的正常运行,甚至可能引发安全隐患。合理的选型需要充分考虑 LED 驱动电路中的最大工作电流,并预留一定的裕量,以确保 MOS 管能够在长期工作过程中稳定地控制电流,满足 LED 的照明需求。
(三)开关速度
为了满足 LED 驱动对于亮度调节以及降低频闪等特性的要求,MOS 管的开关速度成为选型时的重要考量因素。较快的开关速度能够使 MOS 管在高频工作状态下,更精准地控制 LED 的电流变化,从而实现更细腻的亮度调节和更少的频闪现象。在选型过程中,需要重点关注 MOS 管的数据手册中所提供的开启和关闭时间参数,确保所选 MOS 管的开关速度与 LED 驱动电路的工作频率以及系统性能要求相匹配,以充分发挥其在 LED 照明系统中的优势。
(四)热特性
在 LED 驱动的过程中,MOS 管不可避免地会产生热量。若 MOS 管的导热性能不佳,或者其最大工作温度裕量不足,那么在长时间的工作过程中,热量的积累将导致 MOS 管的温度不断升高。这不仅会影响 MOS 管自身的性能,如增加导通电阻、降低开关速度等,还可能进一步影响整个 LED 照明系统的性能和稳定性。严重时,甚至可能引起热失效,缩短系统的使用寿命。因此,在选型时,必须充分考虑 MOS 管的导热性能以及最大工作温度限制,必要时还需配备有效的散热措施,以确保系统在各种工况下都能保持良好的热平衡,维持稳定的运行状态。
(五)封装类型
汽车工作环境通常伴随着振动以及较大的温度变化范围。鉴于此,选择 MOS 管时,封装类型的耐高温性能以及抗震动性能至关重要。常见的适用于汽车 LED 照明系统的 MOS 管封装类型有 TO - 220、DPAK 等。这些封装形式经过特殊设计,具备较强的环境适应性,能够在恶劣的汽车工作环境中保持良好的电气性能和机械稳定性,确保 MOS 管在车辆行驶过程中的可靠性,从而为汽车 LED 照明系统提供稳定持久的驱动支持。
〈烜芯微/XXW〉专业制造二极管,三极管,MOS管,桥堆等,20年,工厂直销省20%,上万家电路电器生产企业选用,专业的工程师帮您稳定好每一批产品,如果您有遇到什么需要帮助解决的,可以直接联系下方的联系号码或加QQ/微信,由我们的销售经理给您精准的报价以及产品介绍
〈烜芯微/XXW〉专业制造二极管,三极管,MOS管,桥堆等,20年,工厂直销省20%,上万家电路电器生产企业选用,专业的工程师帮您稳定好每一批产品,如果您有遇到什么需要帮助解决的,可以直接联系下方的联系号码或加QQ/微信,由我们的销售经理给您精准的报价以及产品介绍
联系号码:18923864027(同微信)
QQ:709211280