LED因其应用广泛,价格公道,而被业界广泛采用,不管是节日的装饰灯还是家庭使用的各种灯具要用到LED的驱动电路,因为它降低的能源的消耗,可长期稳定的工作,今天我就从一个实用的LED电路给大家延伸性的介绍LED照明驱动电路。
发光二极管(LED)因其具有高效、节能、寿命长、环保等特点,已成为现今照明技术的可选方案,并逐渐被应用于照明。促使人们关注LED照明技术的一个关键因素是,其大大降低了能源的消耗,并可实现长期可靠的工作。
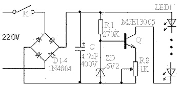
本文先从采用恒流源的电路开始,本电路中的主要元件三极管,要求其耐压要400V以上,功率也要10W以上的大功率管,如MJE13003、MJE13005等,并且要加上散热片,滤波电容C容量为4.7uF,耐压要有400V以上,发光管电流的大小由R2调整决定,为方便调整可用可变电阻调整后再换上相同阻值的固定电阻,本电路可带发光管数量少则十几只,最多可达到90多只,虽然增加了一些成本,但使用效果要比只用电阻限流的电路好得多,即使电压波动较大,电路仍然能保持电流恒定不变,这对发光管的寿命是非常有利的,在此范围内的电流都能基本保持恒定不变。本电路使用发光管数量也不可太少,越少其效率也越低。本电路总耗电功率约6W。


在这里我顺便给大家讲讲LED采用并联接法好还是采用串联接法好?
LED采用并或串联接法,主要应该根据电源盒电路的形式及要求决定。
采用串联接法的电路,当其中一只LED断路时整串的LED都不亮;但当其中一只LED短路时其他LED都还能亮。采用并联接法的电路,当其中一只LED断路时其它的LED都还能亮;但当其中一只LED短路时则整个电路的电源将被短路,这样不仅其它的LED都不能正常工作,而且还有可能损坏电源。故相比之下还是串联接法的电路较有优势。
并联接法只需要在每个LED两端施加较低的电压,但需要利用镇流电阻或电流源来保证每个LED的亮度一致。如果流过每个LED的偏置电流大小不同,则它们的亮度也不同,从而导致整个光源亮度不均匀。然而,利用镇流电阻或电流源来保证LED的亮度一致将缩短电池的使用寿命。采用串联接法本质上可以很好保证流过每只LED电流的一致性,但要求电源电压要高。LED采用并联接法时,由于电路的总电流是各个LED电流之和,所以要求电源要能供给足够大的电流。
其实严格意义上并联或串联接法各有它们的优缺点。需要你在实用的予以考虑多方面因素。在实际运用中常采用串并联形成的LED阵列,这样可以克服或减小上述单个LED断路或短路造成整串LED不亮或对整个电路和电源的影响。所谓串并联就是先用少量LED串联再串镇流电阻组成一条支路,再将若干条支路并联组成“支路组”。此外,还能采用串并串形式,就是在已组成的“支路组”的基础上,再将若干“支路组”串联构成整个灯具电路,此种接法不仅缩小了一只LED故障时的影响面,而且将镇流电阻化整为零,将几只大功率电阻变成几十只小功率电阻,由集中安装变成分散安装,这样既利于电阻散热,又可以将灯具设计的更紧凑。
首先任何电路我们必须要考虑其电源驱动,通常驱动LED采用专用恒流源或者驱动芯片,容易受体积和成本等因素的限制,最经济实用的方法就是采用电容降压式电源。用它驱动小功率LED,具有不怕负载短路、电路简单等优点,而且一个电路能驱动1~70个小功率LED(但是,这种电源电路启动时的电流冲击,尤其是频繁启动,会给LED造成破坏。当然,采取适当的?;け憧杀苊庹庵殖寤?,在这方面,可以采用安森美半导体的NUD4700 LED分流?;そ饩龇桨?。在LED正常工作时,泄漏电流仅为近100 μA;而在遭遇瞬态或浪涌条件时,LED就会开路,这时NUD4700分流?;て魉诘姆至魍ǖ兰せ?,所带来的压降仅为1.0 V,将带给电路的影响尽可能地减小。这器件采用节省空间的小型封装,设计用于1 W LED(额定电流为350 mA@ 3 V),如果散热处理恰当,也支持大于1 A电流的操作。


电容降压式电源的典型电路如图
对驱动电路的检查,应该根据电路图仔细核对电路是否接错,特别注意检查整流桥(长脚的是正极输出,其对角是负极输出,另外两脚是交流输入)或整流二极管以及稳压二极管的极性是否正确(印有黑线或白线的一端是负极),还有检查晶体三极管或稳压集成电路的三个电极是否错接等。
C1为降压电容器(采用金属化聚丙烯电容),R1为C1提供放电回路。电容C1为整个电路提供恒定的工作电流。电容C2为电解电容,其耐压值取决于所串联的LED的个数(约为其总电压的1.5倍以上),它的主要作用是抑制通电瞬间引起的电压突变,从而降低电压冲击对LED寿命的影响。R4为电容C2的泄流电阻,其阻值应随着LED个数的增加适当增加。
由于电容降压电源是一种非隔离式电源,在通电瞬间会产生很大的电流,也就是所谓的浪涌电流。此外,由于外界环境的影响(如雷击) 电网系统会侵入各种浪涌信号,有些浪涌会导致LED的损坏。所以,要提供热敏电阻?;ぃ飧鲋饕懈何露认凳让舻缱璞;ぃ∟TC热敏电阻,NTC是Negative Temperature Coefficient的缩写)和正温度系数热敏电阻?;ぃ≒TC(Positive Temperature Coefficient))然后有瞬态电压抑制器保护((Transient Voltage Suppressor),简称TVS)
负温度系数意思是负的温度系数,泛指负温度系数很大的半导体材料或元器件,限制浪涌电流的最简单有效的方法是在线路输入端串联一只NTC热敏电阻
正温度系数电流通过PTC热敏电阻后引起温度升高,即发热体的温度上升,当超过居里点温度后,电阻增加,从而限制电流增加,于是电流的下降导致元件温度降低,电阻值的减小又使电路电流增加,元件温度又升高,周而复始。
瞬态电压抑制器主要用于对电路元件进行快速过压保护。当TVS管两极受到反向瞬态高能量冲击时,它能以10-12s量级的速度将两极间的高阻抗变为很低的阻抗,吸收高能量的浪涌,将两极间的电压钳位于个预定值,?;さ缱酉呗分械脑骷馐芨髦掷擞柯龀宓某寤鞫鸹?。
电话:18923864027(同微信)
QQ:709211280
〈烜芯微/XXW〉专业制造二极管,三极管,MOS管,桥堆等,20年,工厂直销省20%,上万家电路电器生产企业选用,专业的工程师帮您稳定好每一批产品,如果您有遇到什么需要帮助解决的,可以直接联系下方的联系号码或加QQ/微信,由我们的销售经理给您精准的报价以及产品介绍