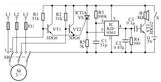
一、电动机防盗报警器电路


将本装置与三相电动机引线相连接,在电动机正常运转时,装置保持静默。当电动机停转后,若有人试图拆卸电动机的引线,装置将自动进入报警状态,发出警报声以警示。
工作原理
正常运转状态 :SB 是三相双投刀开关,当合在 “1” 的位置时,电动机正常运转。此时,扳动 SB 到 “2” 的位置,装置处于工作状态。合上开关 S,装置处于警戒状态;断开开关 S,装置处于解除警报状态。
报警触发机制 :将 SB 扳向 “2” 位置后,VT1、VT2 基极经电动机 M 内部线圈接地,晶闸管 VS 关断,IC 触发端无触发电压,扬声器 B 不发声。当有人偷盗电动机时,只要拆开三相电动机三根引线中的任意两根,就会使 VT1 或 VT2 进入饱和状态。电流通过 VT1 或 VT2,触发 VS 导通,IC 输入端获得正向触发电压,其输出端输出报警电信号。经 VT3 放大后,驱动扬声器 B 发出报警声。
二、紧凑型电子警报器电路
电路构成与功能
这是一个基于三个晶体管的紧凑型电子警报器电路,适用于与其他警报或警报器项目结合使用,例如防盗警报器、自动工厂警报器等,也可作为简单的按下警报使用。


工作原理
非稳态多谐振荡器 :该电路基于由 Q2 和 Q3(BC557 和 BC37)组成的互补晶体管对,连接为非稳态多谐振荡器,直接驱动扬声器。
电容器充电与放电过程 :晶体管 Q1 用于为电容器 C2 提供完全充电。当电源打开时,按下按钮开关 S1,电容器 C2 通过电阻 R8 缓慢放电。这使得电路以低频振荡,然后随着电容器完全放电而增加到高频并无限期地保持。当开关 P1 释放时,输出频率缓慢下降,因为 C2 通过电阻 R6 和晶体管 Q2 的基极 - 发射极结充电至正电压。当 C2 完全充电至电池正电压时,电路停止振荡。
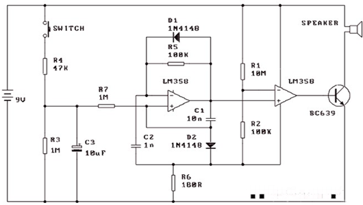
三、简单电子警报器电路
电路特点
这是一款低成本、简单的电子警报器,仅由 9V 电池供电。该电路可以提供报警电路中的最终电路块???,使用继电器来激活它。


工作原理
电容器充放电过程 :当按下开关时,C3 通过 R4 充电,时间常数为 0.47 秒。当释放开关时,C3 开始通过 R7 和 R3 进行较慢的放电,时间常数约为 5 秒。
运算放大器设置 :运算放大器设置为压控振荡器。这个简单电子警报器电路中的控制电压是 C3 充电和放电时电压的指数上升和下降。
振荡器输出与切换 :当振荡器(引脚 7)的输出切换为低电平时,C1 上残留电荷,使引脚 5 保持在切换点以下。通过 R7 的电流与 C3 上的控制电压成正比。该电流对 C1 进行放电,导致引脚 5 上的电压以与 C3 上的电压成比例的速率上升至开关点。
运算放大器关闭与再次开启 :当达到切换点时,引脚 7 切换为高电平,并首先通过 C1 将引脚 6 拉高。这会导致运算放大器暂时难以开启。但 C3 通过 D2 快速充电,导致引脚 5 上的电压降至开关点以下,导致运算放大器再次关闭。
运算放大器输出与缓冲 :运算放大器输出的正脉冲将固定量的电荷放入 C2,略微提高引脚 6 的电位。这会导致引脚 6 上的电位上升并有助于运算放大器的急剧关闭。此外,R5 和 C2 将引脚 6 上的上升沿延迟足够长的时间,以获得良好的输出脉冲。然后重复该循环。
输出脉冲与声音产生 :在 C3 放电周期期间,C1 的充电速率随着振荡器的每次重复而降低(因为控制电压较低),并且输出频率相应较低。在 C3 充电周期期间,情况相反。输出脉冲由第二个运算放大器缓冲,然后电流施加到驱动晶体管。输出波形的占空比较低,但发出的声音却出奇的响亮。
〈烜芯微/XXW〉专业制造二极管,三极管,MOS管,桥堆等,20年,工厂直销省20%,上万家电路电器生产企业选用,专业的工程师帮您稳定好每一批产品,如果您有遇到什么需要帮助解决的,可以直接联系下方的联系号码或加QQ/微信,由我们的销售经理给您精准的报价以及产品介绍
〈烜芯微/XXW〉专业制造二极管,三极管,MOS管,桥堆等,20年,工厂直销省20%,上万家电路电器生产企业选用,专业的工程师帮您稳定好每一批产品,如果您有遇到什么需要帮助解决的,可以直接联系下方的联系号码或加QQ/微信,由我们的销售经理给您精准的报价以及产品介绍
联系号码:18923864027(同微信)
QQ:709211280