一、电路构成
LED 灯泡控制电路主要由电阻、电容、二极管等元器件构成,电路板设计较为简洁,元件数量不多。以一个典型电路为例,

电容 C1 和电阻 R1 组成阻容降压电路,对 220V 交流电进行降压处理。降压后的电压经桥式整流电路进行整流,随后通过电容进行滤波,平滑电压波动。最后,电流经过限流电阻 R3 输出电压,点亮两组 LED 灯,仅需这些基本元件即可构成一个简易 LED 灯泡。

电容 C1 和电阻 R1 组成阻容降压电路,对 220V 交流电进行降压处理。降压后的电压经桥式整流电路进行整流,随后通过电容进行滤波,平滑电压波动。最后,电流经过限流电阻 R3 输出电压,点亮两组 LED 灯,仅需这些基本元件即可构成一个简易 LED 灯泡。
二、工作原理


阻容降压与整流滤波 :220V 交流电输入后,首先经过 C1 降压电容进行降压,降低电压至合适范围。降压后的交流电压送入桥式整流电路,实现交流电到直流电的转换。整流后的脉动直流电再经 C2 滤波电容滤波,进一步平滑电压,减少纹波,为后续 LED 供电提供相对稳定的直流电压。
恒流与?;せ?:限流电阻 R3 的作用是限制流经 LED 的电流,防止因电压波动或温度升高导致电流过大而损坏 LED,确保 LED 在额定电流下稳定工作。R1 作为保护电阻,可在一定程度上防止电路过流和过压。R2 是电容 C1 的泄放电阻,当电源断开时,释放 C1 上储存的电荷,避免残留电压对电路和人身安全造成危害。
开灯防冲击?;?:由于 C1 的存在,开灯瞬间会产生较大的充电电流。C2 在此时能够吸收这部分冲击电流,防止其对 LED 造成损伤,起到开灯防冲击的?;ぷ饔?,延长 LED 的使用寿命。
三、电路设计注意事项
散热问题 :LED 安装密度高时,热量难以散发,温度升高会对 LED 的光衰和寿命产生显著影响。散热不佳可能导致光衰减,且 LED 温度升高会使电流增大,大功率照明产品制作中需特别注意散热设计,以保证 LED 的稳定性和使用寿命。小功率 LED 通常采用自散热方式,因此在电路设计中需谨慎控制电流大小,避免因电流过大导致 LED 过热。
元件选择 :在选择降压电容 C1 时,应选用耐压 400V 以上的涤纶或 CBB 电容,以确保其在 220V 交流电源下可靠工作,避免电容击穿引发故障和安全隐患。滤波电容 C2 的耐压需达到 250V 以上,以满足电路的电压要求并保证其正常工作。
四、应用场景与优势
该电路特别适用于小功率灯杯,具有体积小、便于安装的特点,被广泛应用于各类灯杯产品中。其优势包括恒流源供电,保证 LED 稳定发光;低功耗设计,节能效果显著;整体结构小巧经济,降低了生产成本和使用成本。该电路可驱动 20 至 40 颗 20mA 的 LED,满足多种照明场景的需求,如家庭照明、商业照明中的装饰灯、指示灯等小功率照明应用。
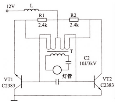
五、12V 低压节能灯电路


如图所示是一款 12V 低压节能灯电路,工作电流约 2A。灯管启动时,12V 电源接通,由三极管 VT1、VT2、C1 和变压器 T 组成的震荡电路产生几十千赫兹的高频交流电。该高频交流电经升压变压器 T 升压后,为荧光灯提供工作电压。此电路中,震荡晶体管 VT1、VT2 和变压器 T 发热量小,功率因数较高,适合用于移动照明或长时间应急照明场景。供电电源可以是 10~14V 的直流电源,例如汽车的 12V 电瓶,方便在不同电源环境下使用。
〈烜芯微/XXW〉专业制造二极管,三极管,MOS管,桥堆等,20年,工厂直销省20%,上万家电路电器生产企业选用,专业的工程师帮您稳定好每一批产品,如果您有遇到什么需要帮助解决的,可以直接联系下方的联系号码或加QQ/微信,由我们的销售经理给您精准的报价以及产品介绍
〈烜芯微/XXW〉专业制造二极管,三极管,MOS管,桥堆等,20年,工厂直销省20%,上万家电路电器生产企业选用,专业的工程师帮您稳定好每一批产品,如果您有遇到什么需要帮助解决的,可以直接联系下方的联系号码或加QQ/微信,由我们的销售经理给您精准的报价以及产品介绍
联系号码:18923864027(同微信)
QQ:709211280