快充与场效应管
消费电子市场的火爆场面拉动了快充的内需,而快充的兴起也带动了MOSFET的需求增长。
用于整流同步的MOS管,可以保证在快充电源提高电压来达到高电流高功率充电时的用电安全性。而低电压高电流充电的“闪充”对整流同步的MOS管要求更为严苛,MOS管用量也呈上升趋势。

目前锂电材料及储能研究技术步伐仍无法跟上人民依赖电子设备程度的增长,电子设备的续航问题没有大的突破性进展,快充的兴起就显得尤为重要。市场为了解决各家不同快充技术的使用局限性,推出USB PD协议来统一快充技术。
2020年5月,Wei YongXiang设计了一款符合USB PD协议的快充移动电源,采用三段式充电和四开关管升降压电路,实现了兼容性强的大功率快充功能,充放电效率大于等于93.3%,具有外围器件需求小,电转换效率率高,延长锂电池寿命等优点。

USB PD快充移动电源结构图
系统电路设计
主电路设计参数
最大充电功率:90W(20W/4.5A)
最大输出功率:65W(20V/4.5A)
电池组:四节锂电池串联
控制核心:数字电源管理SOC芯片EDP3010
电感L>13.8μF
电容:22μF贴片电容*3,35V耐压120μF固态电容
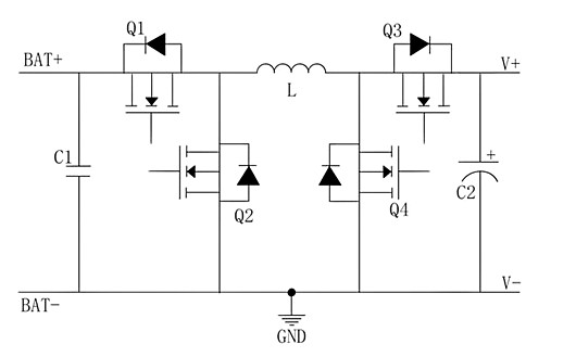
开关电源电路采用四开关Buck-Boost电路结构

四开关升降压主电路
MOS管的选择条件:
承受耐压20V
承受最大电流>9A
导通电阻较小
电话:18923864027(同微信)
QQ:709211280
〈烜芯微/XXW〉专业制造二极管,三极管,MOS管,桥堆等,20年,工厂直销省20%,上万家电路电器生产企业选用,专业的工程师帮您稳定好每一批产品,如果您有遇到什么需要帮助解决的,可以直接联系下方的联系号码或加QQ/微信,由我们的销售经理给您精准的报价以及产品介绍