一、概述
LED 应急灯是一种关键的照明设备,它能在正常电力供应中断时,迅速切换到备用电源,持续提供照明。这种应急灯通常由电源、备用电源(如蓄电池或超级电容器)、智能控制电路和传感器组成。
二、电路组成与功能


(一)基本组成
由降压变压器(9-0-9V)构成的电路对交流电压进行降压处理,随后通过 1 安培桥式整流器(或桥式整流??椋┙姓?。与电阻 R1 连接的 LED 可显示输出直流电压状态。利用正调节器 IC 7808 调节直流电压后,将该电压输入光传感电路。光传感电路采用普通 5mm LDR(光敏电阻)检测光线:LDR 在明亮环境下电阻低,在黑暗环境下电阻高,其感应电平可通过 10KΩ 可变电阻 VR1 调节。
(二)智能控制电路
LED 应急灯照明电路配备智能控制电路和传感器,能在主电源故障时检测信号并切换至备用电源,点亮灯泡或 LED,提供应急照明。主电源恢复后,自动切回主电源并待机充电。
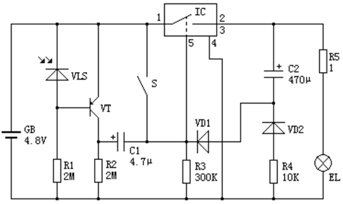
(三)自动应急灯电路组成


自动应急灯电路由光控灯电路、电子开关电路和延时照明电路组成。白天或光线充足时,光敏二极管 VLS 导通,VT 截止,IC 内部电子开关因⑤脚电压为 0V 而关闭,EL 不亮,整机耗电低。夜晚光线变暗时,VLS 阻值增大,VT 导通,R2 电压上升,但因 C1 隔直流,IC⑤脚电压仍低于 1.6V,EL 不亮。若光线突然变暗(如关灯或停电),VLS 呈高阻,VT 迅速饱和导通,R2 产生大电压降。C1 电压不能突变,使 IC⑤脚电压超过 1.6V,IC 内部电子开关接通,EL 点亮。同时,+4.8V 电压经 R3、VD1 和 IC 对 C2 充电,确保 VT 截止时 IC⑤脚电压仍高于 1.6V,维持 EL 点亮。随着 C2 充电,IC⑤脚电压降低,低于 1.6V 时,IC 内部电子开关关闭,EL 熄灭,C2 通过 R5、EL、R4 和 VD2 放电,为下次工作准备。若接通 S,应急灯可用于停电时的连续照明。
三、工作原理与应用优势
(一)工作原理
在应急灯电路中,白天 LDR 允许电流流向 Q1 晶体管基极,使 Q1 导通并接地 MOSFET 栅极,LED 阵列与电源断开。黑暗时,LDR 阻断电流,Q1 基极电压低,保持关闭,MOSFET 栅极无电压,漏源极导通,LED 阵列发光。断电时,电池(6V,4.5Ah)接入偏压,为电路供电。
(二)应用优势
与传统荧光灯管应急灯相比,LED 应急灯具有显著优势。传统荧光灯管应急灯最多提供 2 至 3 小时照明,而 LED 应急灯的发光时间可达约 7 小时,大大延长了应急照明时间,提高了在紧急情况下的可靠性。
〈烜芯微/XXW〉专业制造二极管,三极管,MOS管,桥堆等,20年,工厂直销省20%,上万家电路电器生产企业选用,专业的工程师帮您稳定好每一批产品,如果您有遇到什么需要帮助解决的,可以直接联系下方的联系号码或加QQ/微信,由我们的销售经理给您精准的报价以及产品介绍
联系号码:18923864027(同微信)
QQ:709211280