一、继电器驱动电路概述
在单片机驱动系统中,继电器驱动电路是实现电气隔离与信号转换的关键模块,它能够有效地?;さテ馐芗痰缙飨呷Σ母哐钩寤?,并实现对大功率负载的精确控制。本文将详细剖析继电器驱动电路的原理、工作状态以及各元器件的具体作用。
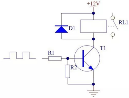
一个单片机驱动电路中经常用到的继电器驱动电路

一个单片机驱动电路中经常用到的继电器驱动电路

二、低电平输入状态分析


当输入低电平时,电路中各点呈现如下状态:VF1为0.4V,VF3为0V,此时继电器触点处于关断状态(??图痰缙鞯牡湫吞卣鳎?,而VF2达到5V。经测量,A1电流为9.75pA,A2电流为88.9pA,这表明晶体管正处于截止状态,无足够电流驱动继电器线圈,确保电路处于安全的断开状态。
三、高电平输入状态分析
当输入高电平时,电路状态发生显著变化:VF1升至2.4V,VF3高达12V,继电器触点随之导通(??图痰缙魑希?,此时VF2降至0.125V。A1电流剧增至915μA,A2电流更是达到48.8mA,这表明晶体管已完全进入饱和导通状态,为继电器线圈提供了接近其额定电流40mA的驱动电流,确保继电器可靠吸合,实现对负载的有效控制。
四、晶体管驱动电路设计
在晶体管驱动继电器的应用场景中,推荐优先选用NPN型三极管构建驱动电路。其电路结构如下:

晶体管T1担当控制开关的角色,当输入高电平时,T1饱和导通,继电器线圈得电,触点随之吸合;而当输入低电平时,T1截止,继电器线圈断电,触点则断开,精准实现对继电器的控制功能。

晶体管T1担当控制开关的角色,当输入高电平时,T1饱和导通,继电器线圈得电,触点随之吸合;而当输入低电平时,T1截止,继电器线圈断电,触点则断开,精准实现对继电器的控制功能。
五、关键元器件功能解析
晶体管T1:作为电路的核心控制元件,T1的导通与截止状态直接决定了继电器的工作状态,是整个驱动电路的执行机构。
电阻R1:主要承担限流任务,有效降低晶体管T1的功耗,防止因电流过大而导致晶体管过热损坏,对电路的稳定运行起到关键的?;ぷ饔?。
电阻R2:确保晶体管T1在无输入信号或低电平输入时可靠截止,避免电路出现误动作,增强电路的抗干扰能力和稳定性。
二极管D1:在晶体管T1由导通转为关断瞬间,继电器线圈产生的反向电动势可达数百伏特,极易损坏晶体管。D1反接于继电器线圈两端,为线圈中的电流提供续流泄放路径,将线圈电压箝位在+12V左右,有效?;ぞ骞躎1不受反向电动势冲击,确保电路安全可靠运行。
〈烜芯微/XXW〉专业制造二极管,三极管,MOS管,桥堆等,20年,工厂直销省20%,上万家电路电器生产企业选用,专业的工程师帮您稳定好每一批产品,如果您有遇到什么需要帮助解决的,可以直接联系下方的联系号码或加QQ/微信,由我们的销售经理给您精准的报价以及产品介绍
联系号码:18923864027(同微信)
QQ:709211280