一、声光控技术概述
声光控技术是一种利用声音和光线变化来控制电路的电子控制方法。该技术广泛应用于节能照明控制领域,能够实现自动控制照明设备的开关,达到节能减排的效果。
二、声光控延时节电电路组成
声光控延时节电电路主要包括声控、光控传感元件、放大器、由555定时器构成的单稳态延时电路以及降压整流电路。它是一种无接触点的智能电子开关,在特定环境光线下,通过声响激发拾音器进行声电转换,控制用电器开启,并在设定延时后自动切断电源,实现节能控制。
三、声光控延时开关结构与原理


声光控延时开关主要由声控开关、光控开关和延时电路三部分组成。
(一)声控部分
声控功能通过驻极体话筒实现?;巴膊杉肪成粜藕?,将其转换为电信号,产生脉冲信号。声音信号的强弱直接影响输出脉冲的幅度和频率。
(二)光控部分
光控电路核心元件为光敏电阻。光敏电阻在不同光照强度下电阻值差异显著:光照充足时呈低阻态,光照较弱或黑暗环境下呈高阻态。光敏电阻阻值变化产生高低电平信号,通过逻辑电路控制整个开关电路的通断。
(三)延时部分
延时电路由电阻、电容等元件构成充放电回路。充电时,电容两端电压逐渐上升;放电时,电压逐渐下降。通过对电容充放电过程的控制,实现设定的延时功能。
四、声光控延时开关工作过程
(一)白天状态
白天光照较强,光敏电阻RG受到充足光照呈低阻态,三极管V2基极电位为低电平。由于V2是NPN型三极管,此时V2处于截止状态。电源正极经电阻R8向三极管V3(PNP型)基极输入高电平,使V3截止。三极管V4(NPN型)基极电位也为低电平,处于截止状态。继电器K不动作,常开触点连接的LED1熄灭,电路不工作。
(二)夜晚状态
无声状态:光线较暗,光敏电阻RG阻值增大。若有突发声音,如拍手声,驻极体话筒MIC接收声音信号并转换为电信号。该信号经电容C1输入到由V1组成的放大器放大。放大后的信号依次通过电阻R4、电容C2、电阻R5、R6输送至三极管V2基极。V2和V3相继导通,V3集电极输出电信号经二极管VD1向电容C3快速充电。电容C3两端电压迅速升高,使三极管V4基极电位快速上升至高电平,V4导通,继电器K吸合。常开触点闭合,LED1点亮。
有声状态及延时过程:声音消失后,三极管V2、V3截止。此时电容C3存储的电荷通过电阻R9向三极管V4放电。在放电初期,电容C3电压仍能使V4基极维持较高电位,V4持续导通,继电器K保持吸合状态,LED1继续点亮。随着电容C3电荷不断释放,其两端电压逐渐降低。当电压降至一定程度,三极管V4基极电位不足以使其导通时,V4截止,继电器K失电,常开触点断开,LED1熄灭,完成一次完整的延时控制过程。
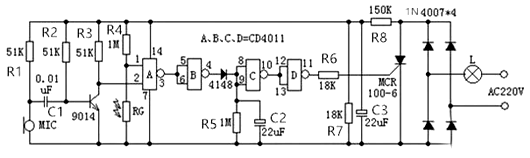
五、声光控延时开关电路实例


以下为一个典型的声光双控延时灯电路。该电路在白天无论外界声音如何,电灯L均保持熄灭状态;夜晚有声音时,电灯亮起,且在声音消失后仍能持续亮一段时间,之后自动熄灭。整个电路涵盖声控、光控、逻辑、延时、执行和电源六部分。
(一)黑夜无声状态
三极管9014处于饱和导通状态,输出低电平。与非门A输入高电平,输出低电平;与非门B输入低电平,输出高电平;二极管4148截止。与非门C输入低电平,输出高电平;与非门D输入高电平,输出低电平,可控硅截止,电灯保持熄灭。
(二)黑夜有声状态
声音信号触发相关电路,使三极管9014由饱和导通转为截止,输出高电平。与非门A输入低电平,输出高电平;与非门B输入高电平,输出低电平;二极管4148导通,电容通过二极管4148快速充电,电容两端电压迅速上升。当电压达到一定值,与非门C输入高电平,输出低电平;与非门D输入低电平,输出高电平,可控硅导通,电灯亮起。声音消失后,电容开始放电,维持与非门输入端高电平一段时间。随着时间推移,电容电压逐渐降低,当降至一定值,与非门C输出反转,可控硅截止,电灯熄灭,完成延时控制功能。
〈烜芯微/XXW〉专业制造二极管,三极管,MOS管,桥堆等,20年,工厂直销省20%,上万家电路电器生产企业选用,专业的工程师帮您稳定好每一批产品,如果您有遇到什么需要帮助解决的,可以直接联系下方的联系号码或加QQ/微信,由我们的销售经理给您精准的报价以及产品介绍
联系号码:18923864027(同微信)
QQ:709211280