简单的延时电路图,延时开关电路图介绍

在电子电路设计领域,延时电路是一种关键的基础电路,广泛应用于自动控制、照明系统、仪器仪表等诸多场景。其核心功能在于实现精准的时间延迟控制,为各类设备的有序运行提供关键支持。本文将深入剖析一款简易延时开关电路,涵盖其工作原理、印刷电路板布局、元件规格、焊接组装流程、调试要点以及实际应用场景,助力电子工程技术人员及相关爱好者全面掌握该电路的设计与应用精髓。

在电子电路设计领域,延时电路是一种关键的基础电路,广泛应用于自动控制、照明系统、仪器仪表等诸多场景。其核心功能在于实现精准的时间延迟控制,为各类设备的有序运行提供关键支持。本文将深入剖析一款简易延时开关电路,涵盖其工作原理、印刷电路板布局、元件规格、焊接组装流程、调试要点以及实际应用场景,助力电子工程技术人员及相关爱好者全面掌握该电路的设计与应用精髓。
一、工作原理:巧妙利用充放电实现时间延迟
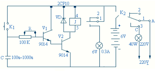
该延时开关电路的工作机制基于电容器的充放电过程。当电源开关 K2 闭合且按下按钮开关 K1 时,晶体二极管 V1 和 V2 被导通,继电器随之吸合。与此同时,电源开始对电容器 C 进行充电。在 K1 断开后,由于电容器 C 已经被充电,它将通过电阻 R 以及晶体二极管 V1 和 V2 进行放电。这一放电过程使得三极管得以继续保持导通状态,继电器持续吸合。然而,随着放电的持续进行,电容器 C 两极间的电压逐渐降低。当电压降至某一临界值,无法继续维持三极管的导通时,继电器最终释放。从 K1 断开到继电器释放的这一时间段即为延时时间,其长短由电阻 R 和电容器 C 的参数共同决定。
在元件参数选择方面,当电容器 C 的容量设定为 100 微法时,通过调节可调电阻器 R,能够实现 10 秒至 90 秒范围内的延时时间调节。若将电容器 C 的容量提升至 1000 微法,则可使延时时间延长至 5 分钟以上,充分满足不同应用场景对延时时长的多样化需求。
值得一提的是,继电器上并联的二极管发挥着至关重要的保护作用。当继电器断电释放时,其线圈会产生较高的自感电动势,这一瞬间的高电压可能会对晶体三极管造成损坏。而并联的二极管能够及时导通,为这一高电压提供一个泄放回路,从而有效保护晶体三极管免受损害,确保电路的稳定可靠运行。
二、印刷电路板布局与元件规格:精准设计与选型
印刷电路板(PCB)的设计对于电路的稳定性和可制造性至关重要。图 2(A)展示了该延时开关电路的印刷电路板布局,其精心规划了各元件的摆放位置和布线路径,旨在最小化信号干扰、优化电路性能并便于生产制造。图 2(B)则呈现了与 PCB 对应的实物组装图,直观地展现了各元件在实际电路中的安装形态。


在元件规格方面,该延时开关电路采用了如下关键元件:
继电器 :选用 4098 型继电器,其工作电压为 6V,具备可靠的吸合与释放特性,能够承受电路中的工作电流,确保在延时过程中稳定控制负载的通断。
晶体三极管 :采用 9014 型晶体三极管,作为电路中的核心放大与开关元件,其具备优良的电流放大性能和快速开关特性,能够高效地控制继电器的吸合与释放。
晶体二极管 :选用 2CP10 或 1N4001 型晶体二极管,它们在电路中承担导通和?;さ乃亟巧?。除了在充电阶段为电流提供导通路径以及在放电阶段维持三极管导通外,还能在继电器断电时?;ぞ迦苊馐茏愿懈哐沟某寤?。
可调电阻器 R :采用 100kΩ 可调电阻器,通过调节其阻值大小,能够精准地控制电容器 C 的充放电时间常数,进而实现对延时时间的灵活调节。
电解电容器 C :选用 100μF/6V 的电解电容器,在电路中负责储存电荷并实现延时功能。其容量和耐压值与电路中的其他元件参数相匹配,确保在充电和放电过程中稳定可靠地工作。
按钮开关 K1 :作为触发元件,其具备良好的电气性能和机械稳定性,能够确保在按下和释放瞬间准确地导通和切断电路,触发延时过程的开始。
三、焊接电路:精细工艺确保电路性能
焊接是电路组装过程中的关键环节,其质量直接关系到电路的稳定性和可靠性。以下是该延时开关电路的焊接步骤及要点:
(一)焊前准备
在焊接之前,首先对各元件进行焊前处理,包括清洁元件引脚、去除氧化层等,并对元件引脚进行镀锡处理。这一步骤能够提高焊接的可靠性和焊点的质量,为后续的焊接工作奠定良好基础。
(二)焊接继电器
将继电器小心地插入印刷电路板上对应的小孔,确保其安装位置准确无误。然后依次对继电器的 5 个引脚进行焊接。在焊接过程中,应注意控制焊接时间,尽量保持短暂,以避免因过热对继电器和印刷电路板造成损坏。焊点应呈现圆润且较小的形态,以确保良好的电气连接和机械强度。
(三)焊接可调电阻器 R 和电解电容器 C
先将可调电阻器 R 按照图示的布局要求进行预组装,调整好其初始位置后,将其插入印刷电路板并进行焊接。对于电解电容器 C 的焊接,需特别注意其正负引脚的极性,确保正确焊接,避免因极性接反而导致电容器损坏或电路故障。在焊接过程中,同样要注意控制焊接时间和焊点质量。
(四)焊接晶体二极管 VD
在焊接晶体二极管 VD 时,务必仔细辨认其正负引脚的极性,确保正确焊接,不可焊反。这是因为二极管具有单向导电性,极性接反将导致电路无法正常工作。同时,控制焊接时间要尽量短些,以防止过热对二极管的性能造成不利影响。
(五)焊接晶体三极管 V1 和 V2
焊接晶体三极管时,需要准确识别其三个电极(基极 b、集电极 c、发射极 e),确保焊接无误。错误的焊接可能导致三极管无法正常工作或损坏。在焊接过程中,要注意避免过热,以免对三极管的性能造成损害。
(六)焊接电源引线和按钮开关引线
最后,进行电源引线和按钮开关引线的焊接,并将按钮开关 K1 正确安装到电路中。在焊接引线时,应确保连接牢固可靠,避免虚焊和假焊现象。同时,要合理布置引线的走向,避免与其他元件和线路发生短路或干扰。
四、延时开关的调试:精准调节保障电路功能
完成电路焊接后,需要对延时开关电路进行细致的调试,以确保其能够正常工作并满足预期的延时功能要求。以下是调试的具体步骤和要点:
(一)焊点检查
首先,全面检查印刷电路板上的各焊点,仔细查看是否存在虚焊、假焊以及短路现象。对于邻近的焊点,应确保清理干净,防止焊点间因残留焊料或其他杂质而导致短路。如有问题,需及时进行返工修复,确保电路连接的准确性和可靠性。
(二)调试准备
将可调电阻器 R 的活动触点调整到中间位置。然后,接通 6V 电源(可以使用两个 3V 电源串联的方式提供)。在通电瞬间,应仔细观察电路的工作状态,确保无任何异常现象发生。
(三)功能测试
按下按钮开关 K1,此时应能听到继电器发出 “嗒” 的一声,表明继电器成功吸合。在几十秒钟后,应再次听到 “嗒” 的一声,这标志着继电器释放,延时功能得以实现。若电路能够按照上述预期进行工作,则表明延时开关工作正常。
(四)延时时间调节
若需要改变延时时间,可通过调节可调电阻器 R 的阻值来实现。增大 R 的阻值,将使电容器 C 的放电时间延长,从而获得更长的延时时间;反之,减小 R 的阻值则可缩短延时时间。当要求的延时时间超出该电路在当前电容器参数下的最长延时范围时,可将电容器 C 换为容量更大的电解电容器,以满足更长延时的需求。
五、延时开关的应用:拓展电路功能与应用场景
该延时开关电路凭借其简洁的设计和可靠的性能,可广泛应用于多种场景,实现多样化的功能控制。
(一)控制小功率直流负载
例如,若要控制一个 6V、0.3A 的小灯泡,可按照图 A 所示的接线方式进行连接。在印刷电路板上,将继电器的 1 脚和 4 脚用导线接通(导线直接焊在印刷电路板的铜箔上),并将小灯泡接入继电器的 3 端和电源负极之间。当按下按钮开关 K1 时,小灯泡将被点亮,经过设定的延时时间后,小灯泡会自动熄灭。这种应用可用于需要短暂照明的场景,如楼道夜间照明、展示柜照明等,实现 “人走灯灭” 的节能控制效果。
(二)控制交流照明设备
对于控制 220V、40W 的照明灯,可参考图 B 的接线方式,将印刷电路板上的 A 端和 C 端作为开关控制端。在实际安装过程中,由于涉及 220V 交流电,安全操作至关重要,必须在专业人员的指导下进行操作。为了确保使用安全,应将整个电路板封装在绝缘盒中,防止意外触电。这种应用适用于需要定时控制照明的场景,如楼道照明、仓库照明等,可实现自动延时关灯功能,提高照明系统的智能化水平和能源利用效率。
六、结语
这款简易延时开关电路以其简单的结构、低廉的成本和可靠的性能,在众多电子电路应用中脱颖而出。通过深入理解其工作原理、精心设计印刷电路板布局、严格把控元件规格与焊接质量,以及细致调试电路参数,能够充分发挥其延时控制功能。在实际应用中,无论是对小功率直流负载还是交流照明设备的控制,该延时开关电路均能提供高效、便捷的解决方案,满足不同场景下的自动化控制需求,为电子设计与创新实践提供了有力的技术支持。
〈烜芯微/XXW〉专业制造二极管,三极管,MOS管,桥堆等,20年,工厂直销省20%,上万家电路电器生产企业选用,专业的工程师帮您稳定好每一批产品,如果您有遇到什么需要帮助解决的,可以直接联系下方的联系号码或加QQ/微信,由我们的销售经理给您精准的报价以及产品介绍
〈烜芯微/XXW〉专业制造二极管,三极管,MOS管,桥堆等,20年,工厂直销省20%,上万家电路电器生产企业选用,专业的工程师帮您稳定好每一批产品,如果您有遇到什么需要帮助解决的,可以直接联系下方的联系号码或加QQ/微信,由我们的销售经理给您精准的报价以及产品介绍
联系号码:18923864027(同微信)
QQ:709211280