一、全桥逆变电路
全桥转换器由 4 个开关构成,这 4 个开关分别连接至 2 个电源的正极与负极。从电压角度看,全桥电路不存在峰值电压问题,其电压与直流电源电压保持一致,在电气系统中具有稳定的电压输出特性。
二、半桥逆变电路
半桥转换器包含 2 个开关,这 2 个开关各自连接直流电源的正极和负极。具体工作时,当一个开关开启,电流便从电源正极经开关流向负载;而当另一个开关开启,电流则从负载流回电源负极,以此实现电能的传输与转换功能。
三、常见逆变电路类型
在众多逆变电路中,半桥式和全桥式较为常见。二者存在诸多差异,下面将详细阐述其不同之处。
(一)开关管数量及输出功率差异
与半桥相比,全桥的开关管数量翻倍。然而,在开关电流相同条件下,全桥电路的输出功率能达到半桥的两倍,在大功率电能转换场景中具有显著优势。
(二)输出电压最大值差异
全桥逆变器运用四个开关管,使其输出电压峰值可等同于直流电源电压;反观半桥逆变器,仅使用两个开关管,导致其输出电压峰值仅为直流电源电压的一半,这在一定程度上限制了其在高电压输出应用场景的适用性。


四、工作原理差异
(一)半桥逆变电路工作原理
半桥电路由两个串联的功率开关以及两个串联的电容构成。当 V1 导通、V2 关断时,电容 C1 的能量释放至负载 R,此时输出电压 Uo 为正,与此同时电容 C2 进行充电;而后 V1 关断、V2 导通,电容 C2 的能量释放至负载 R,输出电压 Uo 变为负,电容 C1 则开始充电。通过开关管 V1、V2 的交替导通,负载得以获取交流电能。此外,两个电容串联可适应变压器负载,但需注意,在工作频率处于 50Hz - 60Hz 时,电容容量需求较大,这将引起电路体积增大以及成本上升等问题。


(二)全桥逆变电路工作原理
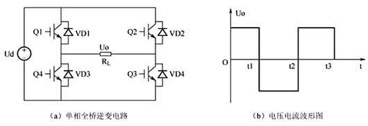
全桥电路又称为 H 桥电路,由四个功率开关管组成。其中 Q1 和 Q4 的通断呈互补状态,Q2 和 Q3 的通断亦呈互补状态。

当 Q1、Q3 闭合,而 Q2、Q4 断开时,负载电压 Uo 呈正;反之,当 Q1、Q3 断开,Q2、Q4 闭合时,负载电压 Uo 呈负。借助 Q1、Q3 和 Q2、Q4 的交替导通,负载可获得交流电能。特别地,当负载性质非纯电阻时,负载电压与负载电流会出现相位不同步的情况,此时开关管的寄生二极管便发挥电流续流的关键作用,保障电路的正常运行。

当 Q1、Q3 闭合,而 Q2、Q4 断开时,负载电压 Uo 呈正;反之,当 Q1、Q3 断开,Q2、Q4 闭合时,负载电压 Uo 呈负。借助 Q1、Q3 和 Q2、Q4 的交替导通,负载可获得交流电能。特别地,当负载性质非纯电阻时,负载电压与负载电流会出现相位不同步的情况,此时开关管的寄生二极管便发挥电流续流的关键作用,保障电路的正常运行。
五、优缺点对比
(一)全桥逆变器
优点 :结构相对简单,便于设计与制造过程的实施,同时具有较高的电压利用率,能输出更高功率的电能,在大功率应用场景中更具竞争力。
缺点 :由于全桥逆变器的输入电流特性特殊,导致变压器设计复杂度增加,原边线圈匝数较多,这在一定程度上提高了制造难度与成本。
(二)半桥逆变器
优点 :使用的器件数量较少,整体结构简单,对电路的对称性要求较为宽松,具备一定抗不平衡能力,使得其成本相对较低,在小功率、对成本敏感的应用场景中优势明显。
缺点 :输出功率相对较低,且其变压器设计同样较为复杂,原边线径较粗,限制了其在大功率场合的应用拓展。
〈烜芯微/XXW〉专业制造二极管,三极管,MOS管,桥堆等,20年,工厂直销省20%,上万家电路电器生产企业选用,专业的工程师帮您稳定好每一批产品,如果您有遇到什么需要帮助解决的,可以直接联系下方的联系号码或加QQ/微信,由我们的销售经理给您精准的报价以及产品介绍
〈烜芯微/XXW〉专业制造二极管,三极管,MOS管,桥堆等,20年,工厂直销省20%,上万家电路电器生产企业选用,专业的工程师帮您稳定好每一批产品,如果您有遇到什么需要帮助解决的,可以直接联系下方的联系号码或加QQ/微信,由我们的销售经理给您精准的报价以及产品介绍
联系号码:18923864027(同微信)
QQ:709211280