把直流电变为交流电称为逆变,逆变电路的应用非常广泛。当需要蓄电池、干电池、太阳能电池等直流电源向交流负载供电时,就需要逆变电路。除此之外,应用非常广泛的交流电机调速用变频器、不间断电源、感应加热电源等电力电子装置的核心电路就是逆变电路。
全桥逆变电路一


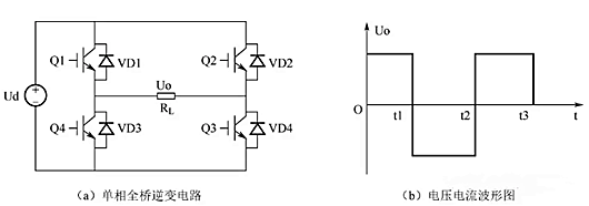
图(a)单相全桥逆变电路原理:单相全桥逆变电路也称为‘H桥’电路,由四个功率开关管及其驱动辅助电路构成,工作时Q1与Q4通断互补、Q2与Q3通断互补。当Q1、Q3闭合,Q2、Q4断开时,负载电压Uo为正;当Q1、Q3断开,Q2、Q4闭合时,负载电压Uo为负,Uo波形如图(b)所示。Q1、Q3和Q2、Q4交替导通,使得负载上获得交流电能。当负载不是纯电阻时,负载电压和负载电流不是同相位,这时开关管的寄生二极管D1-D4则起着电流续流的作用。
全桥逆变电路二


1.t1-t2时刻
①给V1和V4开通信号,给V2和V3关断信号
②负载两端电压为正Ud,流经负载的电流为正。
③VD1、VD2、VD3、VD4反偏截止。电容C-V1-R-L-V4-C组成回路,C对L储能


2.t2-t3时刻
①给V1和V4关断信号,给V2和V3开通信号。
②负载两端电压为负Ud,流经负载的电流为正
③V2和V3虽然给的开通信号,但是电流为负,所以V2和V3反偏截止
④由C-VD2-R-L-VD3-C组成续流回路,L对C充电


3.t3-t4时刻
①给V1和V4关断信号,给V2和V3开通信号
②负载两端电压为负Ud,流经负载的电流为负
③V2和V3正偏开通,VD1、VD2、VD3、VD4反偏截止。
④由C-V2-R-L-V3-C组成回路,电容C对L储能


4.t4-t5时刻
①给V1和V4开通信号,给V2和V3关断信号
②负载两端电压为正Ud,流经负载的电流为负
③V1和V4虽然给开通信号,但是V1和V4反偏截止
④C-VD4-L-R-VD1组成续流回路,L对C充电。
〈烜芯微/XXW〉专业制造二极管,三极管,MOS管,桥堆等,20年,工厂直销省20%,上万家电路电器生产企业选用,专业的工程师帮您稳定好每一批产品,如果您有遇到什么需要帮助解决的,可以直接联系下方的联系号码或加QQ/微信,由我们的销售经理给您精准的报价以及产品介绍
联系号码:18923864027(同微信)
QQ:709211280