全桥在电路当中的展现形式是将连接好的整流电路中四个二极管封装在一起,所以在使用全桥时要考虑到整流电路以及工作电压等因素,需要进行全方位的分析才能使电路顺利的运行。本文以IR2110为基础,介绍常用的全桥逆变电源。
首先,我们先来看一下逆变变压器铁芯。双端工作的方波逆变变压器铁芯面积乘积公式为:
AeAc=Po(1+η)/(ηDKjfKeKcBm)
式中:Ae(m2)为铁心横截面积;Ac(m2)为铁心的窗口面积;Po为变压器的输出功率;η为转换效率;δ为占空比;K是波形系数;j(A/m2)为导线的平均电流密度;f为逆变频率;Ke为铁心截面的有效系数;Kc为铁心的窗口利用系数;Bm为最大磁通量。
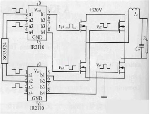
如图1所示,DC-AC变换采用单相输出,全桥逆变形式,为减小逆变电源的体积,降低成本,输出使用工频LC滤波。由4个IRF740构成桥式逆变电路,IRF740最高耐压400V,电流10A,功耗125W,利用半桥驱动器IR2110提供驱动信号,其输入波形由SG3524提供,同理可调节该SG3524的输出驱动波形的D<50%,保证逆变的驱动方波有共同的死区时间。


图1 DC-AC逆变电路结构
IR2110是IR公司生产的大功率MOSFET和IGBT专用驱动集成电路,可以实现对MOSFET和IGBT的最优驱动,同时还具有快速完整的?;すδ?,因而它可以提高控制系统的可靠性,减少电路的复杂程度。
烜芯微专业制造二极管,三极管,MOS管,桥堆等20年,工厂直销省20%,4000家电路电器生产企业选用,专业的工程师帮您稳定好每一批产品,如果您有遇到什么需要帮助解决的,可以点击右边的工程师,或者点击销售经理给您精准的报价以及产品介绍
烜芯微专业制造二极管,三极管,MOS管,桥堆等20年,工厂直销省20%,4000家电路电器生产企业选用,专业的工程师帮您稳定好每一批产品,如果您有遇到什么需要帮助解决的,可以点击右边的工程师,或者点击销售经理给您精准的报价以及产品介绍