12V转220V逆变器电路方案解析
一、12V转220V逆变器电路一
本方案采用功率较大的三极管2N3055作为核心功率放大元件,配合两个大功率电阻构建基础振荡电路。为提升电路输出功率,建议选用功率较大的电阻,当前工程实践中1/4W电阻应用广泛,通过并联四个1/4W、约400Ω的电阻,可满足功率要求。

该电路本质上是一个振荡电路,将直流电转换为交流电,再经变压器升压至220V,可直接在输出端连接用电器使用。然而,受元件数量和电路结构限制,输出波形与市电标准存在偏差,但足以驱动普通白炽灯泡等基础负载。

该电路本质上是一个振荡电路,将直流电转换为交流电,再经变压器升压至220V,可直接在输出端连接用电器使用。然而,受元件数量和电路结构限制,输出波形与市电标准存在偏差,但足以驱动普通白炽灯泡等基础负载。
电阻采用四个1/4W电阻并联,尽管所配变压器功率相对较低,此设计略显冗余。按照原理图完成电气连接并仔细检查无误后即可通电。需特别注意,输出端电压已超出人体安全电压范围,操作过程中必须采取完善的安全防护措施。
通电后可听见明显的信号振荡声,此时使用万用表测量可得稳定电压示数,本设计实测输出电压为211V,且运行过程中电压稳定。
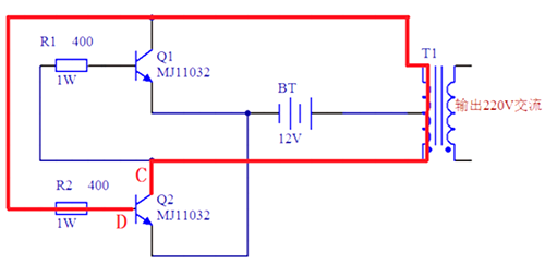
二、12V转220V逆变器电路二
此方案是一种简易逆变电路,仅需两个三极管、两个电阻和一个变压器。通电后,输出端可产生交流电,带动220V白炽灯工作。




(一)工作原理
通电瞬间,对三极管Q1而言,集电极(A点)直连电源正极,基极(B点)经大功率电阻与电源正极相连,满足导通条件。同理,三极管Q2的集电极(C点)与电源正极相连,基极(D点)经大功率电阻与电源正极相连,同样满足导通条件。
然而,由于实际应用中两个三极管的特性不可能完全一致,通电瞬间必然存在导通先后顺序。假设Q1率先导通,电流路径为:电源正极→变压器→三极管Q1→电源负极。Q1导通后迅速进入饱和状态,集电极-发射极压降低于0.3V,导致A点电位下降,进而B点电位也随之降低。鉴于Q1导通时发射极正偏压降约0.7V,0.3V的压降无法维持其导通状态,Q1转为截止状态。
随着Q1截止,三极管Q2的基极和集电极电位上升,达到导通条件后Q2导通。电流路径变为:电源正极→变压器→三极管Q2→电源负极。与Q1类似,Q2导通后也进入饱和状态,集电极-发射极压降降至0.3V以下,基极电位降低,无法维持导通状态而截止。
Q2截止后,Q1的基极和集电极电位上升,再次满足导通条件。如此循环往复,两个三极管交替导通,产生交流电。经变压器升压后,输出电压可达220V左右。连接220V灯泡可正常发光,表明电路工作正常。
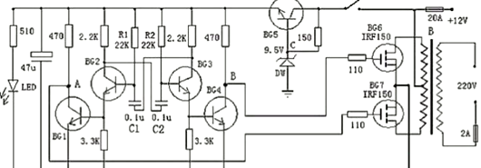
三、12V转220V逆变器电路三
该方案提供了一种易于制作的逆变器原理图,能够将12V直流电源转换为220V交流电,具有较高的实用性和可操作性。


(一)电路组成与工作原理
多谐振荡器部分:由BG2与BG3组成多谐振荡器,产生震荡信号,为整个电路提供驱动动力。
控制部分:通过BG1和BG4控制BG6和BG7的工作状态,实现对电路的有效调控。
稳压供电部分:振荡电路由BG5和稳压二极管DW组成的稳压电源供电,确保多谐振荡器输出频率的稳定性,提升输出交流电的品质。
变压器选择与蓄电池配置:在制作过程中,可选用常见的双12V输出市电变压器。根据实际需求选择合适容量的12V蓄电池,蓄电池容量越大,逆变器的持续工作时间越长。
该12V转220V逆变器电路方案三凭借简洁的电路结构和相对稳定的性能,在应急电源、户外设备供电等领域具有广阔的应用前景,能够为各种220V交流设备提供可靠的电力支持
〈烜芯微/XXW〉专业制造二极管,三极管,MOS管,桥堆等,20年,工厂直销省20%,上万家电路电器生产企业选用,专业的工程师帮您稳定好每一批产品,如果您有遇到什么需要帮助解决的,可以直接联系下方的联系号码或加QQ/微信,由我们的销售经理给您精准的报价以及产品介绍
联系号码:18923864027(同微信)
QQ:709211280